Powered by Smartsupp As-pl generátor szabadonfutó
Univerzális menü

As-pl generátor szabadonfutó

Brand new Ina Alternator freewheel pulleys
Cikkszám: AFP6018(INA)
Gyártó: AS-PL
Kártyaszám: 1802745
Termékfotó
Ina generátor szabadonfutó 44,6mm,a szereléshez speciális szerszám szükséges
Gyártó: Schaeffler INA
Cikkszám: 535 0182 10
Kártyaszám: 1802751
22
12 520 Ft-tól
Rovátkák száma:
6
Első rovátka távolsága [mm]:
18
Szélesség [mm]:
44,6
Átmérő 1/átmérő 2 [mm]:
49,1/17,0
gyártószámhoz:
F-570680.XX
Kiegészítő cikk/kiegészítő info 2:
a szereléshez speciális szerszám szükséges
SVHC:
Nem található SVHC anyag!
Termékfotó
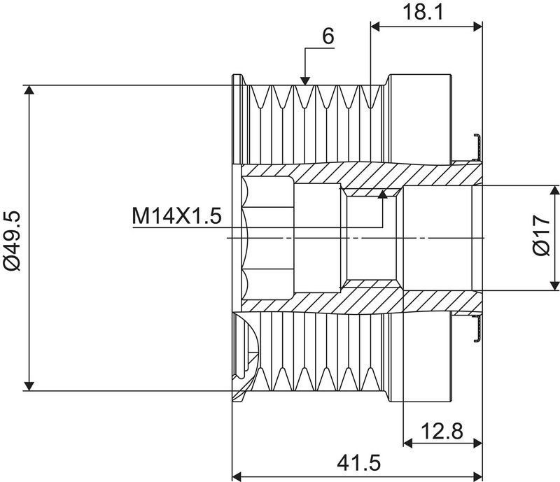
Valeo generátor szabadonfutó 41,5mm,a szereléshez speciális szerszám szükséges
Gyártó: VALEO
Cikkszám: 588054
Kártyaszám: 1802757
13
10 010 Ft-tól
Átmérő [mm]:
49,5
Szélesség [mm]:
41,5
Menetméret:
M14
Bordák száma:
6
Mélység [mm]:
12,8
Furatátmérő [mm]:
17
Csavarfej/anya profil:
Hatszögű
Forgásirány:
óramutató járásával megegyező forgásirány
Kiegészítő cikk/kiegészítő info 2:
a szereléshez speciális szerszám szükséges
Tömeg [kg]:
0,44
Külső átmérő [mm]:
49,5
Rovátkák száma:
6
Külső átmérő [mm]:
50
Külső átmérő [mm]:
53
Szélesség [mm]:
40,5
Első rovátka távolsága [mm]:
18,1
További termékek

OE referencia számok listája:
(Az azonosító számokat rendelés előtt mindig pontosítani kell a járműgyártói dokumentációkban!)

FORD (3M5T10300VC)
FORD (3M5T10300VD)


Tovább olvasom
Külső átmérő [mm]
49,2
Belső átmérő [mm]
17
Hossz 1 [mm]
49,6
Rovátkák száma
6
Menetméret
M14x1,5
Hossz 2 [mm]
17,8
Minőség
PREMIUM LINE
új alkatrész betét nélkül
Tovább olvasom

2.0 CNG benzin/CNG (2.0 16V 107kw 145LE 1999ccm) Eng.code: SYDA Type id: 33331

2.0 LPG benzin/LPG (2.0 16V 107kw 145LE 1999ccm) Eng.code: SYDA Type id: 33332

2.0 benzin (2.0 16V 107kw 145LE 1999ccm) Eng.code: AODA,AODB,AODE,SYDA Type id: 22527

1.8 Flexifuel benzin/etanol (1.8 16V 92kw 125LE 1798ccm) Eng.code: Q7DA Type id: 19262

1.8 benzin (1.8 16V 88kw 120LE 1798ccm) Eng.code: CSDA,CSDB Type id: 17630

1.8 benzin (1.8 16V 92kw 125LE 1798ccm) Eng.code: Q7DA,QQDA,QQDB Type id: 18096

2.0 benzin (2.0 16V 107kw 145LE 1999ccm) Eng.code: AODA,AODB,AODE,SYDA Type id: 18095

1.4 benzin (1.4 16V 59kw 80LE 1388ccm) Eng.code: ASDA,ASDB Type id: 18305

1.8 Flexifuel benzin/etanol (1.8 16V 92kw 125LE 1798ccm) Eng.code: Q7DA,QQDA,QQDB Type id: 19264

2.0 CNG benzin/CNG (2.0 16V 107kw 145LE 1999ccm) Eng.code: SYDA Type id: 33342

2.0 LPG benzin/LPG (2.0 16V 107kw 145LE 1999ccm) Eng.code: SYDA Type id: 33343

2.0 benzin (2.0 16V 107kw 145LE 1999ccm) Eng.code: AODA,AODB,AODE,SYDA Type id: 18304

2.5 RS 500 benzin (2.5 20V 257kw 350LE 2521ccm) Eng.code: JZDA Type id: 33494

2.5 RS benzin (2.5 20V 224kw 305LE 2521ccm) Eng.code: JZDA Type id: 30837

2.5 ST benzin (2.5 20V 166kw 225LE 2522ccm) Eng.code: HYDA Type id: 19167

1.4 benzin (1.4 16V 59kw 80LE 1388ccm) Eng.code: ASDA,ASDB Type id: 18513

1.8 Flexifuel benzin/etanol (1.8 16V 92kw 125LE 1798ccm) Eng.code: Q7DA,QQDA,QQDB Type id: 19265

2.0 LPG benzin/LPG (2.0 16V 107kw 145LE 1999ccm) Eng.code: SYDA Type id: 33344

2.0 benzin (2.0 16V 107kw 145LE 1999ccm) Eng.code: AODA,AODB,AODE,SYDA Type id: 18516

1.8 Flexifuel benzin/etanol (1.8 16V 92kw 125LE 1798ccm) Eng.code: Q7DA,QQDA,QQDB Type id: 19786

2.0 benzin (2.0 16V 107kw 145LE 1999ccm) Eng.code: AODA,AODB,AODE,SYDA Type id: 18955

2.0 benzin (2.0 16V 107kw 145LE 1999ccm) Eng.code: AODA,AODB,AODE,SYDA Type id: 19520

2.0 Flexifuel benzin/etanol (2.0 16V 107kw 145LE 1999ccm) Eng.code: TBWA,TBWB Type id: 32693

2.0 benzin (2.0 16V 107kw 145LE 1999ccm) Eng.code: AOWA,AOWB,TBWA,TBWB Type id: 19437

2.3 benzin (2.3 16V 118kw 160LE 2261ccm) Eng.code: SEWA Type id: 24462

1.8 16V benzin (1.8 16V 81kw 110LE 1798ccm) Eng.code: CGBA,CGBB Type id: 15482

1.8 16V benzin (1.8 16V 92kw 125LE 1798ccm) Eng.code: CHBA,CHBB Type id: 15484

1.8 SCi benzin (1.8 16V 96kw 130LE 1798ccm) Eng.code: CFBA Type id: 17612

1.8 16V benzin (1.8 16V 81kw 110LE 1798ccm) Eng.code: CGBA,CGBB Type id: 15483

1.8 16V benzin (1.8 16V 92kw 125LE 1798ccm) Eng.code: CHBA,CHBB Type id: 15485

1.8 SCi benzin (1.8 16V 96kw 130LE 1798ccm) Eng.code: CFBA Type id: 17613

2.0 16V benzin (2.0 16V 107kw 146LE 1999ccm) Eng.code: CJBA,CJBB Type id: 15487

1.8 16V benzin (1.8 16V 81kw 110LE 1798ccm) Eng.code: CGBA,CGBB Type id: 15442

1.8 16V benzin (1.8 16V 92kw 125LE 1798ccm) Eng.code: CHBA,CHBB Type id: 15443

1.8 SCi benzin (1.8 16V 96kw 130LE 1798ccm) Eng.code: CFBA Type id: 17614

2.0 16V benzin (2.0 16V 107kw 146LE 1999ccm) Eng.code: CJBA,CJBB Type id: 15444

2.0 Flexifuel benzin/etanol (2.0 16V 107kw 145LE 1999ccm) Eng.code: TBBA,TBBB Type id: 30331

2.0 LPG benzin/LPG (2.0 16V 107kw 145LE 1999ccm) Eng.code: TBBA,TBBB Type id: 5136

2.0 benzin (2.0 16V 107kw 145LE 1999ccm) Eng.code: AOBA,AOBC,TBBA,TBBB Type id: 22508

2.0 Flexifuel benzin/etanol (2.0 16V 107kw 145LE 1999ccm) Eng.code: TBBA,TBBB Type id: 30330

2.0 LPG benzin/LPG (2.0 16V 107kw 145LE 1999ccm) Eng.code: TBBA,TBBB Type id: 5086

2.0 benzin (2.0 16V 107kw 145LE 1999ccm) Eng.code: AOBA,AOBC,TBBA,TBBB Type id: 22515

2.0 Flexifuel benzin/etanol (2.0 16V 107kw 145LE 1999ccm) Eng.code: TBBA,TBBB Type id: 32685

2.0 LPG benzin/LPG (2.0 16V 107kw 145LE 1999ccm) Eng.code: TBBA,TBBB Type id: 5152

2.0 benzin (2.0 16V 107kw 145LE 1999ccm) Eng.code: AOBA,AOBC,TBBA,TBBB Type id: 22520

2.0 Flexifuel benzin/etanol (2.0 16V 107kw 145LE 1999ccm) Eng.code: TBWA,TBWB Type id: 30329

2.0 benzin (2.0 16V 107kw 145LE 1999ccm) Eng.code: AOWA,AOWB,TBWA,TBWB Type id: 19441

1.8 FlexFuel benzin/etanol (1.8 16V 92kw 125LE 1798ccm) Eng.code: B4184S8 Type id: 27618

1.8 benzin (1.8 16V 92kw 125LE 1798ccm) Eng.code: B4184S11 Type id: 19809

2.0 FlexFuel benzin/etanol (2.0 16V 107kw 146LE 1999ccm) Eng.code: B4204S4 Type id: 33818

2.0 benzin (2.0 16V 107kw 145LE 1999ccm) Eng.code: B4204S3 Type id: 19810

1.6 benzin (1.6 16V 74kw 101LE 1596ccm) Eng.code: B4164S3 Type id: 18600

1.8 FlexFuel benzin/etanol (1.8 16V 92kw 125LE 1798ccm) Eng.code: B4184S8 Type id: 27619

1.8 benzin (1.8 16V 92kw 125LE 1798ccm) Eng.code: B4184S11 Type id: 18111

2.0 F benzin/etanol (2.0 16V 107kw 146LE 1999ccm) Eng.code: B4204S4 Type id: 10058

2.0 benzin (2.0 16V 107kw 146LE 1999ccm) Eng.code: B4204S3 Type id: 20090

1.8 FlexFuel benzin/etanol (1.8 16V 92kw 125LE 1798ccm) Eng.code: B4184S8 Type id: 27624

1.8 benzin (1.8 16V 92kw 125LE 1798ccm) Eng.code: B4184S11 Type id: 18113

2.0 FlexFuel benzin/etanol (2.0 16V 107kw 146LE 1999ccm) Eng.code: B4204S4 Type id: 33822

2.0 benzin (2.0 16V 107kw 146LE 1999ccm) Eng.code: B4204S3 Type id: 20092

Tovább olvasom
Az AS-PL Sp. z o.o. egy európai vállalat, amely a gépjárművek alkatrészeinek és elektromos alkatrészeinek szállítása területén tevékenykedik. A vállalat 1992-ben alakult Gdańskban Auto-Starter néven. Jelenleg a vállalat több mint 290 képzett szakembert foglalkoztat, és világszerte együttműködik az utángyártott alkatrészek és járműtartozékok forgalmazóival és nagykereskedőivel. A hosszú távú együttműködés és a világ mintegy 100 országába történő értékesítés teszi a vállalatot a járművek alkatrészeinek és elektromos alkatrészeinek beszállítása terén vezető szerepet betöltő vállalkozássá.
Tovább olvasom