Powered by Smartsupp Honda CIVIC IX 2011- lépcsős hátú (FB) hátsótengely féktárcsa
Univerzális menü

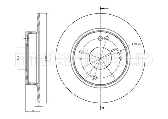
BOSCH féktárcsa

CR-V 2.0 benzin 2.0 benzin
Cikkszám: 0 986 479 C63
Gyártó: BOSCH
Kártyaszám: 20466773
Termékfotó
Bosch féktárcsa olajozott,tele
Gyártó: BOSCH
Cikkszám: 0 986 479 451
Kártyaszám: 1978848
30
9 790 Ft-tól
Külső átmérő [mm]:
260
Féktárcsavastagság [mm]:
9
Minimális vastagság [mm]:
8
Magasság [mm]:
42
lyukkörátmérő [mm]:
114,3
Féktárcsa fajta:
Tele
Centrírozási átmérő [mm]:
64,15
Lyukszám:
5
Felület:
olajozott
ECE-szabvány szerinti:
ECE-R90
Furatátmérőig [mm]:
12,6
Külső átmérő [mm]:
259,9
Centrírozási átmérő [mm]:
64,2
Termékfotó
TRW féktárcsa lakkozott,tele
Gyártó: TRW
Cikkszám: DF4837
Kártyaszám: 1979031
17
9 870 Ft-tól
Külső átmérő [mm]:
260
Féktárcsavastagság [mm]:
9
Minimális vastagság [mm]:
8
Lyukszám:
5
Féktárcsa fajta:
Tele
Centrírozási átmérő [mm]:
64
Magasság [mm]:
42
lyukkörátmérő [mm]:
114,3
Menetméret:
12,6
Szín:
fekete
Felület:
lakkozott
Vizsgálat jelzés:
E190R 0202C0190/0312
SVHC:
Nincs információ, kérem, forduljon a gyártóhoz!
Vizsgálat jelzés:
E190R-02C0190/0312
Termékfotó
A.B.S. féktárcsa bevonatolt,tele
Gyártó: A.B.S.
Cikkszám: 17798
Kártyaszám: 1980763
81
8 520 Ft-tól
Külső átmérő [mm]:
260
Féktárcsavastagság [mm]:
9
Minimális vastagság [mm]:
8
Magasság [mm]:
42,2
Keréktárcsa lyukszáma:
5
Féktárcsa fajta:
Tele
Agyátmérő [mm]:
64
Felület:
bevonatolt
Tömeg [kg]:
3,32
Agyátmérő [mm]:
154
Tömeg [kg]:
3,44
Magasság [mm]:
42
lyukkörátmérő [mm]:
114,3
Termékfotó
Brembo féktárcsa tele
Gyártó: BREMBO
Cikkszám: 08.A147.10
Kártyaszám: 1980771
24
10 450 Ft-tól
Féktárcsavastagság [mm]:
9
Meghúzási nyomaték [Nm]:
108
Minimális vastagság [mm]:
8
Kiegészítő cikk/kiegészítő info 2:
csavarokkal
Külső átmérő [mm]:
260
Magasság [mm]:
42
Lyukszám:
5
Féktárcsa fajta:
Tele
Centrírozási átmérő [mm]:
64
Termékfotó
Brembo féktárcsa bevonatolt,tele
Gyártó: BREMBO
Cikkszám: 08.A147.11
Kártyaszám: 1980772
23
10 830 Ft-tól
Féktárcsavastagság [mm]:
9
Meghúzási nyomaték [Nm]:
108
Minimális vastagság [mm]:
8
Felület:
bevonatolt
Külső átmérő [mm]:
260
Kiegészítő cikk/kiegészítő info 2:
csavarokkal
Magasság [mm]:
42
Lyukszám:
5
Féktárcsa fajta:
Tele
Centrírozási átmérő [mm]:
64
Termékfotó
Brembo féktárcsa bevonatolt,tele
Gyártó: BREMBO
Cikkszám: 08.A147.1X
Kártyaszám: 1980773
19
17 660 Ft-tól
Kiegészítő cikk/kiegészítő info 2:
csavarokkal
Féktárcsa fajta:
Tele
Lyukszám:
5
Féktárcsa fajta:
Lyuggatott
Centrírozási átmérő [mm]:
64
Féktárcsavastagság [mm]:
9
Meghúzási nyomaték [Nm]:
108
Minimális vastagság [mm]:
8,2
Felület:
bevonatolt
Magasság [mm]:
42
Külső átmérő [mm]:
260
Termékfotó
Ferodo féktárcsa tele
Gyártó: FERODO
Cikkszám: DDF1558
Kártyaszám: 1980776
34
19 540 Ft-tól
Vizsgálat jelzés:
R90 homologated
Magasság [mm]:
42
Tömeg [kg]:
7,02
Furatátmérő [mm]:
64
Féktárcsa fajta:
Tele
Féktárcsavastagság [mm]:
9
Minimális vastagság [mm]:
8
Külső átmérő [mm]:
260
Lyukszám:
5
Centrírozási átmérő [mm]:
64
Meghúzási nyomaték [Nm]:
108
lyukkörátmérő [mm]:
114,3
Kötési mód:
Doboz
Mennyiségi egység:
Készlet
Kiegészítő cikk/kiegészítő info 2:
csavarok nélkül
Csomagolási hossz [cm]:
25,5
Csomagolási szélesség [cm]:
25,5
Csomagolási magasság [cm]:
8,5
Magasság [mm]:
42,4
Felület:
olajozott
Csomagolási hossz [mm]:
25,5
Termékfotó
Metelli féktárcsa lakkozott,tele
Gyártó: METELLI
Cikkszám: 23-0957C
Kártyaszám: 1980794
14
8 450 Ft-tól
Felület:
lakkozott
lyukkörátmérő [mm]:
64,2
Magasság [mm]:
42,2
Vizsgálat jelzés:
Approved
Féktárcsa fajta:
Tele
Külső átmérő [mm]:
260
Féktárcsavastagság [mm]:
9
Lyukszám:
5
Minimális vastagság [mm]:
8
Vizsgálat jelzés:
ECE-R90
Centrírozási átmérő [mm]:
64,2
Termékfotó
Textar féktárcsa bevonatolt,tele
Gyártó: TEXTAR
Cikkszám: 92164303
Kártyaszám: 1980819
16
12 510 Ft-tól
Külső átmérő [mm]:
260
Féktárcsavastagság [mm]:
9
Féktárcsa fajta:
Tele
Minimális vastagság [mm]:
8
Magasság [mm]:
42
Furat/lyukszám:
05/09
lyukkörátmérő [mm]:
114,3
Centrírozási átmérő [mm]:
64,2
Tömeg [kg]:
3,5
Kiegészítő cikk/kiegészítő info 2:
kerékagy nélkül
Kiegészítő cikk/kiegészítő info 2:
kerékrögzítő csavar nélkül
Felület:
bevonatolt
Csomagolási hossz [cm]:
30
Csomagolási szélesség [cm]:
28,5
Csomagolási magasság [cm]:
10
Műszaki információs szám:
98200 1643 0 1 PRO
Belső átmérő [mm]:
140,5
Kerékcsavarfurat-átmérő [mm]:
12,6
Kiegészítő cikk/kiegészítő info 2:
kerékcsapágy nélkül
Csomagolási hossz [cm]:
27,8
Csomagolási szélesség [cm]:
27,8
Csomagolási magasság [cm]:
10,5
Kerékcsap-furatátmérő [mm]:
12,6
Termékfotó
Ate féktárcsa bevonatolt,tele
Gyártó: ATE
Cikkszám: 24.0109-0158.1
Kártyaszám: 1995645
33
15 890 Ft-tól
Külső átmérő [mm]:
260
Féktárcsavastagság [mm]:
9
Minimális vastagság [mm]:
8
Féktárcsa fajta:
Tele
Felület:
bevonatolt
Lyukszám:
5
lyukkörátmérő [mm]:
114,3
Magasság [mm]:
42,2
Centrírozási átmérő [mm]:
64,2
Belső átmérő [mm]:
140,5
Furatátmérő [mm]:
12,6
Kiegészítő cikk/kiegészítő info 2:
csavarokkal
MAPP kód elérhető:
Vizsgálat jelzés:
E1 90R-02C0165/0664
Termékfotó
Blue Print féktárcsa bevonatolt,tele
Gyártó: BLUE PRINT
Cikkszám: ADH243100
Kártyaszám: 1995647
99
8 640 Ft-tól
Féktárcsavastagság [mm]:
9
Lyukszám:
5
rögzítő furatok száma:
2
Vastagság [mm]:
42
Külső átmérő [mm]:
260
lyukkörátmérő [mm]:
114,3
Felület:
bevonatolt
Féktárcsa fajta:
Tele
Beépítési oldal:
hátsótengely
Minimális vastagság [mm]:
8
Tömeg [kg]:
3,58
Centrírozási átmérő [mm]:
64,1
Keréktárcsa lyukszáma:
5
Centrírozási átmérő [mm]:
64
lyukkörátmérő [mm]:
114
Szervizinformáció figyelembe veendő:
Termékfotó
Zimmermann féktárcsa bevonatolt,tele
Gyártó: ZIMMERMANN
Cikkszám: 280.3186.20
Kártyaszám: 1995739
14
14 350 Ft-tól
Féktárcsa fajta:
Tele
Felület:
bevonatolt
Külső átmérő [mm]:
260
Féktárcsavastagság [mm]:
9
Magasság [mm]:
42
Keréktárcsa lyukszáma:
5
lyukkörátmérő [mm]:
114
Centrírozási átmérő [mm]:
64
Vizsgálat jelzés:
ECE R90 APPROVED
Minimális vastagság [mm]:
8
Tömeg [kg]:
3,3
Furat/lyukszám:
9/5
Termékfotó
VALEO féktárcsa
Gyártó: VALEO
Cikkszám: 672933
Kártyaszám: 20206718
14
7 750 Ft-tól
Beépítési oldal:
hátsótengely
Féktárcsa fajta:
tele
Felület:
bevonatolt
Külső átmérő [mm]:
260
Féktárcsavastagság [mm]:
9
Centrírozási átmérő [mm]:
64,1
Magasság [mm]:
42
Minimális vastagság [mm]:
8
Keréktárcsa lyukszáma:
5
rögzítő furatok száma:
2
Lyukszám 1:
2
Kiegészítő cikk/kiegészítő info 2:
integrált kerékcsapágy nélkül
Vizsgálat jelzés:
ECE-R90
Tömeg [kg]:
7,28
További termékek
Külső átmérő [mm]
260
Féktárcsavastagság [mm]
9
Minimális vastagság [mm]
8
Magasság [mm]
42
lyukkörátmérő [mm]
114,3
Féktárcsa fajta
tele
Centrírozási átmérő [mm]
64,15
Lyukszám
5
Felület
bevonatolt
ECE-szabvány szerinti
ECE-R90
Furatátmérőig [mm]
12,6
Tovább olvasom

2.0 iVtec (RE5, RM1) benzin (2.0 16V 114kw 155LE 1997ccm) Eng.code: R20A5,R20A6,R20A9 Type id: 56243

Tovább olvasom
A Bosch csoport különböző technológiák és szolgáltatások vezető nemzetközi szállítója. Világszerte mintegy 395 000 munkatársat foglalkoztat (2020. december 31-én) és 71,5 milliárd euró árbevételt ért el 2020-ban. A cégcsoport négy üzleti területen végzi tevékenységét, ezek a mobilitási megoldások, az ipari technika, a fogyasztási cikkek, valamint az energia- és épülettechnika. Az autóipar területén a Bosch a világ elsőszámú felszerelés- és innovációs vezetője, amely eredeti és utángyártott termékeket gyárt és forgalmaz. A Bosch a világ különböző autógyártóinak szállít autóalkatrészeket. Nagy az esélye annak, hogy az Ön járművében lévő számos alkatrészt is a Bosch gyártotta. A Bosch alkatrészek a tartósság, a megbízhatóság, a kiváló minőség és az innováció szinonimái. Számos Bosch-alkatrész szolgált a mai gépjárművekben használt modern technológiák alapjául. A vállalat világszerte számos szabadalommal rendelkezik, és jelentős bevételeket fektetett a kutatásba és fejlesztésbe a különböző területeken, beleértve az autóalkatrészeket, háztartási készülékeket, elektromos szerszámokat és biztonsági rendszereket. Az alapítójáról elnevezett Robert Bosch GmbH az egyik legnagyobb és legrégebbi autóalkatrész-gyártó. A Boscht 1886. november 15-én alapították a Precíziós Mechanika és Elektrotechnika Műhelyeként. A jelenlegi nevet 1937-ben kapta meg. A vállalat székhelye Stuttgartban, Németországban található. Gyártó és forgalmazó központjai a világ minden táján, többek között Észak-Amerikában, Ausztráliában és Ázsiában találhatók. A Bosch által gyártott autóalkatrészek sorában szerepelnek a generátorok, indítók, motorpozíció-érzékelők, gyújtáselemek, üzemanyagrendszerek, akkumulátorok, kormányrendszerek és ablaktörlő lapátok. A Bosch 1887-ben vezette be az első kisfeszültségű mágneszáras gyújtást a helyhez kötött benzinmotorokhoz. Egy évtizeddel később, 1897-ben a Bosch bevezette a belső égésű motorok mágneszáras gyújtószerkezeteit. 1902-ben a márka piacra dobta első sikeres nagyfeszültségű gyújtógyertyáit. A Bosch 1913-ban és 1926-ban kezdett el fényszórók és ablaktörlők gyártásával foglalkozni. 1927-ben a márka mérföldkövet ért el az első dízel üzemanyag-befecskendező szivattyú bevezetésével. Ez a rendszer a modern dízel befecskendező rendszer előfutára volt. Az első személyautó dízel befecskendező szivattyút 1936-ban építették be egy Mercedes-Benz járműbe. A Bosch 1976-ban kezdett oxigénérzékelőket kínálni. 1978-ban a vállalat bevezette a blokkolásgátló fékrendszert (ABS), amely az ABS-érzékelő segítségével megakadályozza a kerekek blokkolását csúszós útviszonyok között. A Bosch a kipörgésgátló rendszerek, az elektronikus menetstabilizáló programok (ESP), az autórádiók és a fedélzeti navigációs rendszerek specializációjáról is ismert. 1986-ban és 1995-ben jelentek meg a Bosch kipörgésgátló rendszerei, illetve ESP-jei. 1980-ban a Bosch elsőként vezette be az elektronikus légzsákvezérlő rendszereket a járművekben. Ezeket kezdetben a Mercedes S-osztályú autókban alkalmazták. A vállalat 2010-ben elsőként vezette be az automatikus vészfékező mechanizmust. Ez a rendszer figyelmezteti a vezetőt, hogy fékezzen, ha az autó közelében lévő tárgyat észlel, és úgy érzi, hogy ütközés fenyeget. Ha a vezető nem reagál, a rendszer automatikusan aktiválja a fékező mechanizmust, hogy megállítsa a járművet. A Bosch hibrid rendszereket is szállít különböző márkákhoz, többek között a Peugeot-hoz, a Volkswagenhez és a Porschéhez.
Tovább olvasom