Powered by Smartsupp Nissan 23151JD20A pulley-alternat
Univerzális menü

Nissan 23151JD20A pulley-alternat

Cikkszám: 23151JD20A
Gyártó: Nissan
Kártyaszám: 10771862
Termékfotó
Hella generátor szabadonfutó 39,8mm,tartó-/vezetőcsuklóval
Gyártó: HELLA
Cikkszám: 9XU 358 038-861
Kártyaszám: 2581237
16
15 850 Ft-tól
Szíjtárcsa és generátor távolsága [mm]:
14
Beépítési mélység [mm]:
17
Külső átmérő [mm]:
54
gyártószámhoz:
F-557045.XX
Gyártó korlátozás:
Mitsubishi Electric
Szélesség [mm]:
39,8
Menetméret:
M17x1,5
Belső átmérő [mm]:
17
Szíjtárcsaátmérő [mm]:
50
Forgásirány:
óramutató járásával megegyező forgásirány
Kiegészítő cikk/kiegészítő info 2:
tartó-/vezetőcsuklóval
Rovátkák száma:
6
Szakszemélyz. végzett összeszerelés/szétszerelés szükséges!:
Kiegészítő cikk/kiegészítő info 2:
fedéllel
Termékfotó
Ina generátor szabadonfutó 39,8mm,a szereléshez speciális szerszám szükséges
Gyártó: Schaeffler INA
Cikkszám: 535 0146 10
Kártyaszám: 2581238
24
10 500 Ft-tól
Rovátkák száma:
6
Első rovátka távolsága [mm]:
14,04
Szélesség [mm]:
39,8
Átmérő 1/átmérő 2 [mm]:
49,8/17,0
gyártószámhoz:
F-557045.XX
Kiegészítő cikk/kiegészítő info 2:
a szereléshez speciális szerszám szükséges
Szervizinformáció figyelembe veendő:
SVHC:
Nem található SVHC anyag!
Első rovátka távolsága [mm]:
14
Termékfotó
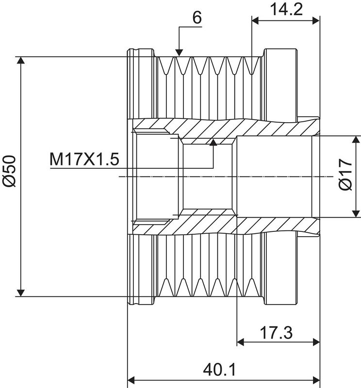
Valeo generátor szabadonfutó 40,1mm
Gyártó: VALEO
Cikkszám: 588081
Kártyaszám: 2581248
14
13 530 Ft-tól
Külső átmérő [mm]:
50
Szélesség [mm]:
40,1
Menetméret:
M17
Rovátkák száma:
6
Mélység [mm]:
17,3
Furatátmérő [mm]:
17
Csavarfej/anya profil:
Torx
Forgásirány:
óramutató járásával megegyező forgásirány
Tömeg [kg]:
0,44
Külső átmérő [mm]:
53,3
Első rovátka távolsága [mm]:
14,2
Termékfotó
Febi Bilstein generátor szabadonfutó 40mm,fedéllel
Gyártó: Febi Bilstein
Cikkszám: 49516
Kártyaszám: 2638222
30
14 690 Ft-tól
Szélesség [mm]:
40
Belső átmérő [mm]:
17
Külső átmérő [mm]:
53
Bordák száma:
6
Tömeg [kg]:
0,39
Kiegészítő cikk/kiegészítő info 2:
fedéllel
OE-számhoz:
23151-JD20A
Termékfotó
Kamoka generátor szabadonfutó 39,8mm
Gyártó: KAMOKA
Cikkszám: RC084
Kártyaszám: 2638224
9
8 430 Ft-tól
Belső átmérő [mm]:
17
Külső átmérő [mm]:
53,5
Szélesség [mm]:
39,8
Bordák száma:
6
Fogszám:
33
Külső átmérő [mm]:
53
Szélesség [mm]:
39
Termékfotó
Maxgear generátor szabadonfutó
Gyártó: Maxgear
Cikkszám: 30-0204
Kártyaszám: 20302486
14
7 380 Ft-tól
gyártószámhoz:
F-557045.XX
Rovátkák száma:
6
Első rovátka távolsága [mm]:
14
Szélesség [mm]:
39,8
Kiegészítő cikk/kiegészítő info 2:
a szereléshez speciális szerszám szükséges
Szervizinformáció figyelembe veendő:
További termékek
Tovább olvasom