Powered by Smartsupp Audi A6 C5 1997-2005 (4B2) hátsótengely féktárcsa
Univerzális menü

Blue Print féktárcsa bevonatolt,belső hűtésű

Audi A6 3.7 benzin,A6 4.2 benzin,Allroad 4.2 benzin
Cikkszám: ADV1843100
Gyártó: BLUE PRINT
Kártyaszám: 1227791
Termékfotó
Febi Bilstein féktárcsa bevonatolt,belső hűtésű
Gyártó: Febi Bilstein
Cikkszám: 44125
Kártyaszám: 1227792
24
19 900 Ft-tól
Féktárcsavastagság [mm]:
22
Keréktárcsa lyukszáma:
5
Vastagság [mm]:
47,9
Külső átmérő [mm]:
269
lyukkörátmérő [mm]:
112
Felület:
bevonatolt
Féktárcsa fajta:
Belső hűtésű
Beépítési oldal:
hátsótengely
Minimális vastagság [mm]:
20
Centrírozási átmérő [mm]:
68
Tömeg [kg]:
4,78
Szervizinformáció figyelembe veendő:
Termékfotó
A.B.S. féktárcsa bevonatolt,szellőztetett
Gyártó: A.B.S.
Cikkszám: 18091
Kártyaszám: 1229695
22
12 550 Ft-tól
Külső átmérő [mm]:
269
Féktárcsavastagság [mm]:
22
Minimális vastagság [mm]:
20
Magasság [mm]:
48
Keréktárcsa lyukszáma:
5
Féktárcsa fajta:
Szellőztetett
Agyátmérő [mm]:
68
Felület:
bevonatolt
Tömeg [kg]:
4,78
Agyátmérő [mm]:
148,3
Magasság [mm]:
47,9
lyukkörátmérő [mm]:
112
Agyátmérő [mm]:
148
Termékfotó
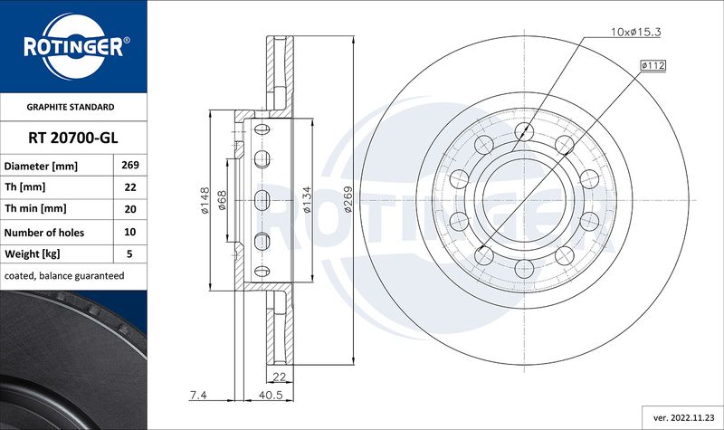
Rotinger féktárcsa galvanikus bevonattal,szellőztetett
Gyártó: ROTINGER
Cikkszám: RT 20700-GL
Kártyaszám: 1229727
9
18 490 Ft-tól
Féktárcsa fajta:
Szellőztetett
Felület:
galvanikus bevonattal
Beépítési oldal:
hátsótengely
Külső átmérő [mm]:
269
Belső átmérő [mm]:
134
Centrírozási átmérő [mm]:
68
Magasság [mm]:
47,9
Féktárcsavastagság [mm]:
22
Minimális vastagság [mm]:
20
Lyukszám:
10
Menetméret:
15,3
Tömeg [kg]:
5
lyukkörátmérő [mm]:
112
Termékfotó
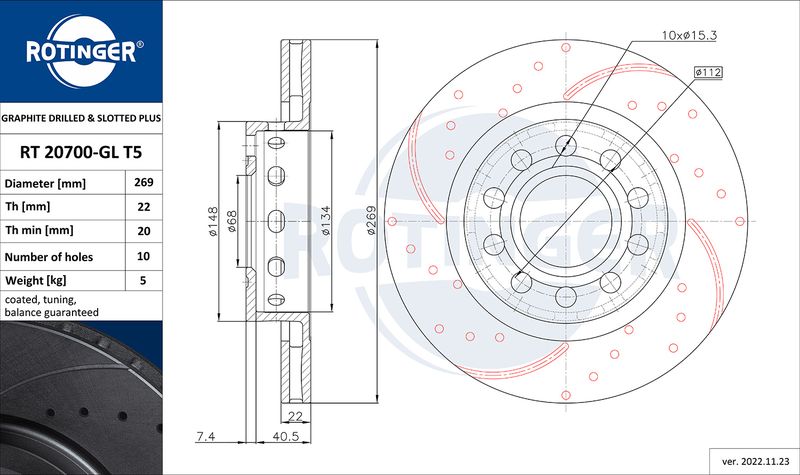
Rotinger féktárcsa galvanikus bevonattal,szellőztetett
Gyártó: ROTINGER
Cikkszám: RT 20700-GL T5
Kártyaszám: 1229729
9
26 550 Ft-tól
Féktárcsa fajta:
Szellőztetett
Felület:
galvanikus bevonattal
Beépítési oldal:
hátsótengely
Külső átmérő [mm]:
269
Belső átmérő [mm]:
134
Centrírozási átmérő [mm]:
68
Magasság [mm]:
47,9
Féktárcsavastagság [mm]:
22
Minimális vastagság [mm]:
20
Lyukszám:
10
Menetméret:
15,3
Tömeg [kg]:
5
lyukkörátmérő [mm]:
112
Féktárcsa fajta:
Lyuggatott
Termékfotó
TRW féktárcsa lakkozott,szellőztetett
Gyártó: TRW
Cikkszám: DF4719
Kártyaszám: 1229733
10
25 390 Ft-tól
Menetméret:
15,3
Külső átmérő [mm]:
269
Féktárcsavastagság [mm]:
22
Minimális vastagság [mm]:
20
Magasság [mm]:
47,8
Lyukszám:
10
Centrírozási átmérő [mm]:
68
lyukkörátmérő [mm]:
112
Féktárcsa fajta:
Szellőztetett
Szín:
fekete
Felület:
lakkozott
SVHC:
Nincs információ, kérem, forduljon a gyártóhoz!
Termékfotó
Bosch féktárcsa bevonatolt,szellőztetett
Gyártó: BOSCH
Cikkszám: 0 986 479 366
Kártyaszám: 1230043
12
41 690 Ft-tól
Külső átmérő [mm]:
269
Féktárcsavastagság [mm]:
22
Minimális vastagság [mm]:
20
Magasság [mm]:
47,9
lyukkörátmérő [mm]:
112
Féktárcsa fajta:
Szellőztetett
Centrírozási átmérő [mm]:
68
Lyukszám:
10
Felület:
bevonatolt
Feldolgozás:
magas széntartalmú
ECE-szabvány szerinti:
ECE-R90
Furatátmérőig [mm]:
15,3
Termékfotó
Delphi féktárcsa olajozott,szellőztetett
Gyártó: DELPHI
Cikkszám: BG4058
Kártyaszám: 1231734
12
39 460 Ft-tól
Féktárcsa fajta:
Szellőztetett
Lyukszám:
5
Vizsgálat jelzés:
E1 90R-02C0289/0504
Kiegészítő cikk/kiegészítő info 2:
kerékcsapágy nélkül
Kiegészítő cikk/kiegészítő info 2:
ABS-érzékelőgyűrű nélkül
Felület:
olajozott
Feldolgozás:
magas széntartalmú
Külső átmérő [mm]:
269
Féktárcsavastagság [mm]:
22
Minimális vastagság [mm]:
20
Centrírozási átmérő [mm]:
68
Magasság [mm]:
48
Termékfotó
TRW féktárcsa lakkozott,tele
Gyártó: TRW
Cikkszám: DF1658
Kártyaszám: 1813547
18
10 810 Ft-tól
Felület:
lakkozott
Féktárcsa fajta:
Tele
Külső átmérő [mm]:
239
Féktárcsavastagság [mm]:
10
Minimális vastagság [mm]:
8
Centrírozási átmérő [mm]:
63,5
Magasság [mm]:
43
Lyukszám:
4
Menetméret:
13,6
lyukkörátmérő [mm]:
108
Kiegészítő cikk/kiegészítő info 2:
csavarokkal
Szín:
fekete
SVHC:
Nincs információ, kérem, forduljon a gyártóhoz!
További termékek
Féktárcsavastagság [mm]
22
Keréktárcsa lyukszáma
5
Vastagság [mm]
48
Külső átmérő [mm]
269
lyukkörátmérő [mm]
112
Felület
bevonatolt
Féktárcsa fajta
Belső hűtésű
Beépítési oldal
hátsótengely
Minimális vastagság [mm]
20
Centrírozási átmérő [mm]
68
Tömeg [kg]
4,78
Szervizinformáció figyelembe veendő
Tovább olvasom

3.7 benzin (3.7 40V 191kw 260LE 3697ccm) Eng.code: AQG Type id: 10940

3.7 quattro benzin (3.7 40V 191kw 260LE 3697ccm) Eng.code: AQG Type id: 11359

4.2 quattro benzin (4.2 40V 220kw 299LE 4172ccm) Eng.code: ARS,ART,ASG,AWN Type id: 10941

S6 quattro benzin (4.2 40V 250kw 340LE 4172ccm) Eng.code: ANK,AQJ Type id: 13168

3.7 benzin (3.7 40V 191kw 260LE 3697ccm) Eng.code: AQG Type id: 11361

3.7 quattro benzin (3.7 40V 191kw 260LE 3697ccm) Eng.code: AQG Type id: 11360

4.2 quattro benzin (4.2 40V 220kw 299LE 4172ccm) Eng.code: ARS,ASG Type id: 11362

S6 quattro benzin (4.2 40V 250kw 340LE 4172ccm) Eng.code: ANK,AQJ,BBD Type id: 13169

4.2 V8 quattro benzin (4.2 40V 220kw 299LE 4163ccm) Eng.code: BAS Type id: 16733

Tovább olvasom
A Blue Print a Bilstein csoport márkájaA minőség pecsétje az autóipari utángyártott termékek piacán. A bilstein csoport a világ egyik vezető specialistája a független alkatrészpiacon és javítási megoldásokat kínál az összes népszerű személygépkocsi- és haszongépjármű-márka számára.A bilstein csoport a magas minőségi színvonalat kombinálja az ügyfélközpontúsággal és a hosszú távú gyártói és beszállítói tapasztalattal.A családi kézben lévő független vállalatcsoport egyetlen erős tető alatt egyesíti a Febi a SWAG és a Blue Print neves termékmárkákat. A csoport együttesen több mint 62.000 különböző alkatrészt kínál a független utángyártott termékek piacán.Tapasztalja meg Ön is a bilstein csoport lenyűgöző szolgáltatási kínálatát és a megbízhatóság hírnevét. Jelenleg a világ 170 országában képviselteti magát több mint 2100 alkalmazottal 3 központi elosztóközpontban és 21 leányvállalatban.
Tovább olvasom