Powered by Smartsupp Continental Ctam generátor szabadonfutó a szereléshez speciális szerszám szükség
Univerzális menü

Continental Ctam generátor szabadonfutó a szereléshez speciális szerszám szükség

Alfa Romeo,Citroen,Fiat,Lancia,Opel,Peugeot
Cikkszám: AP9082
Gyártó: Continental Automotive
Kártyaszám: 13932527
Termékfotó
Ina generátor szabadonfutó 39,4mm,a szereléshez speciális szerszám szükséges
Gyártó: Schaeffler INA
Cikkszám: 535 0151 10
Kártyaszám: 1053458
48
9 570 Ft-tól
Rovátkák száma:
6
Első rovátka távolsága [mm]:
9,2
Szélesség [mm]:
39,4
Átmérő 1/átmérő 2 [mm]:
54,0/17,0
gyártószámhoz:
F-557928.XX
Kiegészítő cikk/kiegészítő info 2:
a szereléshez speciális szerszám szükséges
Szervizinformáció figyelembe veendő:
SVHC:
Nem található SVHC anyag!
Termékfotó
Snr generátor szabadonfutó
Gyártó: SNR
Cikkszám: GA753.03
Kártyaszám: 1062917
15
12 700 Ft-tól
Tömeg [g]:
465
Külső átmérő 1 [mm]:
54,02
Szélesség 1 [mm]:
39,4
Külső átmérő 1 [mm]:
54
Szélesség 1 [mm]:
39
A javasolt célszerszám cikkszáma:
Clas : OM3789
Termékfotó
Valeo generátor szabadonfutó 39,5mm,a szereléshez speciális szerszám szükséges
Gyártó: VALEO
Cikkszám: 588012
Kártyaszám: 1062918
19
10 980 Ft-tól
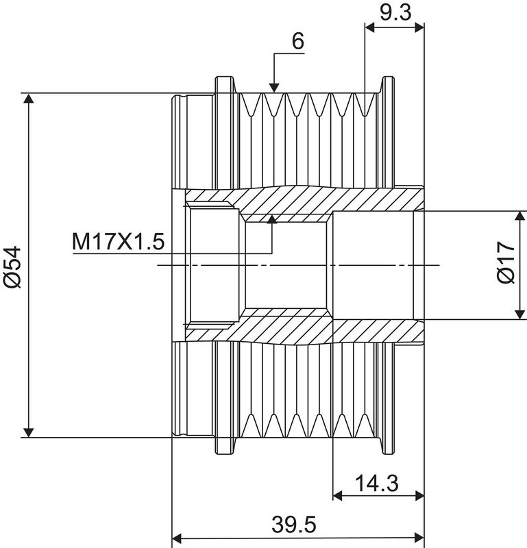
Átmérő [mm]:
54
Szélesség [mm]:
39,5
Menetméret:
M17
Bordák száma:
6
Mélység [mm]:
14,3
Furatátmérő [mm]:
17
Csavarfej/anya profil:
Torx
Forgásirány:
óramutató járásával megegyező forgásirány
Kiegészítő cikk/kiegészítő info 2:
a szereléshez speciális szerszám szükséges
Tömeg [kg]:
0,5
Külső átmérő [mm]:
54
Rovátkák száma:
6
Külső átmérő [mm]:
59,2
Első rovátka távolsága [mm]:
9,3
Termékfotó
MaxGear generátor szabadonfutó 39,4mm,a szereléshez speciális szerszám szükséges
Gyártó: Maxgear
Cikkszám: 30-0158
Kártyaszám: 1612453
34
7 080 Ft-tól
Rovátkák száma:
6
Első rovátka távolsága [mm]:
9,2
Szélesség [mm]:
39,4
Átmérő 1/átmérő 2 [mm]:
54,0/17,0
gyártószámhoz:
F-557928.XX
Kiegészítő cikk/kiegészítő info 2:
a szereléshez speciális szerszám szükséges
Szervizinformáció figyelembe veendő:
Termékfotó
Gates generátor szabadonfutó 39mm
Gyártó: GATES
Cikkszám: OAP7113
Kártyaszám: 1613327
26
12 110 Ft-tól
A javasolt célszerszám cikkszáma:
GAT4955A
Rovátkák száma:
6
Külső átmérő [mm]:
59
Belső átmérő [mm]:
17
Szélesség [mm]:
39
A javasolt célszerszám cikkszáma:
GAT4955B
Járműtípushoz alkalmas:
Szgj.
Termékfotó
Febi Bilstein generátor szabadonfutó 23mm,39mm,fedéllel
Gyártó: Febi Bilstein
Cikkszám: 33160
Kártyaszám: 2661896
52
14 010 Ft-tól
Szélesség [mm]:
23
Szélesség [mm]:
39
Külső átmérő [mm]:
54
Belső menet [mm]:
M16 x 1,5
Tömeg [kg]:
0,46
Bordák száma:
6
OE-számhoz:
77364723
Kiegészítő cikk/kiegészítő info 2:
fedéllel
OE-számhoz:
77362377
További termékek

OE referencia számok listája:
(Az azonosító számokat rendelés előtt mindig pontosítani kell a járműgyártói dokumentációkban!)

ALFA ROMEO (77364723)

CHRYSLER (77364723)

CITROEN (1614171380)

FIAT (51805799)
FIAT (51805800)
FIAT (51805801)
FIAT (51829383)
FIAT (51854909)
FIAT (51854910)
FIAT (51854911)
FIAT (51854912)
FIAT (51880173)
FIAT (670050552)
FIAT (77364723)
LANCIA (77364723)

OPEL (1202271)
OPEL (1204426)
OPEL (1204429)
OPEL (6204201)
OPEL (6204212)
OPEL (6204213)
OPEL (6204229)
OPEL (6204257)
OPEL (6204258)
OPEL (6204259)
OPEL (6204261)
OPEL (6204273)
OPEL (6204280)
OPEL (6204281)
OPEL (6204282)
OPEL (6204283)
OPEL (93185282)
OPEL (93192215)
OPEL (62 04 286)
VAUXHALL (93185282)
VAUXHALL (93192215)

GENERAL MOTORS (13222934)
GENERAL MOTORS (13222935)
GENERAL MOTORS (13222936)
GENERAL MOTORS (13243463)

GENERAL MOTORS (13256928)
GENERAL MOTORS (13256929)
GENERAL MOTORS (13256931)
GENERAL MOTORS (13256932)
GENERAL MOTORS (13256933)
GENERAL MOTORS (93169024)

GENERAL MOTORS (93183381)
GENERAL MOTORS (93185260)
GENERAL MOTORS (93185261)

GENERAL MOTORS (93190915)
GENERAL MOTORS (95511912)
GENERAL MOTORS (93185282)
GENERAL MOTORS (93192215)


Tovább olvasom
Tömeg [kg]
0,497
Csomagolási szélesség [cm]
9
Csomagolási hossz [cm]
11
Csomagolási magasság [cm]
6
Kiegészítő cikk/kiegészítő info 2
a szereléshez speciális szerszám szükséges
Szélesség [mm]
39,4
Átmérő 1/átmérő 2 [mm]
54,0/17,0
Csomagolási hossz [mm]
11
Tovább olvasom

1.3 MultiJet (955AXH1B, 955AXT1A) diesel (1.2 16V 66kw 90LE 1248ccm) Eng.code: 199A3.000,955B2.000 Type id: 31646

1.3 MultiJet (955AXP1A, 955AYC1A) diesel (1.2 16V 70kw 95LE 1248ccm) Eng.code: 199B1.000,330A1.000 Type id: 32743

1.3 HDi 75 diesel (1.2 16V 55kw 75LE 1248ccm) Eng.code: FHZ(F13DTE5) Type id: 3083

1.3 HDi 75 diesel (1.2 16V 55kw 75LE 1248ccm) Eng.code: FHZ(F13DTE5) Type id: 6382

1.3 D Multijet (312AXE1A) diesel (1.2 16V 70kw 95LE 1248ccm) Eng.code: 199B1.000,312B1.000 Type id: 33353

1.3 D Multijet (312CXE1A, 312AXE1A) diesel (1.2 16V 70kw 95LE 1248ccm) Eng.code: 199B1.000,312B1.000 Type id: 32828

1.3 D Multijet (334AXH1A) diesel (1.2 16V 70kw 95LE 1248ccm) Eng.code: 55266963,55283775 Type id: 115781

1.4 (334AXC1B, 334AXC11) benzin (1.4 16V 103kw 140LE 1368ccm) Eng.code: 55263624 Type id: 108300

1.3 D Multijet diesel (1.2 16V 62kw 84LE 1248ccm) Eng.code: 223A9.000 Type id: 19324

1.3 JTD diesel (1.2 16V 55kw 75LE 1248ccm) Eng.code: 199A2.000 Type id: 28536

1.3 D Multijet diesel (1.2 16V 55kw 75LE 1248ccm) Eng.code: 199A2.000 Type id: 19330

1.3 JTD 16V Multijet diesel (1.2 16V 62kw 84LE 1248ccm) Eng.code: 223A9.000 Type id: 5260

1.3 JTD 16V diesel (1.2 16V 51kw 70LE 1248ccm) Eng.code: 188A8.000,188A9.000 Type id: 18206

1.3 D Multijet (263WXU1A, 263ZXU1A, 263WYB1A, 263ZYB1A) diesel (1.2 16V 70kw 95LE 1248ccm) Eng.code: 330A1.000,55283775 Type id: 119852

1.3 D Multijet (263ZXT1A, 263WXT1A, 263ZYA1A, 263WYA1A) diesel (1.2 16V 59kw 80LE 1248ccm) Eng.code: 225A2.000,55283775 Type id: 119854

1.3 D Multijet diesel (1.2 16V 66kw 90LE 1248ccm) Eng.code: 199A3.000,263A2.000 Type id: 33402

1.3 D Multijet (263HXT1A, 263YXT1A, 263YYA1A, 263HYA1A) diesel (1.2 16V 59kw 80LE 1248ccm) Eng.code: 225A2.000,55283775 Type id: 119856

1.3 D Multijet (263HXU1A, 263YXU1A, 263HYB1A, 263YYB1A) diesel (1.2 16V 70kw 95LE 1248ccm) Eng.code: 330A1.000,55283775 Type id: 119855

1.3 D Multijet diesel (1.2 16V 55kw 75LE 1248ccm) Eng.code: 263A6.000 Type id: 100767

1.3 D Multijet diesel (1.2 16V 66kw 90LE 1248ccm) Eng.code: 199A3.000,263A2.000 Type id: 9298

1.3 D Multijet (263AXC1A) diesel (1.2 16V 66kw 90LE 1248ccm) Eng.code: 199A3.000,263A2.000 Type id: 33397

1.3 D Multijet (263AXU1A, 263AYB1A) diesel (1.2 16V 70kw 95LE 1248ccm) Eng.code: 330A1.000,55283775 Type id: 119853

1.3 D Multijet (225BXD1A, 225BXB1A, 225BXB11) diesel (1.2 16V 55kw 75LE 1248ccm) Eng.code: 199A2.000,199A9.000 Type id: 26660

1.3 D Multijet diesel (1.2 16V 59kw 80LE 1248ccm) Eng.code: 225A2.000,46345266,55283775 Type id: 115153

1.3 D Multijet diesel (1.2 16V 70kw 95LE 1248ccm) Eng.code: 199B1.000,330A1.000,46345266 Type id: 2142

1.3 JTD Multijet diesel (1.2 16V 59kw 80LE 1248ccm) Eng.code: 225A2.000,46345266 Type id: 152921

1.3 JTD Multijet diesel (1.2 16V 70kw 95LE 1248ccm) Eng.code: 199B1.000,330A1.000,46345266 Type id: 142888

1.3 D Multijet (199.AXD11, 199.AXD1A, 199.AXD1B,... diesel (1.2 16V 66kw 90LE 1248ccm) Eng.code: 199A3.000 Type id: 18900

1.3 D Multijet diesel (1.2 16V 51kw 69LE 1248ccm) Eng.code: 199B2.000 Type id: 5931

1.3 D Multijet diesel (1.2 16V 55kw 75LE 1248ccm) Eng.code: 199A2.000,199A9.000 Type id: 18899

1.3 D Multijet diesel (1.2 16V 51kw 70LE 1248ccm) Eng.code: 188A9.000 Type id: 17841

1.3 D Multijet diesel (1.2 16V 66kw 90LE 1248ccm) Eng.code: 199A3.000 Type id: 20089

1.3 D Multijet diesel (1.2 16V 70kw 95LE 1248ccm) Eng.code: 199B1.000 Type id: 9310

1.3 D Multijet (323AXB11, 323AXB1A) diesel (1.2 16V 66kw 90LE 1248ccm) Eng.code: 199A3.000 Type id: 23227

1.3 D Multijet (323AXB1A) diesel (1.2 16V 70kw 95LE 1248ccm) Eng.code: 199A3.000 Type id: 24271

1.3 JTD Multijet (323AXB1A) diesel (1.2 16V 63kw 86LE 1248ccm) Eng.code: 199A3.000 Type id: 133594

1.3 D Multijet (312PXL1A) diesel (1.2 16V 55kw 75LE 1248ccm) Eng.code: 199A1.000,199A9.000 Type id: 14008

1.3 D Multijet (312PXU1A, 312PXW1A) diesel (1.2 16V 70kw 95LE 1248ccm) Eng.code: 199B1.000,312B1.000,330A1.000 Type id: 114582

1.3 D Multijet 4x4 (312PXL1A) diesel (1.2 16V 55kw 75LE 1248ccm) Eng.code: 199A1.000,199A9.000 Type id: 56740

1.3 D Multijet 4x4 (312PXS2A) diesel (1.2 16V 59kw 80LE 1248ccm) Eng.code: 199A9.000,225A2.000,312A8.000,312B2.000 Type id: 108020

1.3 D Multijet 4x4 (312PXU1A) diesel (1.2 16V 70kw 95LE 1248ccm) Eng.code: 199B1.000,312B1.000,330A1.000 Type id: 114583

1.3 D Multijet diesel (1.2 16V 55kw 75LE 1248ccm) Eng.code: 199A2.000,199A9.000 Type id: 7864

1.3 D Multijet diesel (1.2 16V 70kw 95LE 1248ccm) Eng.code: 199B1.000 Type id: 12203

1.3 D Multijet diesel (1.2 16V 70kw 95LE 1248ccm) Eng.code: 199B1.000,330A1.000 Type id: 26496

1.3 JTD Multijet (199.AYR1A, 199.BYR1A) diesel (1.2 16V 66kw 90LE 1248ccm) Eng.code: 955B2.000 Type id: 120770

1.3 D Multijet (199AXC1A, 199BXC1A, 199AXT1A, 199BXT1A) diesel (1.2 16V 55kw 75LE 1248ccm) Eng.code: 199A2.000,199A9.000 Type id: 32251

1.3 D Multijet (199AXD1B, 199AXD1A, 199BXD1B, 199BXD1A,... diesel (1.2 16V 66kw 90LE 1248ccm) Eng.code: 199A3.000 Type id: 32824

1.3 D Multijet diesel (1.2 16V 51kw 69LE 1248ccm) Eng.code: 199B2.000 Type id: 5940

1.3 D Multijet diesel (1.2 16V 62kw 84LE 1248ccm) Eng.code: 199B4.000,223A9.000 Type id: 1865

1.3 D Multijet diesel (1.2 16V 70kw 95LE 1248ccm) Eng.code: 199B1.000 Type id: 32252

1.3 D Multijet (225AXE1A, 225CXE1A, 225AXH1A, 225AXL1A,... diesel (1.2 16V 70kw 95LE 1248ccm) Eng.code: 199B1.000,330A1.000,55283775 Type id: 3247

1.3 D Multijet (225AXG1A, 225CXG1A, 225AXG11, 225CXG11) diesel (1.2 16V 59kw 80LE 1248ccm) Eng.code: 225A2.000 Type id: 115155

1.3 D Multijet (225CXB1A, 225AXB1A, 225CXB11, 225AXB11,... diesel (1.2 16V 55kw 75LE 1248ccm) Eng.code: 199A2.000,199A9.000 Type id: 29487

1.3 D Multijet (350.AXG11, 350.AXG1A) diesel (1.2 16V 66kw 90LE 1248ccm) Eng.code: 199A3.000 Type id: 23357

1.3 D Multijet (843.AXE11, 843.AXE1A) diesel (1.2 16V 66kw 90LE 1248ccm) Eng.code: 199A3.000 Type id: 20034

1.0 (F68) benzin (1.0 12V 44kw 60LE 998ccm) Eng.code: Z10XEP Type id: 17574

1.2 16V Twinport (F68) benzin (1.2 16V 59kw 80LE 1229ccm) Eng.code: Z12XEP Type id: 18230

1.3 CDTI (F68) diesel (1.2 16V 51kw 70LE 1248ccm) Eng.code: Z13DT Type id: 17575

1.2 16V (F08, F48) benzin (1.2 16V 55kw 75LE 1199ccm) Eng.code: Z12XE Type id: 15337

1.2 (L48) benzin (1.2 16V 59kw 80LE 1229ccm) Eng.code: Z12XEP Type id: 28009

1.3 CDTI (L48) diesel (1.2 16V 66kw 90LE 1248ccm) Eng.code: Z13DTH Type id: 19113

1.4 (L48) benzin (1.4 16V 55kw 75LE 1364ccm) Eng.code: Z14XEL Type id: 9956

1.4 LPG (L48) benzin/LPG (1.4 16V 66kw 90LE 1364ccm) Eng.code: Z14XEP Type id: 9949

1.3 CDTI (L35) diesel (1.2 16V 66kw 90LE 1248ccm) Eng.code: Z13DTH Type id: 19115

1.4 (L35) benzin (1.4 16V 55kw 75LE 1364ccm) Eng.code: Z14XEL Type id: 9156

1.4 LPG (L35) benzin/LPG (1.4 16V 66kw 90LE 1364ccm) Eng.code: Z14XEP Type id: 6044

1.3 CDTI (L48) diesel (1.2 16V 66kw 90LE 1248ccm) Eng.code: Z13DTH Type id: 122663

1.4 (L08) benzin (1.4 16V 55kw 75LE 1364ccm) Eng.code: Z14XEL Type id: 9948

1.3 CDTI 16V diesel (1.2 16V 51kw 69LE 1248ccm) Eng.code: Z13DT Type id: 19147

1.3 CDTI (B05) diesel (1.2 16V 66kw 90LE 1248ccm) Eng.code: A13FD Type id: 13932

1.0 (F08, F68) benzin (1.0 12V 43kw 58LE 973ccm) Eng.code: Z10XE Type id: 14910

1.2 (F08, F68) benzin (1.2 16V 55kw 75LE 1199ccm) Eng.code: Z12XE Type id: 14911

1.3 CDTI (F08, F68) diesel (1.2 16V 51kw 70LE 1248ccm) Eng.code: Y13DT,Z13DT Type id: 17696

1.3 CDTI 16V (F08, W5L) diesel (1.2 16V 51kw 69LE 1248ccm) Eng.code: Z13DT Type id: 19145

1.3 CDTI (L08, L68) diesel (1.2 16V 66kw 90LE 1248ccm) Eng.code: Z13DTH Type id: 19726

1.3 CDTI (L08) diesel (1.2 16V 70kw 95LE 1248ccm) Eng.code: A13DTE,A13DTR,Z13DTE Type id: 9175

1.3 CDTI (E75) diesel (1.2 16V 51kw 69LE 1248ccm) Eng.code: Y13DT,Z13DT Type id: 22560

1.3 CDTI (E75) diesel (1.2 16V 55kw 75LE 1248ccm) Eng.code: Z13DTJ Type id: 19290

1.3 CDTI (75) diesel (1.2 16V 70kw 95LE 1248ccm) Eng.code: A13DTE Type id: 33852

1.4 (R97) benzin (1.4 16V 66kw 90LE 1364ccm) Eng.code: Z14XEP Type id: 18177

1.3 HDi 75 diesel (1.2 16V 55kw 75LE 1248ccm) Eng.code: FHZ(F13DTE5) Type id: 6655

1.3 HDi 75 diesel (1.2 16V 55kw 75LE 1248ccm) Eng.code: FHZ(F13DTE5) Type id: 6653

Tovább olvasom
Tovább olvasom