Powered by Smartsupp Ford KUGA I 2008-2012 generátor szabadonfutó
Univerzális menü

Ina generátor szabadonfutó 36,1mm,a szereléshez speciális szerszám szükséges

Ford Kuga,Volvo C30,C70,S40,V40,V50
Cikkszám: 535 0161 10
Gyártó: Schaeffler INA
Kártyaszám: 1893036
Termékfotó
As-pl generátor szabadonfutó
Gyártó: AS-PL
Cikkszám: AFP0067
Kártyaszám: 1893816
9
11 880 Ft-tól
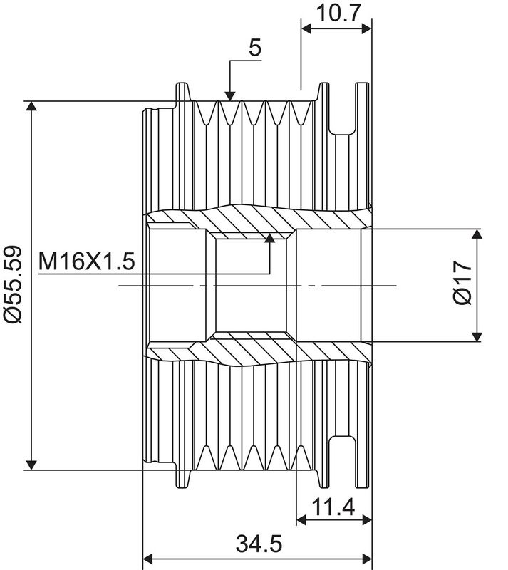
Külső átmérő [mm]:
55,5
Belső átmérő [mm]:
17
Hossz 1 [mm]:
34,5
Rovátkák száma:
5
Menetméret:
M16x1,5
Hossz 2 [mm]:
10,5
Minőség:
STANDARD LINE
új alkatrész betét nélkül:
Termékfotó
Valeo generátor szabadonfutó 35mm
Gyártó: VALEO
Cikkszám: 588114
Kártyaszám: 1893821
7
16 540 Ft-tól
Szélesség [mm]:
35
Menetméret:
M16
Rovátkák száma:
5
Mélység [mm]:
11,4
Furatátmérő [mm]:
17
Csavarfej/anya profil:
Torx
Forgásirány:
óramutató járásával megegyező forgásirány
Tömeg [kg]:
0,51
Külső átmérő [mm]:
61
Szélesség [mm]:
34,5
Első rovátka távolsága [mm]:
10,7
Termékfotó
Skf generátor szabadonfutó 34,4mm
Gyártó: SKF
Cikkszám: VKM 03654
Kártyaszám: 3219530
11
17 090 Ft-tól
Szélesség [mm]:
34,4
Bordák száma:
5
Belső átmérő [mm]:
17
Külső átmérő [mm]:
60,8
gyártószámhoz:
F-557564.XX
Kiegészítő cikk/kiegészítő info 2:
a szereléshez speciális szerszám szükséges
További termékek

OE referencia számok listája:
(Az azonosító számokat rendelés előtt mindig pontosítani kell a járműgyártói dokumentációkban!)

FORD (1541451)
FORD (2099471)
FORD (6M5J10300SA)
FORD (6M5J10300SA)
FORD (6M5T10300SA)
FORD (6M5T10300SA)
FORD (AM5T10300SA)
FORD (AM5T10300SA)

VOLVO (30667980)
VOLVO (30773111)
VOLVO (31288879)
VOLVO (31288880)
VOLVO (36000207)
VOLVO (36000613)
VOLVO (36001497)


Tovább olvasom
gyártószámhoz
F-557564.XX
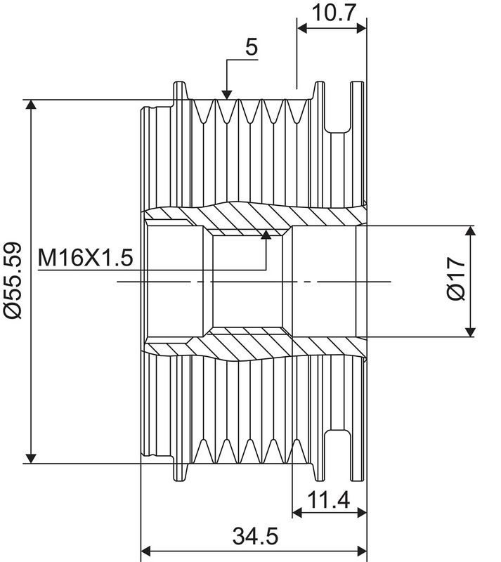
Rovátkák száma
5
Első rovátka távolsága [mm]
10,6
Szélesség [mm]
36,1
Átmérő 1/átmérő 2 [mm]
55,7/17,0
Kiegészítő cikk/kiegészítő info 2
a szereléshez speciális szerszám szükséges
Szervizinformáció figyelembe veendő
Beépítési útmutatót figyelembe venni
SVHC
Nem található SVHC anyag!
Tovább olvasom

2.5 4x4 benzin (2.5 20V 147kw 200LE 2522ccm) Eng.code: HYDB,HYDC Type id: 30899

2.4 i benzin (2.4 20V 125kw 170LE 2435ccm) Eng.code: B5244S4 Type id: 19811

D3 diesel (2.0 20V 110kw 150LE 1984ccm) Eng.code: D5204T5 Type id: 6268

D4 diesel (2.0 20V 130kw 177LE 1984ccm) Eng.code: D5204T Type id: 6269

D5 diesel (2.4 20V 120kw 163LE 2400ccm) Eng.code: D5244T9 Type id: 28033

D5 diesel (2.4 20V 132kw 180LE 2400ccm) Eng.code: D5244T13,D5244T8 Type id: 19815

T5 benzin (2.5 20V 162kw 220LE 2521ccm) Eng.code: B5254T3 Type id: 19812

T5 benzin (2.5 20V 169kw 230LE 2521ccm) Eng.code: B5254T7 Type id: 23141

2.4 D diesel (2.4 20V 120kw 163LE 2400ccm) Eng.code: D5244T9 Type id: 58581

2.4 benzin (2.4 20V 103kw 140LE 2435ccm) Eng.code: B5244S5 Type id: 19561

2.4 i benzin (2.4 20V 125kw 170LE 2435ccm) Eng.code: B5244S4 Type id: 19562

D3 diesel (2.0 20V 110kw 150LE 1984ccm) Eng.code: D5204T5 Type id: 6270

D4 diesel (2.0 20V 130kw 177LE 1984ccm) Eng.code: D5204T Type id: 6271

D5 diesel (2.4 20V 132kw 180LE 2400ccm) Eng.code: D5244T13,D5244T8 Type id: 19564

T5 benzin (2.5 20V 162kw 220LE 2521ccm) Eng.code: B5254T3 Type id: 19563

T5 benzin (2.5 20V 169kw 230LE 2521ccm) Eng.code: B5254T7 Type id: 23149

2.4 CDI diesel (2.4 20V 120kw 163LE 2400ccm) Eng.code: D5244T9 Type id: 122907

2.4 benzin (2.4 20V 103kw 140LE 2435ccm) Eng.code: B5244S5 Type id: 17819

2.4 benzin (2.4 20V 125kw 170LE 2435ccm) Eng.code: B5244S4 Type id: 17822

D3 diesel (2.0 20V 110kw 150LE 1984ccm) Eng.code: D5204T5 Type id: 7076

D4 diesel (2.0 20V 130kw 177LE 1984ccm) Eng.code: D5204T Type id: 7078

D5 diesel (2.4 20V 132kw 179LE 2400ccm) Eng.code: D5244T13,D5244T8 Type id: 20891

T5 AWD benzin (2.5 20V 162kw 220LE 2521ccm) Eng.code: B5254T3 Type id: 18110

T5 AWD benzin (2.5 20V 169kw 230LE 2521ccm) Eng.code: B5254T7 Type id: 23143

T5 benzin (2.5 20V 162kw 220LE 2521ccm) Eng.code: B5254T3 Type id: 17823

T5 benzin (2.5 20V 169kw 230LE 2521ccm) Eng.code: B5254T7 Type id: 23142

D3 diesel (2.0 20V 110kw 150LE 1984ccm) Eng.code: D5204T6 Type id: 55100

D4 diesel (2.0 20V 130kw 177LE 1984ccm) Eng.code: D5204T4 Type id: 55102

T4 benzin (2.0 20V 132kw 180LE 1984ccm) Eng.code: B5204T8 Type id: 32346

T5 benzin (2.0 20V 157kw 214LE 1984ccm) Eng.code: B5204T9 Type id: 58973

T5 benzin (2.5 20V 187kw 254LE 2497ccm) Eng.code: B5254T12 Type id: 57488

2.4 Tdi diesel (2.4 20V 120kw 163LE 2400ccm) Eng.code: D5244T9 Type id: 28567

2.4 benzin (2.4 20V 103kw 140LE 2435ccm) Eng.code: B5244S5 Type id: 17820

2.4 benzin (2.4 20V 125kw 170LE 2435ccm) Eng.code: B5244S4 Type id: 17821

D3 diesel (2.0 20V 110kw 150LE 1984ccm) Eng.code: D5204T5 Type id: 7155

D4 diesel (2.0 20V 130kw 177LE 1984ccm) Eng.code: D5204T Type id: 7151

D5 diesel (2.4 20V 132kw 179LE 2400ccm) Eng.code: D5244T13,D5244T8 Type id: 20893

T5 AWD benzin (2.5 20V 162kw 220LE 2521ccm) Eng.code: B5254T3 Type id: 18112

T5 AWD benzin (2.5 20V 169kw 230LE 2521ccm) Eng.code: B5254T7 Type id: 23145

T5 benzin (2.5 20V 162kw 220LE 2521ccm) Eng.code: B5254T3 Type id: 17824

T5 benzin (2.5 20V 169kw 230LE 2521ccm) Eng.code: B5254T7 Type id: 23144

Tovább olvasom
A Schaeffler-csoport INA márkája világszerte a gördülőcsapágyak, siklócsapágyak és lineáris rendszerek, valamint az autóipar számára a motorok, sebességváltók és hajtásláncok precíziós alkatrészeinek fejlesztését és gyártását jelenti. Az INA márka termékei 60 éve kreatív alkalmazási megoldásokat, valamint a vállalat ügyfelei számára a legmagasabb szintű mérnöki és gyártási szakértelmet jelentik.
Tovább olvasom