Powered by Smartsupp A.B.S. 18398 féktárcsa bevonatolt tele Hyundai i10 2013- OE:58411B4300 OE:58411B9000
Univerzális menü

A.B.S. 18398 féktárcsa bevonatolt tele Hyundai i10 2013- OE:58411B4300 OE:58411B9000

COATED
Cikkszám: 18398
Gyártó: A.B.S.
Kártyaszám: 2068932
Termékfotó
A.B.S. 16877 féktárcsa szellőztetett Audi Seat VolksWagen OE:8E0615301P OE:JZW615301Q
Gyártó: A.B.S.
Cikkszám: 16877
Kártyaszám: 1163828
92
13 180 Ft-tól
Külső átmérő [mm]:
280
Féktárcsavastagság [mm]:
22
Minimális vastagság [mm]:
20
Magasság [mm]:
46,2
Keréktárcsa lyukszáma:
5
Féktárcsa fajta:
Szellőztetett
Agyátmérő [mm]:
68
Tömeg [kg]:
6,22
lyukkörátmérő [mm]:
112
Tömeg [kg]:
6,23
Magasság [mm]:
46,5
Agyátmérő [mm]:
146
Centrírozási átmérő [mm]:
68
Termékfotó
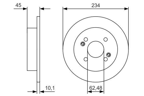
ATE 24011003941 féktárcsa bevonatolt tele Hyundai i10 2013- OE:58411B4300 OE:58411B9000
Gyártó: ATE
Cikkszám: 24.0110-0394.1
Kártyaszám: 2068939
16
18 960 Ft-tól
Külső átmérő [mm]:
234
Féktárcsavastagság [mm]:
10
Minimális vastagság [mm]:
8,4
Féktárcsa fajta:
Tele
Felület:
bevonatolt
Lyukszám:
4
lyukkörátmérő [mm]:
100
Magasság [mm]:
44,9
Centrírozási átmérő [mm]:
62,5
Belső átmérő [mm]:
142
Furatátmérő [mm]:
13
Vizsgálat jelzés:
E1 90R-02C0165/1086
MAPP kód elérhető:
Termékfotó
Blue Print ADG043211 féktárcsa hátsótengely bevonatolt tele Hyundai i10 2008-2017 OE:58411B4300 OE:58411B9000
Gyártó: BLUE PRINT
Cikkszám: ADG043211
Kártyaszám: 2068942
59
7 210 Ft-tól
Féktárcsavastagság [mm]:
10
Lyukszám:
4
rögzítő furatok száma:
2
Vastagság [mm]:
44,8
Külső átmérő [mm]:
234
lyukkörátmérő [mm]:
100
Felület:
bevonatolt
Féktárcsa fajta:
Tele
Beépítési oldal:
hátsótengely
Minimális vastagság [mm]:
8,4
Tömeg [kg]:
3,064
Centrírozási átmérő [mm]:
62,5
Keréktárcsa lyukszáma:
4
Vastagság [mm]:
45
Centrírozási átmérő [mm]:
63
Szervizinformáció figyelembe veendő:
OE-számhoz:
58411-B4300
Termékfotó
Bosch 0986479D02 féktárcsa bevonatolt tele Hyundai i10 2013- OE:58411B4300 OE:58411B9000
Gyártó: BOSCH
Cikkszám: 0 986 479 D02
Kártyaszám: 2068946
22
13 030 Ft-tól
Külső átmérő [mm]:
234
Féktárcsavastagság [mm]:
10
Minimális vastagság [mm]:
8,4
Magasság [mm]:
44,7
lyukkörátmérő [mm]:
100
Féktárcsa fajta:
Tele
Centrírozási átmérő [mm]:
62,4
Lyukszám:
4
Felület:
bevonatolt
ECE-szabvány szerinti:
ECE-R90
Furatátmérőig [mm]:
13
Centrírozási átmérő [mm]:
62,5
Furatátmérőig [mm]:
12,5
Termékfotó
Brembo 08C65011 féktárcsa bevonatolt tele Hyundai i10 2013- OE:58411B4300 OE:58411B9000
Gyártó: BREMBO
Cikkszám: 08.C650.11
Kártyaszám: 2068947
19
14 620 Ft-tól
Külső átmérő [mm]:
234
Magasság [mm]:
45
Lyukszám:
4
Féktárcsa fajta:
Tele
Centrírozási átmérő [mm]:
63
Féktárcsavastagság [mm]:
10
Felület:
bevonatolt
Minimális vastagság [mm]:
8,4
Kiegészítő cikk/kiegészítő info 2:
csavarokkal
Termékfotó
Delphi BG4917C féktárcsa bevonatolt tele Hyundai i10 2013- OE:58411B4300 OE:58411B9000
Gyártó: DELPHI
Cikkszám: BG4917C
Kártyaszám: 2068952
15
10 870 Ft-tól
Féktárcsa fajta:
Tele
Lyukszám:
4
Vizsgálat jelzés:
E1 90R-02C0100/1552
Kiegészítő cikk/kiegészítő info 2:
csapágy nélkül
Kiegészítő cikk/kiegészítő info 2:
ABS-érzékelőgyűrű nélkül
Felület:
bevonatolt
Feldolgozás:
kezeletlen
Külső átmérő [mm]:
234
Féktárcsavastagság [mm]:
10
Minimális vastagság [mm]:
8
Centrírozási átmérő [mm]:
62
Magasság [mm]:
45
Kiegészítő cikk/kiegészítő info 2:
kerékcsapágy nélkül
Minimális vastagság [mm]:
8,4
Centrírozási átmérő [mm]:
62,5
Magasság [mm]:
44,7
Termékfotó
Febi Bilstein 108439 féktárcsa hátsótengely bevonatolt tele Hyundai i10 2008-2017 OE:58411B4300 OE:58411B9000
Gyártó: Febi Bilstein
Cikkszám: 108439
Kártyaszám: 2068953
49
9 550 Ft-tól
Féktárcsavastagság [mm]:
10
Lyukszám:
4
rögzítő furatok száma:
2
Vastagság [mm]:
44,8
Külső átmérő [mm]:
234
lyukkörátmérő [mm]:
100
Felület:
bevonatolt
Féktárcsa fajta:
Tele
Beépítési oldal:
hátsótengely
Minimális vastagság [mm]:
8,4
Tömeg [kg]:
3,064
Centrírozási átmérő [mm]:
62,5
OE-számhoz:
58411-B4300
Keréktárcsa lyukszáma:
4
Szervizinformáció figyelembe veendő:
Termékfotó
Kamoka 103522 féktárcsa bevonatolt tele Hyundai i10 2013- OE:58411B9000 OE:58411B4300
Gyártó: KAMOKA
Cikkszám: 103522
Kártyaszám: 2068962
13
6 500 Ft-tól
Lyukszám:
4
Féktárcsa fajta:
Tele
Féktárcsavastagság [mm]:
10
Minimális vastagság [mm]:
8,4
lyukkörátmérő [mm]:
100
Furatátmérő [mm]:
13
Centrírozási átmérő [mm]:
62,4
Belső átmérő [mm]:
142
Külső átmérő [mm]:
234
Magasság [mm]:
45
Felület:
bevonatolt
Centrírozási átmérő [mm]:
62
Termékfotó
Kavo Parts BR3279C féktárcsa bevonatolt tele Hyundai i10 2013- OE:58411B4300 OE:58411B9000
Gyártó: KAVO PARTS
Cikkszám: BR-3279-C
Kártyaszám: 2068963
14
7 380 Ft-tól
Vizsgálat jelzés:
R90
Magasság [mm]:
45
Féktárcsa fajta:
Tele
Fék fajta:
Tárcsafék
Féktárcsavastagság [mm]:
10
Külső átmérő [mm]:
234
Lyukszám:
4
Centrírozási átmérő [mm]:
62,5
lyukkörátmérő [mm]:
100
Felület:
bevonatolt
Magasság [mm]:
44,7
Termékfotó
Maxgear 194734 féktárcsa bevonatolt tele Hyundai i10 2013- OE:58411B4300 OE:58411B9000
Gyártó: Maxgear
Cikkszám: 19-4734
Kártyaszám: 2068969
15
7 550 Ft-tól
Külső átmérő [mm]:
234
Féktárcsavastagság [mm]:
10
Féktárcsa fajta:
Tele
Minimális vastagság [mm]:
8,4
Magasság [mm]:
44,7
Furat/lyukszám:
04/06
lyukkörátmérő [mm]:
100
Centrírozási átmérő [mm]:
62,4
Kiegészítő cikk/kiegészítő info 2:
kerékagy nélkül
Kiegészítő cikk/kiegészítő info 2:
kerékrögzítő csavar nélkül
Felület:
bevonatolt
Lyukszám:
4
Termékfotó
Metelli 231761C féktárcsa lakkozott tele Hyundai i10 2013- OE:58411B4300 OE:58411B9000
Gyártó: METELLI
Cikkszám: 23-1761C
Kártyaszám: 2068971
15
9 070 Ft-tól
Felület:
lakkozott
Lyukszám:
4
lyukkörátmérő [mm]:
62,5
Magasság [mm]:
44,7
Vizsgálat jelzés:
Approved
Féktárcsa fajta:
Tele
Külső átmérő [mm]:
234
Féktárcsavastagság [mm]:
10
Minimális vastagság [mm]:
8,4
Vizsgálat jelzés:
ECE-R90
Centrírozási átmérő [mm]:
62,5
Termékfotó
Meyle 37155230046 féktárcsa hátsótengely tele Hyundai i10 2013- OE:58411B9000 OE:58411B4300
Gyártó: MEYLE
Cikkszám: 37-15 523 0046
Kártyaszám: 2068973
12
13 550 Ft-tól
Beépítési oldal:
hátsótengely
Külső átmérő [mm]:
234
Magasság [mm]:
44,9
Féktárcsavastagság [mm]:
10
Minimális vastagság [mm]:
8,4
Centrírozási átmérő [mm]:
62,4
lyukkörátmérő [mm]:
100
Kerékcsavarfurat-átmérő [mm]:
13
Lyukszám:
4
Féktárcsa fajta:
Tele
Szükséges darabszám:
2
Kerékcsap-furatátmérő [mm]:
13
Termékfotó
Textar 92291603 féktárcsa bevonatolt tele Hyundai i10 2013- OE:58411B4300 OE:58411B9000
Gyártó: TEXTAR
Cikkszám: 92291603
Kártyaszám: 2068993
15
16 210 Ft-tól
Külső átmérő [mm]:
234
Féktárcsavastagság [mm]:
10
Féktárcsa fajta:
Tele
Minimális vastagság [mm]:
8,4
Magasság [mm]:
44,7
Furat/lyukszám:
04/06
lyukkörátmérő [mm]:
100
Centrírozási átmérő [mm]:
62,4
Tömeg [kg]:
3
Kiegészítő cikk/kiegészítő info 2:
kerékagy nélkül
Kiegészítő cikk/kiegészítő info 2:
kerékrögzítő csavar nélkül
Felület:
bevonatolt
Csomagolási hossz [cm]:
27
Csomagolási szélesség [cm]:
25,5
Csomagolási magasság [cm]:
10
Műszaki információs szám:
98200 2916 0 1 PRO
Belső átmérő [mm]:
142
Kerékcsavarfurat-átmérő [mm]:
13
Kiegészítő cikk/kiegészítő info 2:
kerékcsapágy nélkül
Csomagolási hossz [cm]:
24,8
Csomagolási szélesség [cm]:
24,8
Csomagolási magasság [cm]:
10,5
Kerékcsap-furatátmérő [mm]:
13
Csomagolási hossz [mm]:
24,8
Termékfotó
TRW DF6949 féktárcsa lakkozott tele Hyundai i10 2013- OE:58411B9000 OE:58411B4300
Gyártó: TRW
Cikkszám: DF6949
Kártyaszám: 2069000
14
12 550 Ft-tól
Féktárcsa fajta:
Tele
Külső átmérő [mm]:
234
Féktárcsavastagság [mm]:
10
Minimális vastagság [mm]:
8,4
Lyukszám:
4
Menetméret:
13
lyukkörátmérő [mm]:
100
Magasság [mm]:
44,6
Centrírozási átmérő [mm]:
62,4
Szín:
fekete
Felület:
lakkozott
SVHC:
Nincs információ, kérem, forduljon a gyártóhoz!
Vizsgálat jelzés:
E1 90R-02 C0190/0694
Termékfotó
Zimmermann 285353020 féktárcsa bevonatolt tele Hyundai i10 2013- OE:58411B4300 OE:58411B9000
Gyártó: ZIMMERMANN
Cikkszám: 285.3530.20
Kártyaszám: 2069002
12
14 210 Ft-tól
Féktárcsa fajta:
Tele
Felület:
bevonatolt
Külső átmérő [mm]:
234
Féktárcsavastagság [mm]:
10
Magasság [mm]:
45
Keréktárcsa lyukszáma:
5
lyukkörátmérő [mm]:
100
Centrírozási átmérő [mm]:
62
Vizsgálat jelzés:
ECE R90 APPROVED
Minimális vastagság [mm]:
8,4
Tömeg [kg]:
3
Furat/lyukszám:
6/5
Termékfotó
Denckermann B130704 féktárcsa hátsótengely tele Hyundai i10 2013- OE:58411B4300 OE:58411B9000
Gyártó: DENCKERMANN
Cikkszám: B130704
Kártyaszám: 2069387
13
7 390 Ft-tól
Átmérő [mm]:
234
Magasság [mm]:
44,9
Furatátmérő [mm]:
13
Féktárcsavastagság [mm]:
10
Minimális vastagság [mm]:
8,4
Belső átmérő [mm]:
142
Lyukszám:
4
Centrírozási átmérő [mm]:
62,4
lyukkörátmérő [mm]:
100
Beépítési oldal:
hátsótengely
Féktárcsa fajta:
Tele
Külső átmérő [mm]:
234
Centrírozási átmérő [mm]:
62,5
Termékfotó
Ferodo DDF2655C féktárcsa bevonatolt tele Hyundai i10 2013- OE:58411B4300 OE:58411B9000
Gyártó: FERODO
Cikkszám: DDF2655C
Kártyaszám: 2069392
32
21 570 Ft-tól
Magasság [mm]:
44,9
Tömeg [kg]:
6,32
Furatátmérő [mm]:
62,4
Féktárcsa fajta:
Tele
Féktárcsavastagság [mm]:
10
Minimális vastagság [mm]:
8,4
Külső átmérő [mm]:
234
Lyukszám:
4
lyukkörátmérő [mm]:
100
Felület:
bevonatolt
Kötési mód:
Doboz
Mennyiségi egység:
Készlet
lyukkörátmérő 1 [mm]:
62,4
Csomagolási hossz [cm]:
26
Csomagolási szélesség [cm]:
26
Csomagolási magasság [cm]:
11,5
Kiegészítő cikk/kiegészítő info 2:
csavarok nélkül
Centrírozási átmérő [mm]:
62,4
Vizsgálat jelzés:
R90 homologated
Csomagolási hossz [mm]:
26
Termékfotó
Optimal BS9438C féktárcsa hátsótengely bevonatolt tele Hyundai i10 2013- OE:58411B4300 OE:58411B9000
Gyártó: OPTIMAL
Cikkszám: BS-9438C
Kártyaszám: 2069426
13
10 070 Ft-tól
Beépítési oldal:
hátsótengely
Féktárcsa fajta:
Tele
Féktárcsavastagság [mm]:
10
Külső átmérő [mm]:
234
Magasság [mm]:
44,7
Centrírozási átmérő [mm]:
62,45
lyukkörátmérő [mm]:
100
Furatátmérő [mm]:
13
Minimális vastagság [mm]:
8,4
Furat/lyukszám:
4/6
Belső átmérő [mm]:
141
Centrírozási átmérő [mm]:
62,5
Felület:
bevonatolt
Termékfotó
Ashika 610HH14C féktárcsa hátsótengely lakkozott tele Hyundai i10 2013- OE:58411B4300 OE:58411B9000
Gyártó: ASHIKA
Cikkszám: 61-0H-H14C
Kártyaszám: 2070249
18
7 220 Ft-tól
Beépítési oldal:
hátsótengely
lyukkörátmérő [mm]:
62
Magasság [mm]:
45
Külső átmérő [mm]:
234
Féktárcsavastagság [mm]:
10
Minimális vastagság [mm]:
8
Furatok száma:
4
Féktárcsa fajta:
Tele
Vizsgálat jelzés:
ECE R90 APPROVED
Felület:
lakkozott
OE-számhoz:
58411B4300
Termékfotó
Japanparts DPH14C féktárcsa hátsótengely lakkozott tele Hyundai i10 2013- OE:58411B4300 OE:58411B9000
Gyártó: JAPANPARTS
Cikkszám: DP-H14C
Kártyaszám: 2070257
12
6 810 Ft-tól
Beépítési oldal:
hátsótengely
lyukkörátmérő [mm]:
62
Magasság [mm]:
45
Külső átmérő [mm]:
234
Féktárcsavastagság [mm]:
10
Minimális vastagság [mm]:
8
Furatok száma:
4
Féktárcsa fajta:
Tele
Vizsgálat jelzés:
ECE R90 APPROVED
Felület:
lakkozott
OE-számhoz:
58411B4300
Termékfotó
Valeo 197707 féktárcsa hátsótengely tele Hyundai i10 2013- OE:58411B4300 OE:58411B9000
Gyártó: VALEO
Cikkszám: 197707
Kártyaszám: 2070301
10
18 720 Ft-tól
Beépítési oldal:
hátsótengely
Féktárcsa fajta:
Tele
Külső átmérő [mm]:
234
Féktárcsavastagság [mm]:
10
Centrírozási átmérő [mm]:
62,45
Magasság [mm]:
44,7
Minimális vastagság [mm]:
8,4
Keréktárcsa lyukszáma:
4
rögzítő furatok száma:
2
Vizsgálat jelzés:
ECE-R90
Tömeg [kg]:
6,45
Centrírozási átmérő [mm]:
62
Magasság [mm]:
45
Minimális vastagság [mm]:
8
Termékfotó
H+B Jakoparts J3310536 féktárcsa hátsótengely bevonatolt tele Hyundai i10 2013- OE:58411B4300 OE:58411B9000
Gyártó: Herth+Buss Jakoparts
Cikkszám: J3310536
Kártyaszám: 14109711
36
10 110 Ft-tól
Féktárcsa fajta:
Tele
Külső átmérő [mm]:
234
Féktárcsavastagság [mm]:
10
Minimális vastagság [mm]:
8,4
Lyukszám:
4
Lyukszám 1:
2
lyukkörátmérő [mm]:
100
Belső átmérő [mm]:
141,3
Magasság [mm]:
44,7
Agyátmérő [mm]:
62,5
Felület:
bevonatolt
SVHC:
Nem található SVHC anyag!
Beépítési oldal:
hátsótengely
További termékek

OE referencia számok listája:
(Az azonosító számokat rendelés előtt mindig pontosítani kell a járműgyártói dokumentációkban!)

HYUNDAI (58411B4300)
HYUNDAI (58411B9000)


Tovább olvasom
Külső átmérő [mm]
234
Féktárcsavastagság [mm]
9,7
Minimális vastagság [mm]
8
Magasság [mm]
44,8
Keréktárcsa lyukszáma
4
Féktárcsa fajta
Tele
Agyátmérő [mm]
62,4
Felület
bevonatolt
Tömeg [kg]
3,02
Agyátmérő [mm]
153
Féktárcsavastagság [mm]
10
Magasság [mm]
44,7
lyukkörátmérő [mm]
100
Minimális vastagság [mm]
8,4
Centrírozási átmérő [mm]
62,4
Tovább olvasom

1.0 LPG benzin/LPG (1.0 12V 49kw 67LE 998ccm) Eng.code: B3LA Type id: 100792

1.0 LPG benzin/LPG (1.0 12V 51kw 69LE 998ccm) Eng.code: B3LA Type id: 129636

1.0 benzin (1.0 12V 49kw 67LE 998ccm) Eng.code: G3LA Type id: 100581

1.2 benzin (1.2 16V 64kw 87LE 1248ccm) Eng.code: G4LA Type id: 100584

1.0 MPi benzin (1.0 12V 49kw 67LE 998ccm) Eng.code: G3LA,G3LD Type id: 139021

1.0 T-GDi benzin (1.0 12V 74kw 100LE 998ccm) Eng.code: G3LC,G3LE Type id: 139834

1.2 MPi benzin (1.2 16V 62kw 84LE 1197ccm) Eng.code: G4LF Type id: 139017

Tovább olvasom
Az 1978-óta létező holland tulajdonú ABS cég specialista a fékalkatrészek területén. Az ABS sok éve ISO 9001 tanúsítvánnyal rendelkezik és szinte az összes európai országban megfelel az összes minőségi követelménynek. Az ABS az autóipari utánpótlás professzionális partnere. A 29 496 különféle cikkből álló hatalmas választék szinte minden autómárkát és modellt lefed Európában.
Tovább olvasom