Powered by Smartsupp Volkswagen 03G903119B alkatrész
Univerzális menü

Volkswagen 03G903119B alkatrész

Cikkszám: 03G903119B
Gyártó: Volkswagen
Kártyaszám: 4909247
Termékfotó
As-pl generátor szabadonfutó
Gyártó: AS-PL
Cikkszám: AFP0033
Kártyaszám: 1084606
18
6 960 Ft-tól
Külső átmérő [mm]:
50
Belső átmérő [mm]:
17
Hossz 1 [mm]:
39,6
Rovátkák száma:
6
Menetméret:
M16x1,5
Hossz 2 [mm]:
14,7
Külső átmérő [mm]:
49,5
Hossz 1 [mm]:
40,2
Hossz 2 [mm]:
14,5
Minőség:
STANDARD LINE
új alkatrész betét nélkül:
Termékfotó
As-pl generátor szabadonfutó
Gyártó: AS-PL
Cikkszám: AFP0033(INA)
Kártyaszám: 1084607
15
11 110 Ft-tól
Külső átmérő [mm]:
49,4
Belső átmérő [mm]:
17
Hossz 1 [mm]:
40,2
Rovátkák száma:
6
Menetméret:
M16x1,5
Hossz 2 [mm]:
14,1
Minőség:
PREMIUM LINE
új alkatrész betét nélkül:
Termékfotó
Snr generátor szabadonfutó
Gyártó: SNR
Cikkszám: GA754.17
Kártyaszám: 1084616
14
10 570 Ft-tól
Tömeg [g]:
415
Külső átmérő 1 [mm]:
49,35
Szélesség 1 [mm]:
40,15
Külső átmérő 1 [mm]:
49
Szélesség 1 [mm]:
40
A javasolt célszerszám cikkszáma:
Clas : OM3789
Termékfotó
Ina generátor szabadonfutó 40,2mm,a szereléshez speciális szerszám szükséges
Gyártó: Schaeffler INA
Cikkszám: 535 0124 10
Kártyaszám: 1088633
73
9 210 Ft-tól
Rovátkák száma:
6
Első rovátka távolsága [mm]:
14,55
Szélesség [mm]:
40,2
Átmérő 1/átmérő 2 [mm]:
49,4/17,0
gyártószámhoz:
F-551406.XX
Kiegészítő cikk/kiegészítő info 2:
a szereléshez speciális szerszám szükséges
Szervizinformáció figyelembe veendő:
SVHC:
Nem található SVHC anyag!
Első rovátka távolsága [mm]:
14,6
Termékfotó
MaxGear generátor szabadonfutó 40,2mm,a szereléshez speciális szerszám szükséges
Gyártó: Maxgear
Cikkszám: 30-0165
Kártyaszám: 1088636
62
6 410 Ft-tól
Rovátkák száma:
6
Első rovátka távolsága [mm]:
14,55
Szélesség [mm]:
40,2
Átmérő 1/átmérő 2 [mm]:
49,4/17,0
gyártószámhoz:
F-551406.XX
Kiegészítő cikk/kiegészítő info 2:
a szereléshez speciális szerszám szükséges
Szervizinformáció figyelembe veendő:
Első rovátka távolsága [mm]:
15
Termékfotó
Meyle generátor szabadonfutó sapkával
Gyártó: MEYLE
Cikkszám: 100 053 1009
Kártyaszám: 1088637
11
9 490 Ft-tól
Kiegészítő cikk/kiegészítő info 2:
sapkával
Bordák száma:
6
Külső átmérő [mm]:
49,4
Menetméret:
M16x1,5
Belső átmérő [mm]:
17
gyártószámhoz:
F-551406.XX
Külső átmérő [mm]:
49
Termékfotó
Triscan generátor szabadonfutó a szereléshez speciális szerszám szükséges,40,2mm
Gyártó: TRISCAN
Cikkszám: 8641 294013
Kártyaszám: 1088638
70
22 670 Ft-tól
Rovátkák száma:
6
Első rovátka távolsága [mm]:
14,55
gyártószámhoz:
F-551406.XX
Kiegészítő cikk/kiegészítő info 2:
a szereléshez speciális szerszám szükséges
Szervizinformáció figyelembe veendő:
Szélesség [mm]:
40,2
Átmérő 1/átmérő 2 [mm]:
49,4/17,0
Első rovátka távolsága [mm]:
14,6
Termékfotó
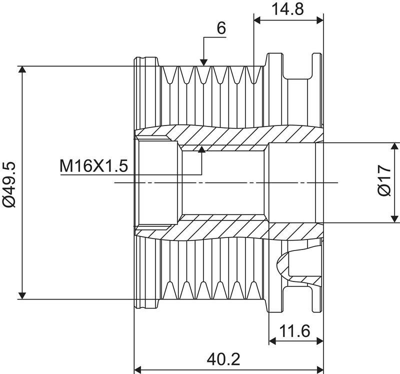
Valeo generátor szabadonfutó 40,2mm,a szereléshez speciális szerszám szükséges
Gyártó: VALEO
Cikkszám: 588016
Kártyaszám: 1125937
15
9 510 Ft-tól
Átmérő [mm]:
49,5
Szélesség [mm]:
40,2
Menetméret:
M16
Bordák száma:
6
Mélység [mm]:
11,6
Furatátmérő [mm]:
17
Csavarfej/anya profil:
Torx
Forgásirány:
óramutató járásával megegyező forgásirány
Kiegészítő cikk/kiegészítő info 2:
a szereléshez speciális szerszám szükséges
Tömeg [kg]:
0,44
Külső átmérő [mm]:
49,5
Rovátkák száma:
6
Külső átmérő [mm]:
50
Külső átmérő [mm]:
55
Első rovátka távolsága [mm]:
14,8
Termékfotó
Hella generátor szabadonfutó 39,6mm,sapkával
Gyártó: HELLA
Cikkszám: 9XU 358 038-611
Kártyaszám: 1145404
16
13 930 Ft-tól
Szíjtárcsa és generátor távolsága [mm]:
15
Külső átmérő [mm]:
55
Beépítési mélység [mm]:
11,1
gyártószámhoz:
F-551406.XX
Gyártó korlátozás:
Bosch
Gyártó korlátozás:
Valeo
Szélesség [mm]:
39,6
Menetméret:
M16x1,5
Belső átmérő [mm]:
17
Szíjtárcsaátmérő [mm]:
50
Forgásirány:
óramutató járásával megegyező forgásirány
Kiegészítő cikk/kiegészítő info 2:
sapkával
Rovátkák száma:
6
Szakszemélyz. végzett összeszerelés/szétszerelés szükséges!:
Termékfotó
Skf generátor szabadonfutó 39,9mm
Gyártó: SKF
Cikkszám: VKM 03112
Kártyaszám: 1145545
13
9 200 Ft-tól
Szélesség [mm]:
39,9
Belső átmérő [mm]:
17
Külső átmérő [mm]:
55
gyártószámhoz:
F-551406.XX
Bordák száma:
6
Kiegészítő cikk/kiegészítő info 2:
a szereléshez speciális szerszám szükséges
Termékfotó
Continental Ctam generátor szabadonfutó
Gyártó: Continental Automotive
Cikkszám: AP9022
Kártyaszám: 13936497
71
13 140 Ft-tól
Tömeg [kg]:
0,455
Csomagolási szélesség [cm]:
9
Csomagolási hossz [cm]:
11
Csomagolási magasság [cm]:
6
Kiegészítő cikk/kiegészítő info 2:
a szereléshez speciális szerszám szükséges
Tömeg [kg]:
0,439
Szélesség [mm]:
40,2
Átmérő 1/átmérő 2 [mm]:
49,4/17,0
Csomagolási hossz [mm]:
11
Termékfotó
NTY generátor szabadonfutó 40,2mm,a szereléshez speciális szerszám szükséges
Gyártó: NTY
Cikkszám: ESA-AU-005
Kártyaszám: 13936499
65
16 550 Ft-tól
Átmérő 1/átmérő 2 [mm]:
49,4/17,0
Szélesség [mm]:
40,2
Kiegészítő cikk/kiegészítő info 2:
a szereléshez speciális szerszám szükséges
Rovátkák száma:
6
Szervizinformáció figyelembe veendő:
gyártószámhoz:
F-551406.XX
Első rovátka távolsága [mm]:
14,55
Gyártási szám:
ESA-AU-005
Első rovátka távolsága [mm]:
14,6
További termékek
Tovább olvasom