Powered by Smartsupp Volkswagen 8K0260805J alkatrész
Univerzális menü

Volkswagen 8K0260805J alkatrész

Cikkszám: 8K0260805J
Gyártó: Volkswagen
Kártyaszám: 5322865
Termékfotó
Van Wezel klíma kompresszor 110mm-es szíjtárcsával,6rovátkás,typ:7sbu16c
Gyártó: VAN WEZEL
Cikkszám: 0300K029
Kártyaszám: 1070452
41
88 120 Ft-tól
Gyártó korlátozás:
Type Denso
Kompresszor-azonosító:
7SBU16C
Szíjtárcsaátmérő [mm]:
110
Feszültség [V]:
12
Szívóátmérő [mm]:
28,4
Kipufogóátmérő [mm]:
15,5
Olajfeltöltési mennyiség [ml]:
160
Kompresszortérfogat [cm3]:
160
Szíjtárcsák:
Hosszbordás ékszíj tárcsával
Rovátkák száma:
6
Kompresszor olaj:
PAG 46
hűtőfolyadék:
R 134a
Kiegészítő cikk/kiegészítő info:
Tömítéssel
Rögzítési mód:
3-pontos rögzítés
Csatlakozó ház forma:
D-alakú
részben töltött:
Minőség:
IR PLUS
SVHC:
Nem található SVHC anyag!
Kiegészítő cikk/kiegészítő info 2:
egy csatlakozóval
Rögzítési mód:
Hárompontos rögzítés
Bemeneti átmérő [mm]:
28,4
Kifújó átmérő [mm]:
15,5
Termékfotó
Delphi klíma kompresszor 110mm-es szíjtárcsával,typ:6seu14
Gyártó: DELPHI
Cikkszám: CS20578
Kártyaszám: 1158851
14
87 490 Ft-tól
Gyártó korlátozás:
Delphi
Kompresszor-azonosító:
6SEU14
Tengelykapcsoló-azonosító:
PV6
Kompresszor olaj:
PAG 46
Gyártó korlátozás:
DENSO
Szíjtárcsák:
Hosszbordás ékszíj tárcsával
Szíjtárcsaátmérő [mm]:
110
Termékfotó
Denso klíma kompresszor 6bordás,110mm-es szíjtárcsával,6rovátkás,typ:6seu14c
Gyártó: DENSO
Cikkszám: DCP02092
Kártyaszám: 1158852
11
124 820 Ft-tól
Minőség:
OE
Gyártó korlátozás:
DENSO
Gyártó korlátozás:
VW-Group
Bordák száma:
6
Rögzítési mód:
csavarozott
Szíjtárcsaátmérő [mm]:
110
Tömeg [g]:
6 000
Tömeg [g]:
6 260
Szívóátmérő [mm]:
28,5
Kipufogóátmérő [mm]:
15,3
Olajfeltöltési mennyiség [ml]:
150
Kompresszor olaj:
PAG 46
Kompresszor-azonosító:
6SEU14C
töltött:
Rovátkák száma:
6
hűtőfolyadék:
R 134a
OE-számhoz:
8K0260805J
Bruttó tömeg [g]:
6 810
Kompresszor olaj:
ND-8
Bemeneti átmérő [mm]:
28,5
Kifújó átmérő [mm]:
15,3
Minőség:
DENSO
Termékfotó
Elstock klíma kompresszor 110mm-es szíjtárcsával,6rovátkás
Gyártó: ELSTOCK
Cikkszám: 51-0571
Kártyaszám: 1158853
43
104 270 Ft-tól
Gyártó korlátozás:
DENSO 6SEU14C
Szíjtárcsaátmérő [mm]:
110
Rovátkák száma:
6
Kompresszor olaj:
PAG 46
Olajfeltöltési mennyiség [ml]:
130
hűtőfolyadék:
R 134a
Kiegészítő cikk/kiegészítő info:
tömítésekkel
rögzítő furatok száma:
3
Nettó súly [kg]:
4,6
Termékfotó
Mahle klíma kompresszor 6bordás,100mm-es szíjtárcsával,typ:6seu14c
Gyártó: MAHLE
Cikkszám: ACP 980 000S
Kártyaszám: 1158860
18
82 960 Ft-tól
Kompresszor-azonosító:
6SEU14C
Kompresszor olaj:
PAG 46
hűtőfolyadék:
R 134a
Feszültség [V]:
12
Gyártó korlátozás:
Denso
Szíjtárcsaátmérő [mm]:
100
Szíjtárcsák:
Hosszbordás ékszíj tárcsával
Csatlakozás technika:
PAD
Bordák száma:
6
Kiegészítő cikk/kiegészítő info 2:
tömítőgyűrűvel
Csomagolási szélesség [cm]:
18,5
Csomagolási magasság [cm]:
20,5
Csomagolási hossz [cm]:
27
Nettó tömeg [g]:
5 281
Rovátkák száma:
6
Csomagolási hossz [mm]:
27
Termékfotó
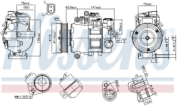
Nissens klíma kompresszor 110mm-es szíjtárcsával,6rovátkás,typ:6seu14c
Gyártó: NISSENS
Cikkszám: 89513
Kártyaszám: 1158862
27
102 370 Ft-tól
Gyártó korlátozás:
DENSO
Rovátkák száma:
6
Kompresszor-azonosító:
6SEU14C
hűtőfolyadék:
R 134a
Olajfeltöltési mennyiség [ml]:
120
Feszültség [V]:
12
Kompresszortérfogat [cm3]:
140
Szíjtárcsaátmérő [mm]:
110
Felszereltségi változat:
FIRST FIT
Kompresszor olaj:
PAG 46
Kiegészítő cikk/kiegészítő info 2:
PAG kompresszorolajjal
Szívóátmérő [mm]:
28,4
Kipufogóátmérő [mm]:
15,4
A dugós csatlakozások száma:
2
Kiegészítő cikk/kiegészítő info 2:
mágneskuplung nélkül
Kiegészítő cikk/kiegészítő info 2:
dióda nélkül
Kompresszortérfogat [cm3]:
120
Kompresszor-azonosító:
8E0260805AS
Szívóátmérő [mm]:
28
Kipufogóátmérő [mm]:
15
Csatlakozó ház forma:
ovális
Kiegészítő cikk/kiegészítő info 2:
PAG kompresszorolaj nélkül
Bemeneti átmérő [mm]:
28,4
Kifújó átmérő [mm]:
15,4
Termékfotó
Nrf klíma kompresszor 115mm-es szíjtárcsával,6rovátkás,typ:7seu17c
Gyártó: NRF
Cikkszám: 32262
Kártyaszám: 1158863
27
84 990 Ft-tól
Gyártó korlátozás:
DENSO-EQUIVALENT
Kiegészítő cikk/kiegészítő info 2:
PAG kompresszorolajjal
Kompresszor-azonosító:
7SEU17C
Üzemi feszültség [V]:
12
hűtőfolyadék:
R 134a
Kompresszor olaj:
PAG 46
Rovátkák száma:
6
Szíjtárcsaátmérő [mm]:
115
Kompresszortérfogat [cm3]:
170
Olajfeltöltési mennyiség [ml]:
150
Szívóátmérő [mm]:
28,4
Kipufogóátmérő [mm]:
15,3
Forma:
ovális
Kiegészítő cikk/kiegészítő info 2:
tömítőgyűrűvel
Feszültség [V]:
12
Minőség:
OE-EQUIVALENT
Csatlakozó ház forma:
ovális
Szíjtárcsaátmérő [mm]:
110
Bemeneti átmérő [mm]:
28,4
Kifújó átmérő [mm]:
15,3
Termékfotó
Nrf klíma kompresszor 115mm-es szíjtárcsával,6rovátkás,typ:7seu17c
Gyártó: NRF
Cikkszám: 32262G
Kártyaszám: 1158864
33
176 470 Ft-tól
Gyártó korlátozás:
GENUINE DENSO
Kiegészítő cikk/kiegészítő info 2:
PAG kompresszorolajjal
Kompresszor-azonosító:
7SEU17C
Üzemi feszültség [V]:
12
hűtőfolyadék:
R 134a
Kompresszor olaj:
PAG 46
Rovátkák száma:
6
Szíjtárcsaátmérő [mm]:
115
Kompresszortérfogat [cm3]:
170
Szívóátmérő [mm]:
28,4
Kipufogóátmérő [mm]:
15,3
Forma:
ovális
Feszültség [V]:
12
Olajfeltöltési mennyiség [ml]:
120
Csatlakozó ház forma:
ovális
Termékfotó
Denso klíma kompresszor 6bordás,100mm-es szíjtárcsával,6rovátkás,typ:6seu14c
Gyártó: DENSO
Cikkszám: DCP02044
Kártyaszám: 3349480
18
145 640 Ft-tól
Minőség:
OE
Gyártó korlátozás:
DENSO
Gyártó korlátozás:
VW-Group
Hossz [mm]:
222
Magasság [mm]:
138
Bordák száma:
6
Rögzítési mód:
csavarozott
Szíjtárcsaátmérő [mm]:
100
Tömeg [g]:
5 190
Tömeg [g]:
6 000
Szívóátmérő [mm]:
28,5
Kipufogóátmérő [mm]:
15,4
Olajfeltöltési mennyiség [ml]:
150
Kompresszor olaj:
PAG 46
Kompresszor-azonosító:
6SEU14C
töltött:
Rovátkák száma:
6
hűtőfolyadék:
R 134a
OE-számhoz:
8K0260805F
Tömeg [g]:
4 680
Bruttó tömeg [g]:
5 490
Bemeneti átmérő [mm]:
28,5
Kifújó átmérő [mm]:
15,4
Kompresszor olaj:
ND-8
Minőség:
DENSO
Termékfotó
Quality Workshop P klíma kompresszor 115mm-es szíjtárcsával,6rovátkás
Gyártó: Quality Workshop Parts
Cikkszám: WCP259R
Kártyaszám: 4830093
3
85 400 Ft-tól
Gyártó korlátozás:
GENUINE DENSO
Kiegészítő cikk/kiegészítő info 2:
PAG kompresszorolajjal
Kompresszor-azonosító:
7SEU17C
Üzemi feszültség [V]:
12
hűtőfolyadék:
R 134a
Kompresszor olaj:
PAG 46
Rovátkák száma:
6
Szíjtárcsaátmérő [mm]:
115
Kompresszortérfogat [cm3]:
170
Szívóátmérő [mm]:
28 4
Kipufogóátmérő [mm]:
15 3
Forma:
ovális
Termékfotó
Valeo klíma kompresszor 115mm-es szíjtárcsával,6rovátkás,typ:6seu
Gyártó: VALEO
Cikkszám: 690233
Kártyaszám: 13950736
5
104 280 Ft-tól
Új alkatrész:
Kompresszor-azonosító:
6SEU
hűtőfolyadék:
R 134a
Feszültség [V]:
12
Olajfeltöltési mennyiség [ml]:
100
Szíjtárcsaátmérő [mm]:
115
Rovátkák száma:
6
Kiegészítő cikk/kiegészítő info 2:
PAG kompresszorolajjal
Kompresszor olaj:
PAG 46
Tömeg [kg]:
6,3
Cserealkatrész betét nélkül:
Termékfotó
HOFFER klíma kompresszor
Gyártó: HOFFER
Cikkszám: K15393
Kártyaszám: 20103911
3
211 520 Ft-tól
Csatlakozás technika:
FLANGIA
Kompresszor-azonosító:
6SEU14C
Szíjtárcsaátmérő [mm]:
110
Rovátkák száma:
6
Feszültség [V]:
12
Minőség:
GENUINE
OE-számhoz:
8K0260805J
További termékek
Tovább olvasom