Powered by Smartsupp BMW 64526950152 alkatrész
Univerzális menü

BMW 64526950152 alkatrész

Cikkszám: 64526950152
Gyártó: BMW
Kártyaszám: 7268247
Termékfotó
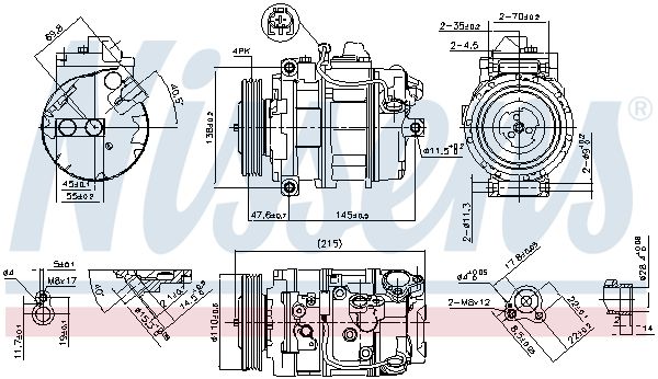
Denso DCP05042 klíma kompresszor 4bordás 110mm-es szíjtárcsával 4rovátkás typ:7seu17c BMW 5 (E60) 5 (E61) 7 (E65-E67)
Gyártó: DENSO
Cikkszám: DCP05042
Kártyaszám: 1364272
15
135 480 Ft-tól
Minőség:
OE
Gyártó korlátozás:
BMW
Gyártó korlátozás:
DENSO
Hossz [mm]:
213
Magasság [mm]:
138
Bordák száma:
4
Rögzítési mód:
csavarozott
Szíjtárcsaátmérő [mm]:
110
Tömeg [g]:
6 242
Tömeg [g]:
6 250
Szívóátmérő [mm]:
28,4
Kipufogóátmérő [mm]:
15,3
Olajfeltöltési mennyiség [ml]:
180
Kompresszor olaj:
PAG 46
Kompresszor-azonosító:
7SEU17C
töltött:
Rovátkák száma:
4
hűtőfolyadék:
R 134a
OE-számhoz:
64526950152
Tömeg [g]:
5 200
Bruttó tömeg [g]:
6 010
Kompresszor olaj:
ND-8
Bemeneti átmérő [mm]:
28,4
Kifújó átmérő [mm]:
15,3
Minőség:
DENSO
Termékfotó
Elstock 510472 klíma kompresszor 110mm-es szíjtárcsával 4rovátkás BMW 5 (E60) 5 (E61) 7 (E65-E67)
Gyártó: ELSTOCK
Cikkszám: 51-0472
Kártyaszám: 1364273
20
145 630 Ft-tól
Szíjtárcsaátmérő [mm]:
110
Rovátkák száma:
4
Kompresszor olaj:
PAG 46
Olajfeltöltési mennyiség [ml]:
180
hűtőfolyadék:
R 134a
Kiegészítő cikk/kiegészítő info:
tömítésekkel
Tengelykapcsoló-azonosító:
DIRECT DRIVE
rögzítő furatok száma:
3
Csatlakozókivitel száma:
2-Pin Plug
Gyártó korlátozás:
DENSO 7SEU17C
Nettó súly [kg]:
5,27
Csatlakozókivitel száma:
2 pins
Termékfotó
Mahle ACP140000S klíma kompresszor 4bordás 110mm-es szíjtárcsával 4rovátkás typ:7seu17c BMW 5 (E60) 5 (E61) 7 (E65-E67)
Gyártó: MAHLE
Cikkszám: ACP 140 000S
Kártyaszám: 1364282
15
110 440 Ft-tól
Kompresszor-azonosító:
7SEU17C
Kompresszor olaj:
PAG 46
hűtőfolyadék:
R 134a
Feszültség [V]:
12
Gyártó korlátozás:
Denso
Szíjtárcsaátmérő [mm]:
110
Szíjtárcsák:
Hosszbordás ékszíj tárcsával
Csatlakozás technika:
PAD
Bordák száma:
4
Kiegészítő cikk/kiegészítő info 2:
tömítőgyűrűvel
Csomagolási hossz [cm]:
18,5
Csomagolási magasság [cm]:
21
Csomagolási szélesség [cm]:
27,5
Nettó tömeg [g]:
5 337
Nettó tömeg [g]:
5 217
Rovátkák száma:
4
Csomagolási hossz [mm]:
18,5
Termékfotó
Nissens 89359 klíma kompresszor 110mm-es szíjtárcsával 4rovátkás typ:7seu17c BMW 5 (E60) 5 (E61) 7 (E65-E67)
Gyártó: NISSENS
Cikkszám: 89359
Kártyaszám: 1364285
11
88 370 Ft-tól
Gyártó korlátozás:
DENSO
Rovátkák száma:
4
Kompresszor-azonosító:
7SEU17C
hűtőfolyadék:
R 134a
Olajfeltöltési mennyiség [ml]:
150
Feszültség [V]:
12
Kompresszortérfogat [cm3]:
171
Szíjtárcsaátmérő [mm]:
110
Felszereltségi változat:
FIRST FIT
Kompresszor olaj:
PAG 46
Kompresszortérfogat [cm3]:
180
Kompresszor-azonosító:
7SE17
Kiegészítő cikk/kiegészítő info 2:
PAG kompresszorolajjal
Szívóátmérő [mm]:
28
Kipufogóátmérő [mm]:
15
A dugós csatlakozások száma:
2
Olajfeltöltési mennyiség [ml]:
180
Kiegészítő cikk/kiegészítő info 2:
mágneskuplunggal
Kiegészítő cikk/kiegészítő info 2:
dióda nélkül
Csatlakozó ház forma:
ovális
Bemeneti átmérő [mm]:
28
Kifújó átmérő [mm]:
15
Aljzat kivitel:
anya
Termékfotó
NRF 32531 klíma kompresszor 110mm-es szíjtárcsával 4rovátkás typ:7seu17c BMW 5 (E60) 5 (E61) 7 (E65-E67)
Gyártó: NRF
Cikkszám: 32531
Kártyaszám: 1364286
12
83 520 Ft-tól
Gyártó korlátozás:
DENSO-EQUIVALENT
Kiegészítő cikk/kiegészítő info 2:
PAG kompresszorolajjal
Kompresszor-azonosító:
7SEU17C
Üzemi feszültség [V]:
12
hűtőfolyadék:
R 134a
Kompresszor olaj:
PAG 46
Rovátkák száma:
4
Szíjtárcsaátmérő [mm]:
110
Kompresszortérfogat [cm3]:
170
Szívóátmérő [mm]:
28,4
Kipufogóátmérő [mm]:
15,3
Feszültség [V]:
12
Minőség:
OE-EQUIVALENT
Kiegészítő cikk/kiegészítő info 2:
tömítőgyűrűvel
Bemeneti átmérő [mm]:
28,4
Kifújó átmérő [mm]:
15,3
Termékfotó
Valeo 813193 klíma kompresszor 112mm-es szíjtárcsával 5rovátkás typ:trse07 Honda Jazz II 2002-2008
Gyártó: VALEO
Cikkszám: 813193
Kártyaszám: 2015703
9
163 150 Ft-tól
Új alkatrész:
Gyártó korlátozás:
SANDEN
Kompresszor-azonosító:
TRSE07
hűtőfolyadék:
R 134a
Feszültség [V]:
12
Olajfeltöltési mennyiség [ml]:
75
Szíjtárcsaátmérő [mm]:
112
Rovátkák száma:
5
Kiegészítő cikk/kiegészítő info 2:
PAG kompresszorolajjal
Kompresszor olaj:
PAG 46
Tömeg [kg]:
7,31
Cserealkatrész betét nélkül:
Termékfotó
QWP WCP371R klíma kompresszor 110mm-es szíjtárcsával 4rovátkás typ:7seu17c BMW 5 (E60) 5 (E61) 7 (E65-E67)
Gyártó: Quality Workshop Parts
Cikkszám: WCP371R
Kártyaszám: 4830201
4
101 840 Ft-tól
Gyártó korlátozás:
DENSO-EQUIVALENT
Kiegészítő cikk/kiegészítő info 2:
PAG kompresszorolajjal
Kompresszor-azonosító:
7SEU17C
Üzemi feszültség [V]:
12
hűtőfolyadék:
R 134a
Kompresszor olaj:
PAG 46
Rovátkák száma:
4
Szíjtárcsaátmérő [mm]:
110
Kompresszortérfogat [cm3]:
170
Szívóátmérő [mm]:
28 4
Kipufogóátmérő [mm]:
15 3
Termékfotó
Bosch 1986AD1339 klíma kompresszor 110mm-es szíjtárcsával 4rovátkás typ:7seu17c BMW 5 (E60) 5 (E61) 7 (E65-E67)
Gyártó: BOSCH
Cikkszám: 1 986 AD1 339
Kártyaszám: 20012412
3
107 350 Ft-tól
Feszültség [V]:
12
Rovátkák száma:
4
Szíjtárcsaátmérő [mm]:
110
Szívóátmérő [mm]:
28,4
Kipufogóátmérő [mm]:
15,4
Olajfeltöltési mennyiség [ml]:
150
Kompresszor olaj:
PAG 46
Kompresszor-azonosító:
7SEU17C
hűtőfolyadék:
R 134a
Kiegészítő cikk/kiegészítő info 2:
szerelési útmutatóval
Kiegészítő cikk/kiegészítő info 2:
tömítőgyűrűvel
Termékfotó
Lucas ACP571 klíma kompresszor 110mm-es szíjtárcsával 4rovátkás BMW 5 (E60) 5 (E61) 7 (E65-E67)
Gyártó: LUCAS
Cikkszám: ACP571
Kártyaszám: 20132677
6
102 890 Ft-tól
Szíjtárcsaátmérő [mm]:
110
Rovátkák száma:
4
Kompresszor olaj:
PAG 46
Olajfeltöltési mennyiség [ml]:
180
hűtőfolyadék:
R 134a
Kiegészítő cikk/kiegészítő info:
tömítésekkel
Tengelykapcsoló-azonosító:
DIRECT DRIVE
rögzítő furatok száma:
3
Csatlakozókivitel száma:
2 pins
Gyártó korlátozás:
DENSO 7SEU17C
Nettó súly [kg]:
5,27
Termékfotó
Acauto AC02DN03B kompresszor szabályozó szelep mechanikus 94mm Audi BMW Nissan Porsche OE:926004EF0A OE:926004MS1A OE:926004PB0A
Gyártó: Acauto
Cikkszám: AC-02DN03.B
Kártyaszám: 20182428
88
15 560 Ft-tól
Gyártó korlátozás:
DENSO
Működési mód:
mechanikus
Hossz [mm]:
94
Kompresszor-azonosító:
5SE12
Kompresszor-azonosító:
6SBH
Kompresszor-azonosító:
6SBL
Kompresszor-azonosító:
6SBU
Kompresszor-azonosító:
6SEL
Kompresszor-azonosító:
6SES
Kompresszor-azonosító:
6SEU
Kompresszor-azonosító:
7SEU
Kompresszor-azonosító:
7SDS
Kompresszor-azonosító:
7SBU
Termékfotó
Acauto AC05DN07 menesztőtárcsa mágneses tengelykapcsoló - kompresszor BMW Toyota Jaguar Land Rover
Gyártó: Acauto
Cikkszám: AC-05DN07
Kártyaszám: 20182567
28
6 140 Ft-tól
Gyártó korlátozás:
DENSO
Gyártó korlátozás:
BMW
Gyártó korlátozás:
MERCEDES
Gyártó korlátozás:
JAGUAR
Gyártó korlátozás:
LAND ROVER
Gyártó korlátozás:
TOYOTA
Külső átmérő [mm]:
83
Magasság [mm]:
19,2
Kompresszor-azonosító:
5SL
Kompresszor-azonosító:
5SE
Kompresszor-azonosító:
6SE
Kompresszor-azonosító:
7SE
Termékfotó
Acauto AC05DN08 menesztőtárcsa mágneses tengelykapcsoló - kompresszor BMW Toyota
Gyártó: Acauto
Cikkszám: AC-05DN08
Kártyaszám: 20182568
18
910 Ft-tól
Gyártó korlátozás:
DENSO
Gyártó korlátozás:
BMW
Gyártó korlátozás:
TOYOTA
Külső átmérő [mm]:
0
Magasság [mm]:
0
Szerszámfelvétel magassága [mm]:
0
Kompresszor-azonosító:
5SL
Kompresszor-azonosító:
5SE
Kompresszor-azonosító:
6SE
Kompresszor-azonosító:
7SE
Termékfotó
Acauto AC06DN121 klímakompresszor mágnestekercs BMW
Gyártó: Acauto
Cikkszám: AC-06DN121
Kártyaszám: 20182646
11
22 170 Ft-tól
Átmérő 1/átmérő 2 [mm]:
110
Átmérő 1/átmérő 2 [mm]:
111
kerékcsapágy átmérőhöz [mm]:
35
kerékcsapágy átmérőhöz [mm]:
52
kerékcsapágy átmérőhöz [mm]:
12
Gyártó korlátozás:
DENSO
Gyártó korlátozás:
BMW
Csatlakozókivitel száma:
N/A_
Jellemző méret:
V4
Kompresszor-azonosító:
7SE
Kinyomócsapágy magassága [mm]:
12
Átmérő 1/átmérő 2 [mm]:
110/111
Kompresszor-azonosító:
7SEU17C
További termékek
Tovább olvasom