Powered by Smartsupp Honda ACCORD VI 1998-2003 (CK, CG, CH, CF) elsőtengely féktárcsa
Univerzális menü

Herth+Buss Jakoparts féktárcsa bevonatolt,belső hűtésű

Honda Accord 2.0 benzin,Accord 2.3 benzin
Cikkszám: J3304047
Gyártó: Herth+Buss Jakoparts
Kártyaszám: 14092217
Termékfotó
Bosch féktárcsa olajozott,szellőztetett
Gyártó: BOSCH
Cikkszám: 0 986 479 686
Kártyaszám: 1966662
20
16 440 Ft-tól
Külső átmérő [mm]:
279,6
Féktárcsavastagság [mm]:
25
Minimális vastagság [mm]:
23
Magasság [mm]:
47,1
lyukkörátmérő [mm]:
114,3
Féktárcsa fajta:
Szellőztetett
Centrírozási átmérő [mm]:
64,1
Lyukszám:
5
Felület:
olajozott
ECE-szabvány szerinti:
ECE-R90
Furatátmérőig [mm]:
12,6
Termékfotó
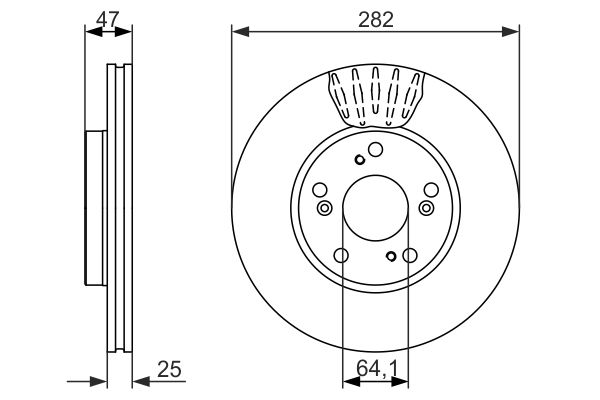
Blue Print féktárcsa bevonatolt,belső hűtésű
Gyártó: BLUE PRINT
Cikkszám: ADH24371
Kártyaszám: 1969621
58
18 360 Ft-tól
Féktárcsavastagság [mm]:
25
Lyukszám:
5
rögzítő furatok száma:
4
Vastagság [mm]:
49
Külső átmérő [mm]:
282
lyukkörátmérő [mm]:
114,3
Felület:
bevonatolt
Féktárcsa fajta:
Belső hűtésű
Beépítési oldal:
elsőtengely
Minimális vastagság [mm]:
23
Tömeg [kg]:
6,85
Centrírozási átmérő [mm]:
64
Keréktárcsa lyukszáma:
5
lyukkörátmérő [mm]:
114
Szervizinformáció figyelembe veendő:
Termékfotó
Delphi féktárcsa olajozott,szellőztetett
Gyártó: DELPHI
Cikkszám: BG4768
Kártyaszám: 1969626
13
17 830 Ft-tól
Féktárcsa fajta:
Szellőztetett
Lyukszám:
5
Vizsgálat jelzés:
E4 90R-02C0703/2598
Kiegészítő cikk/kiegészítő info 2:
kerékcsapágy nélkül
Kiegészítő cikk/kiegészítő info 2:
ABS-érzékelőgyűrű nélkül
Felület:
olajozott
Feldolgozás:
kezeletlen
Külső átmérő [mm]:
282
Féktárcsavastagság [mm]:
25
Minimális vastagság [mm]:
23
Centrírozási átmérő [mm]:
64
Magasság [mm]:
47
Vizsgálat jelzés:
E4 90R-02C0703/3147
Centrírozási átmérő [mm]:
64,1
Termékfotó
A.B.S. féktárcsa bevonatolt,szellőztetett
Gyártó: A.B.S.
Cikkszám: 17468
Kártyaszám: 1971503
59
14 510 Ft-tól
Külső átmérő [mm]:
280
Féktárcsavastagság [mm]:
25
Minimális vastagság [mm]:
23
Magasság [mm]:
47
Keréktárcsa lyukszáma:
5
Féktárcsa fajta:
Szellőztetett
Agyátmérő [mm]:
64
Kerékcsavarfurat-átmérő [mm]:
114,3
Felület:
bevonatolt
Tömeg [kg]:
6,78
lyukkörátmérő [mm]:
114,3
Magasság [mm]:
47,2
Agyátmérő [mm]:
151
Termékfotó
Ate féktárcsa bevonatolt,szellőztetett
Gyártó: ATE
Cikkszám: 24.0125-0187.1
Kártyaszám: 1971538
27
24 270 Ft-tól
Külső átmérő [mm]:
280
Féktárcsavastagság [mm]:
25
Minimális vastagság [mm]:
23
Féktárcsa fajta:
Szellőztetett
Felület:
bevonatolt
Lyukszám:
5
MAPP kód elérhető:
lyukkörátmérő [mm]:
114,3
Magasság [mm]:
47,2
Centrírozási átmérő [mm]:
64,1
Belső átmérő [mm]:
142,2
Furatátmérő [mm]:
13
Vizsgálat jelzés:
E1 90R-02C0115/0332
Termékfotó
Blue Print féktárcsa bevonatolt,belső hűtésű
Gyártó: BLUE PRINT
Cikkszám: ADH24384
Kártyaszám: 1971542
67
18 940 Ft-tól
Féktárcsavastagság [mm]:
25
Lyukszám:
5
rögzítő furatok száma:
2
Vastagság [mm]:
47,1
Külső átmérő [mm]:
280
lyukkörátmérő [mm]:
114,3
Felület:
bevonatolt
Féktárcsa fajta:
Belső hűtésű
Beépítési oldal:
elsőtengely
Minimális vastagság [mm]:
23
Tömeg [kg]:
6,97
Centrírozási átmérő [mm]:
64
Keréktárcsa lyukszáma:
5
Vastagság [mm]:
47
lyukkörátmérő [mm]:
114
Szervizinformáció figyelembe veendő:
Termékfotó
Japanparts féktárcsa lakkozott,szellőztetett
Gyártó: JAPANPARTS
Cikkszám: DI-420C
Kártyaszám: 1971627
13
13 180 Ft-tól
Beépítési oldal:
elsőtengely
lyukkörátmérő [mm]:
64
Magasság [mm]:
47
Féktárcsavastagság [mm]:
25
Minimális vastagság [mm]:
23
Furatok száma:
5
Féktárcsa fajta:
Szellőztetett
Külső átmérő [mm]:
280
Vizsgálat jelzés:
ECE R90 APPROVED
Felület:
lakkozott
Meghúzási nyomaték [Nm]:
108
Termékfotó
Kamoka féktárcsa bevonatolt,szellőztetett
Gyártó: KAMOKA
Cikkszám: 1031128
Kártyaszám: 1971649
15
9 660 Ft-tól
Lyukszám:
5
Féktárcsa fajta:
Szellőztetett
Féktárcsavastagság [mm]:
25
Minimális vastagság [mm]:
23
lyukkörátmérő [mm]:
114,3
Furatátmérő [mm]:
13
Centrírozási átmérő [mm]:
64,1
Belső átmérő [mm]:
142,2
Külső átmérő [mm]:
280
Magasság [mm]:
47
Felület:
bevonatolt
lyukkörátmérő [mm]:
114
Centrírozási átmérő [mm]:
64
Termékfotó
Optimal féktárcsa bevonatolt,szellőztetett
Gyártó: OPTIMAL
Cikkszám: BS-8458HC
Kártyaszám: 1971716
9
20 940 Ft-tól
Beépítési oldal:
elsőtengely
Féktárcsa fajta:
Szellőztetett
Féktárcsavastagság [mm]:
25
Külső átmérő [mm]:
280
Keréktárcsa átmérő [col]:
15
Magasság [mm]:
47,1
Feldolgozás:
magas széntartalmú
Centrírozási átmérő [mm]:
64,2
Felület:
bevonatolt
Minimális vastagság [mm]:
23
Furat/lyukszám:
5/9
Keréktárcsa átmérő [col]:
15,0
Termékfotó
Rotinger féktárcsa galvanikus bevonattal,szellőztetett
Gyártó: ROTINGER
Cikkszám: RT 20372-GL
Kártyaszám: 1971746
12
18 130 Ft-tól
Féktárcsa fajta:
Szellőztetett
Felület:
galvanikus bevonattal
Külső átmérő [mm]:
281,7
Belső átmérő [mm]:
142,5
Centrírozási átmérő [mm]:
64,2
Magasság [mm]:
47
Féktárcsavastagság [mm]:
25
Minimális vastagság [mm]:
23
Lyukszám:
5
Menetméret:
12,6
Lyukszám 1:
2
Furattávolság 1 [mm]:
100
Tömeg [kg]:
6,8
lyukkörátmérő [mm]:
114,3
Termékfotó
Rotinger féktárcsa galvanikus bevonattal,szellőztetett
Gyártó: ROTINGER
Cikkszám: RT 20372-GL T5
Kártyaszám: 1971748
12
25 770 Ft-tól
Féktárcsa fajta:
Lyuggatott
Féktárcsa fajta:
Szellőztetett
Felület:
galvanikus bevonattal
Külső átmérő [mm]:
281,7
Belső átmérő [mm]:
142,5
Centrírozási átmérő [mm]:
64,2
Magasság [mm]:
47
Féktárcsavastagság [mm]:
25
Minimális vastagság [mm]:
23
Lyukszám:
5
Menetméret:
12,6
Lyukszám 1:
2
Furattávolság 1 [mm]:
100
Tömeg [kg]:
6,8
lyukkörátmérő [mm]:
114,3
Termékfotó
Blue Print féktárcsa bevonatolt,belső hűtésű
Gyártó: BLUE PRINT
Cikkszám: ADH243121
Kártyaszám: 1978841
82
11 410 Ft-tól
Féktárcsavastagság [mm]:
25
Lyukszám:
5
rögzítő furatok száma:
2
Vastagság [mm]:
47,1
Külső átmérő [mm]:
280
lyukkörátmérő [mm]:
114,3
Felület:
bevonatolt
Féktárcsa fajta:
Belső hűtésű
Beépítési oldal:
elsőtengely
Minimális vastagság [mm]:
23
Tömeg [kg]:
6,9
Centrírozási átmérő [mm]:
64
Keréktárcsa lyukszáma:
5
Vastagság [mm]:
47
lyukkörátmérő [mm]:
114
Szervizinformáció figyelembe veendő:
Termékfotó
Bosch féktárcsa olajozott,szellőztetett
Gyártó: BOSCH
Cikkszám: 0 986 479 625
Kártyaszám: 1978849
24
17 070 Ft-tól
Külső átmérő [mm]:
280
Féktárcsavastagság [mm]:
25
Minimális vastagság [mm]:
23
Magasság [mm]:
47,1
lyukkörátmérő [mm]:
114,3
Féktárcsa fajta:
Szellőztetett
Centrírozási átmérő [mm]:
64,15
Lyukszám:
5
Felület:
olajozott
ECE-szabvány szerinti:
ECE-R90
Furatátmérőig [mm]:
12,6
További termékek

OE referencia számok listája:
(Az azonosító számokat rendelés előtt mindig pontosítani kell a járműgyártói dokumentációkban!)

HONDA (45251-S1A-E40)
HONDA (45251-SEA-E00)


Tovább olvasom
Féktárcsa fajta
Belső hűtésű
Külső átmérő [mm]
279,5
Féktárcsavastagság [mm]
25
Minimális vastagság [mm]
23
Lyukszám
5
Lyukszám 1
2
lyukkörátmérő [mm]
114,3
Belső átmérő [mm]
141
Magasság [mm]
47,1
Agyátmérő [mm]
64,2
Felület
bevonatolt
ECE-szabvány szerinti
E1 90R 02C0064/0394
Lyukszám 2
2
SVHC
Nem található SVHC anyag!
Tovább olvasom

2.3 (CL3, S86) benzin (2.3 16V 113kw 154LE 2254ccm) Eng.code: F23A1,F23Z5 Type id: 15817

2.3 (CL4) benzin (2.3 16V 113kw 154LE 2254ccm) Eng.code: F23Z5 Type id: 17714

2.0 (CL7) benzin (2.0 16V 114kw 155LE 1998ccm) Eng.code: K20A6,K20Z2 Type id: 17126

2.0 (CM1) benzin (2.0 16V 114kw 155LE 1998ccm) Eng.code: K20A6,K20Z2 Type id: 17263

Tovább olvasom
Tovább olvasom