Powered by Smartsupp Honda ACCORD VII 2003-2008 (CL, CN) elsőtengely féktárcsa
Univerzális menü

Ferodo féktárcsa bevonatolt,szellőztetett

PREMIER
Cikkszám: DDF1557C
Gyártó: FERODO
Kártyaszám: 1971602
Termékfotó
A.B.S. féktárcsa bevonatolt,szellőztetett
Gyártó: A.B.S.
Cikkszám: 17468
Kártyaszám: 1971503
59
14 510 Ft-tól
Külső átmérő [mm]:
280
Féktárcsavastagság [mm]:
25
Minimális vastagság [mm]:
23
Magasság [mm]:
47
Keréktárcsa lyukszáma:
5
Féktárcsa fajta:
Szellőztetett
Agyátmérő [mm]:
64
Kerékcsavarfurat-átmérő [mm]:
114,3
Felület:
bevonatolt
Tömeg [kg]:
6,78
lyukkörátmérő [mm]:
114,3
Magasság [mm]:
47,2
Agyátmérő [mm]:
151
Termékfotó
Blue Print féktárcsa bevonatolt,belső hűtésű
Gyártó: BLUE PRINT
Cikkszám: ADH24384
Kártyaszám: 1971542
67
18 940 Ft-tól
Féktárcsavastagság [mm]:
25
Lyukszám:
5
rögzítő furatok száma:
2
Vastagság [mm]:
47,1
Külső átmérő [mm]:
280
lyukkörátmérő [mm]:
114,3
Felület:
bevonatolt
Féktárcsa fajta:
Belső hűtésű
Beépítési oldal:
elsőtengely
Minimális vastagság [mm]:
23
Tömeg [kg]:
6,97
Centrírozási átmérő [mm]:
64
Keréktárcsa lyukszáma:
5
Vastagság [mm]:
47
lyukkörátmérő [mm]:
114
Szervizinformáció figyelembe veendő:
Termékfotó
Japanparts féktárcsa lakkozott,szellőztetett
Gyártó: JAPANPARTS
Cikkszám: DI-420C
Kártyaszám: 1971627
13
13 180 Ft-tól
Beépítési oldal:
elsőtengely
lyukkörátmérő [mm]:
64
Magasság [mm]:
47
Féktárcsavastagság [mm]:
25
Minimális vastagság [mm]:
23
Furatok száma:
5
Féktárcsa fajta:
Szellőztetett
Külső átmérő [mm]:
280
Vizsgálat jelzés:
ECE R90 APPROVED
Felület:
lakkozott
Meghúzási nyomaték [Nm]:
108
Termékfotó
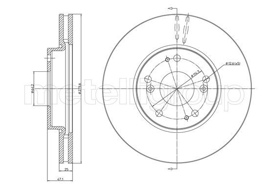
Metelli féktárcsa lakkozott,szellőztetett
Gyártó: METELLI
Cikkszám: 23-1536C
Kártyaszám: 1971683
13
16 900 Ft-tól
Felület:
lakkozott
Lyukszám:
5
lyukkörátmérő [mm]:
64,2
Magasság [mm]:
47,1
Vizsgálat jelzés:
Approved
Féktárcsa fajta:
Szellőztetett
Külső átmérő [mm]:
279,6
Minimális vastagság [mm]:
23
Féktárcsavastagság [mm]:
25
Vizsgálat jelzés:
ECE-R90
Centrírozási átmérő [mm]:
64,2
Termékfotó
Meyle féktárcsa cinkbevonatú lamellák,szellőztetett
Gyártó: MEYLE
Cikkszám: 31-15 521 0050/PD
Kártyaszám: 1971689
10
15 780 Ft-tól
Beépítési oldal:
elsőtengely
Külső átmérő [mm]:
280
Magasság [mm]:
47,2
Féktárcsavastagság [mm]:
25
Minimális vastagság [mm]:
23
Centrírozási átmérő [mm]:
64,1
lyukkörátmérő [mm]:
114,3
Lyukszám:
5
Féktárcsa fajta:
Szellőztetett
Felület:
Cinkbevonatú lamellák
Szükséges darabszám:
2
Termékfotó
Optimal féktárcsa bevonatolt,szellőztetett
Gyártó: OPTIMAL
Cikkszám: BS-8458HC
Kártyaszám: 1971716
9
20 940 Ft-tól
Beépítési oldal:
elsőtengely
Féktárcsa fajta:
Szellőztetett
Féktárcsavastagság [mm]:
25
Külső átmérő [mm]:
280
Keréktárcsa átmérő [col]:
15
Magasság [mm]:
47,1
Feldolgozás:
magas széntartalmú
Centrírozási átmérő [mm]:
64,2
Felület:
bevonatolt
Minimális vastagság [mm]:
23
Furat/lyukszám:
5/9
Keréktárcsa átmérő [col]:
15,0
Termékfotó
Blue Print féktárcsa bevonatolt,belső hűtésű
Gyártó: BLUE PRINT
Cikkszám: ADH243121
Kártyaszám: 1978841
82
11 410 Ft-tól
Féktárcsavastagság [mm]:
25
Lyukszám:
5
rögzítő furatok száma:
2
Vastagság [mm]:
47,1
Külső átmérő [mm]:
280
lyukkörátmérő [mm]:
114,3
Felület:
bevonatolt
Féktárcsa fajta:
Belső hűtésű
Beépítési oldal:
elsőtengely
Minimális vastagság [mm]:
23
Tömeg [kg]:
6,9
Centrírozási átmérő [mm]:
64
Keréktárcsa lyukszáma:
5
Vastagság [mm]:
47
lyukkörátmérő [mm]:
114
Szervizinformáció figyelembe veendő:
Termékfotó
Brembo féktárcsa bevonatolt,belső hűtésű
Gyártó: BREMBO
Cikkszám: 09.A350.11
Kártyaszám: 3368270
21
19 050 Ft-tól
Kiegészítő cikk/kiegészítő info 2:
csavarokkal
Magasság [mm]:
47
Lyukszám:
5
Féktárcsa fajta:
Belső hűtésű
Centrírozási átmérő [mm]:
64
Féktárcsavastagság [mm]:
25
Meghúzási nyomaték [Nm]:
108
Minimális vastagság [mm]:
23
Felület:
bevonatolt
Külső átmérő [mm]:
280
További termékek

OE referencia számok listája:
(Az azonosító számokat rendelés előtt mindig pontosítani kell a járműgyártói dokumentációkban!)

HONDA (45251S1AE40)
HONDA (45251SEAE00)


Tovább olvasom
Magasság [mm]
47
Tömeg [kg]
7,12
Féktárcsa fajta
Szellőztetett
Féktárcsavastagság [mm]
25
Minimális vastagság [mm]
23
Külső átmérő [mm]
280
Lyukszám
5
Centrírozási átmérő [mm]
64
Meghúzási nyomaték [Nm]
108
Felület
bevonatolt
Mennyiségi egység
Készlet
Kiegészítő cikk/kiegészítő info 2
csavarokkal
Csomagolási hossz [cm]
30
Csomagolási szélesség [cm]
30
Csomagolási magasság [cm]
12
Magasság [mm]
47,2
Féktárcsavastagság [mm]
24,9
Tovább olvasom

2.0 (CL7) benzin (2.0 16V 114kw 155LE 1998ccm) Eng.code: K20A6,K20Z2 Type id: 17126

2.0 Összkerékhajtás (CL8) benzin (2.0 16V 114kw 155LE 1998ccm) Eng.code: K20A6 Type id: 17716

2.2 i-CTDi (CN1) diesel (2.2 16V 103kw 140LE 2204ccm) Eng.code: N22A1 Type id: 17485

2.4 (CL9) benzin (2.4 16V 140kw 190LE 2354ccm) Eng.code: K24A,K24A3 Type id: 17127

2.0 (CM1) benzin (2.0 16V 114kw 155LE 1998ccm) Eng.code: K20A6,K20Z2 Type id: 17263

2.2 i-CTDi (CN2) diesel (2.2 16V 103kw 140LE 2204ccm) Eng.code: N22A1 Type id: 17486

2.4 (CM2) benzin (2.4 16V 140kw 190LE 2354ccm) Eng.code: K24A3 Type id: 17264

Tovább olvasom
A Ferodo brit fékgyártó vállalat, amelynek székhelye a High Peak-i Chapel-en-le-Frithben, Derbyshire-ben található. A céget 1897-ben alapította Herbert Frood (1864-1931), a gyártás 1901-ben kezdődött Gortonban, majd 1902-ben Chapel-en-le-Frithbe költözött. A Ferodo volt az első cég, amely azbesztet használt a fékbetétekhez, és kifejlesztette az első modern féksúrlódó anyagokat. A Ferodo UK 1926-ban a Turner & Newall részévé vált. Volt egy gyára Chapel-en-le-Frith-ben, 1964-ben pedig Caernarfonban nyitott egy másikat. 1998-ban a Turner & Newallt felvásárolta a Federal-Mogul hatalmas autóipari csoport, amely ma a Federal-Mogul Aftermarket UK Limited része.
Tovább olvasom