Powered by Smartsupp Land Rover RANGE ROVER III 2002-2012 (L322) hátsótengely féktárcsa
Univerzális menü

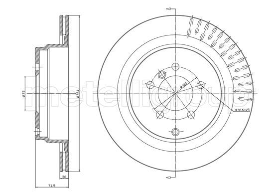
Blue Print féktárcsa bevonatolt,belső hűtésű

Land Rover Range Rover
Cikkszám: ADJ134315
Gyártó: BLUE PRINT
Kártyaszám: 2242558
Termékfotó
Delphi féktárcsa bevonatolt,szellőztetett
Gyártó: DELPHI
Cikkszám: BG9007C
Kártyaszám: 2230898
12
28 430 Ft-tól
Féktárcsa fajta:
Szellőztetett
Lyukszám:
5
Vizsgálat jelzés:
E1 90R-02C0343/1765
Kiegészítő cikk/kiegészítő info 2:
kerékcsapágy nélkül
Kiegészítő cikk/kiegészítő info 2:
ABS-érzékelőgyűrű nélkül
Felület:
bevonatolt
Feldolgozás:
kezeletlen
Külső átmérő [mm]:
360
Féktárcsavastagság [mm]:
30
Minimális vastagság [mm]:
27
Centrírozási átmérő [mm]:
79
Magasság [mm]:
62
Magasság [mm]:
62,1
Termékfotó
Trucktec féktárcsa szellőztetett
Gyártó: TRUCKTEC AUTOMOTIVE
Cikkszám: 22.35.112
Kártyaszám: 2231004
11
24 670 Ft-tól
OE-számhoz:
SDB500203
Beépítési oldal:
hátsótengely
Féktárcsa fajta:
Szellőztetett
Féktárcsavastagság [mm]:
20
Külső átmérő [mm]:
354
Lyukszám:
5
lyukkörátmérő [mm]:
120
Termékfotó
A.B.S. féktárcsa bevonatolt,szellőztetett
Gyártó: A.B.S.
Cikkszám: 17733
Kártyaszám: 2242527
55
21 160 Ft-tól
Külső átmérő [mm]:
354
Féktárcsavastagság [mm]:
20
Minimális vastagság [mm]:
17
Magasság [mm]:
75
Keréktárcsa lyukszáma:
5
Féktárcsa fajta:
Szellőztetett
Agyátmérő [mm]:
79
Kerékcsavarfurat-átmérő [mm]:
120
Felület:
bevonatolt
Tömeg [kg]:
9,28
lyukkörátmérő [mm]:
120
Agyátmérő [mm]:
209
Magasság [mm]:
74,8
Termékfotó
Ate féktárcsa bevonatolt,szellőztetett
Gyártó: ATE
Cikkszám: 24.0120-0200.1
Kártyaszám: 2242556
19
17 350 Ft-tól
Külső átmérő [mm]:
354
Féktárcsavastagság [mm]:
20
Minimális vastagság [mm]:
17
Féktárcsa fajta:
Szellőztetett
Feldolgozás:
ötvözött/magas széntartalmú
Felület:
bevonatolt
Lyukszám:
5
MAPP kód elérhető:
lyukkörátmérő [mm]:
120
Magasság [mm]:
74,9
Centrírozási átmérő [mm]:
79
Belső átmérő [mm]:
210
Furatátmérő [mm]:
16,6
Vizsgálat jelzés:
E1 90R-02C0234/1322
Termékfotó
Bosch féktárcsa bevonatolt,szellőztetett
Gyártó: BOSCH
Cikkszám: 0 986 479 479
Kártyaszám: 2242565
18
26 290 Ft-tól
Külső átmérő [mm]:
354
Féktárcsavastagság [mm]:
20
Minimális vastagság [mm]:
17
Magasság [mm]:
74,8
lyukkörátmérő [mm]:
120
Féktárcsa fajta:
Szellőztetett
Centrírozási átmérő [mm]:
79
Lyukszám:
5
Felület:
bevonatolt
Feldolgozás:
ötvözött/magas széntartalmú
ECE-szabvány szerinti:
ECE-R90
Furatátmérőig [mm]:
16,7
Termékfotó
Brembo féktárcsa bevonatolt,belső hűtésű
Gyártó: BREMBO
Cikkszám: 09.9373.21
Kártyaszám: 2242572
18
24 740 Ft-tól
Felület:
bevonatolt
Magasság [mm]:
75
Külső átmérő [mm]:
354
Féktárcsa fajta:
Belső hűtésű
Lyukszám:
5
Féktárcsavastagság [mm]:
20
Centrírozási átmérő [mm]:
79
Minimális vastagság [mm]:
17
Meghúzási nyomaték [Nm]:
140
Feldolgozás:
magas széntartalmú
Termékfotó
Febi Bilstein féktárcsa bevonatolt,belső hűtésű
Gyártó: Febi Bilstein
Cikkszám: 43888
Kártyaszám: 2242604
50
21 140 Ft-tól
Féktárcsavastagság [mm]:
20
Keréktárcsa lyukszáma:
5
rögzítő furatok száma:
2
Vastagság [mm]:
74,8
Külső átmérő [mm]:
354
lyukkörátmérő [mm]:
120
Felület:
bevonatolt
Féktárcsa fajta:
Belső hűtésű
Beépítési oldal:
hátsótengely
Minimális vastagság [mm]:
17
Centrírozási átmérő [mm]:
79
Tömeg [kg]:
9,28
Szervizinformáció figyelembe veendő:
Termékfotó
Hella Pagid féktárcsa bevonatolt,külső hűtésű
Gyártó: HELLA PAGID
Cikkszám: 8DD 355 115-291
Kártyaszám: 2242625
25
30 070 Ft-tól
Féktárcsa fajta:
Külső hűtésű
Külső átmérő [mm]:
354
Féktárcsavastagság [mm]:
20
Magasság [mm]:
74,9
Minimális vastagság [mm]:
17
Felület:
bevonatolt
Belső átmérő [mm]:
210,1
lyukkörátmérő [mm]:
120
Centrírozási átmérő [mm]:
79
Furat/lyukszám:
05/07
Kerékcsavarfurat-átmérő [mm]:
16,6
Kiegészítő cikk/kiegészítő info 2:
kerékagy nélkül
Kiegészítő cikk/kiegészítő info 2:
kerékcsapágy nélkül
Kiegészítő cikk/kiegészítő info 2:
kerékrögzítő csavar nélkül
Tömeg [kg]:
9,2
Műszaki információs szám:
54755PRO
Kerékcsap-furatátmérő [mm]:
16,6
Termékfotó
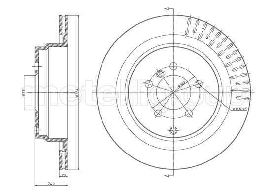
Metelli féktárcsa lakkozott,szellőztetett
Gyártó: METELLI
Cikkszám: 23-1731C
Kártyaszám: 2242663
13
15 110 Ft-tól
Vizsgálat jelzés:
ECE-R90
Magasság [mm]:
74,8
Féktárcsa fajta:
Szellőztetett
Féktárcsavastagság [mm]:
20
Külső átmérő [mm]:
354
Lyukszám:
5
lyukkörátmérő [mm]:
79
Felület:
lakkozott
Centrírozási átmérő [mm]:
79
Termékfotó
Optimal féktárcsa bevonatolt,szellőztetett
Gyártó: OPTIMAL
Cikkszám: BS-8400C
Kártyaszám: 2242682
11
23 260 Ft-tól
Beépítési oldal:
hátsótengely
Féktárcsa fajta:
Szellőztetett
Féktárcsavastagság [mm]:
20
Külső átmérő [mm]:
354
Magasság [mm]:
74,8
Centrírozási átmérő [mm]:
79
Felület:
bevonatolt
Minimális vastagság [mm]:
18
Furat/lyukszám:
5/7
Termékfotó
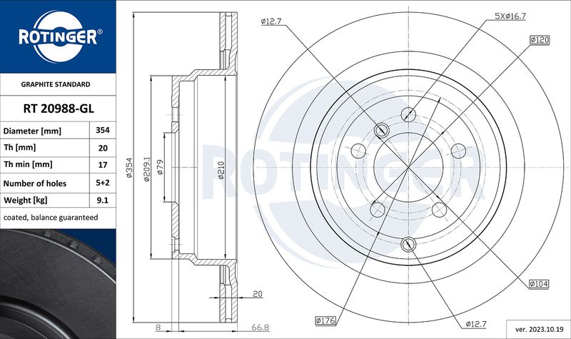
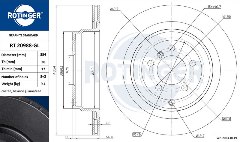
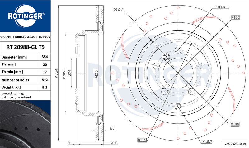
Rotinger féktárcsa galvanikus bevonattal,szellőztetett
Gyártó: ROTINGER
Cikkszám: RT 20988-GL
Kártyaszám: 2242699
8
24 850 Ft-tól
Féktárcsa fajta:
Szellőztetett
Felület:
galvanikus bevonattal
Beépítési oldal:
hátsótengely
Külső átmérő [mm]:
354
Belső átmérő [mm]:
210
Centrírozási átmérő [mm]:
79
Magasság [mm]:
74,8
Féktárcsavastagság [mm]:
20
Minimális vastagság [mm]:
17
Lyukszám:
5
Menetméret:
16,7
Tömeg [kg]:
9,1
lyukkörátmérő [mm]:
120
Termékfotó
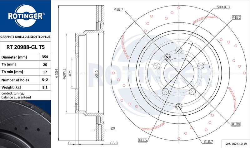
Rotinger féktárcsa galvanikus bevonattal,szellőztetett
Gyártó: ROTINGER
Cikkszám: RT 20988-GL T5
Kártyaszám: 2242701
8
35 790 Ft-tól
Féktárcsa fajta:
Lyuggatott
Féktárcsa fajta:
Szellőztetett
Felület:
galvanikus bevonattal
Beépítési oldal:
hátsótengely
Külső átmérő [mm]:
354
Belső átmérő [mm]:
210
Centrírozási átmérő [mm]:
79
Magasság [mm]:
74,8
Féktárcsavastagság [mm]:
20
Minimális vastagság [mm]:
17
Lyukszám:
5
Menetméret:
16,7
Tömeg [kg]:
9,1
lyukkörátmérő [mm]:
120
Termékfotó
Textar féktárcsa bevonatolt,külső hűtésű
Gyártó: TEXTAR
Cikkszám: 92175503
Kártyaszám: 2242722
17
27 850 Ft-tól
Külső átmérő [mm]:
354
Féktárcsavastagság [mm]:
20
Féktárcsa fajta:
Külső hűtésű
Minimális vastagság [mm]:
17
Magasság [mm]:
74,9
Furat/lyukszám:
05/07
lyukkörátmérő [mm]:
120
Centrírozási átmérő [mm]:
79
Tömeg [kg]:
9,2
Kiegészítő cikk/kiegészítő info 2:
kerékagy nélkül
Kiegészítő cikk/kiegészítő info 2:
kerékrögzítő csavar nélkül
Felület:
bevonatolt
Csomagolási hossz [cm]:
41,5
Csomagolási szélesség [cm]:
40
Csomagolási magasság [cm]:
18,5
Belső átmérő [mm]:
210,1
Kerékcsavarfurat-átmérő [mm]:
16,6
Kiegészítő cikk/kiegészítő info 2:
kerékcsapágy nélkül
Csomagolási hossz [cm]:
37,3
Csomagolási szélesség [cm]:
37,3
Csomagolási magasság [cm]:
10,5
Kerékcsap-furatátmérő [mm]:
16,6
Csomagolási hossz [mm]:
37,3
Termékfotó
Triscan féktárcsa bevonatolt,szellőztetett
Gyártó: TRISCAN
Cikkszám: 8120 17135C
Kártyaszám: 2242725
10
32 950 Ft-tól
Külső átmérő [mm]:
354
Centrírozási átmérő [mm]:
79
Féktárcsa fajta:
Szellőztetett
Magasság [mm]:
75
Lyukszám:
5
Felület:
bevonatolt
Féktárcsavastagság [mm]:
20
Minimális vastagság [mm]:
17
Termékfotó
TRW féktárcsa lakkozott,szellőztetett
Gyártó: TRW
Cikkszám: DF4954S
Kártyaszám: 2242734
14
26 340 Ft-tól
Féktárcsa fajta:
Szellőztetett
Külső átmérő [mm]:
354
Féktárcsavastagság [mm]:
20
Minimális vastagság [mm]:
17
Lyukszám:
5
Magasság [mm]:
74,8
Centrírozási átmérő [mm]:
79
lyukkörátmérő [mm]:
120
Menetméret:
16,7
Szín:
fekete
Felület:
lakkozott
Feldolgozás:
magas széntartalmú
SVHC:
Nincs információ, kérem, forduljon a gyártóhoz!
Termékfotó
Zimmermann féktárcsa bevonatolt,külső hűtésű
Gyártó: ZIMMERMANN
Cikkszám: 450.5206.20
Kártyaszám: 2242743
11
33 570 Ft-tól
Féktárcsa fajta:
Külső hűtésű
Feldolgozás:
magas széntartalmú
Felület:
bevonatolt
Külső átmérő [mm]:
352
Féktárcsavastagság [mm]:
20
Magasság [mm]:
75
Keréktárcsa lyukszáma:
5
lyukkörátmérő [mm]:
120
Centrírozási átmérő [mm]:
79
Minimális vastagság [mm]:
17
Tömeg [kg]:
9,2
Furat/lyukszám:
7/5
Termékfotó
Champion féktárcsa szellőztetett
Gyártó: CHAMPION
Cikkszám: 563023CH-1
Kártyaszám: 2244347
22
21 340 Ft-tól
Magasság [mm]:
75
Tömeg [kg]:
19,04
Féktárcsa fajta:
Szellőztetett
Féktárcsavastagság [mm]:
20
Minimális vastagság [mm]:
17
Külső átmérő [mm]:
354
Lyukszám:
5
Centrírozási átmérő [mm]:
79
Meghúzási nyomaték [Nm]:
140
lyukkörátmérő [mm]:
120
Kötési mód:
Doboz
Mennyiségi egység:
Darab
Kiegészítő cikk/kiegészítő info 2:
csavarok nélkül
Csomagolási hossz [cm]:
35,5
Csomagolási szélesség [cm]:
35,5
Csomagolási magasság [cm]:
7,6
Termékfotó
Ferodo féktárcsa bevonatolt,szellőztetett
Gyártó: FERODO
Cikkszám: DDF1437C-1
Kártyaszám: 2244353
15
30 600 Ft-tól
Magasság [mm]:
75
Tömeg [kg]:
19,04
Féktárcsa fajta:
Szellőztetett
Féktárcsavastagság [mm]:
20
Minimális vastagság [mm]:
17
Külső átmérő [mm]:
354
Lyukszám:
5
Centrírozási átmérő [mm]:
79
Meghúzási nyomaték [Nm]:
140
Felület:
bevonatolt
Mennyiségi egység:
Darab
Kiegészítő cikk/kiegészítő info 2:
csavarok nélkül
Csomagolási hossz [cm]:
36
Csomagolási szélesség [cm]:
36
Csomagolási magasság [cm]:
6
Csomagolási hossz [mm]:
36
Termékfotó
Delphi féktárcsa bevonatolt,szellőztetett
Gyártó: DELPHI
Cikkszám: BG4021C
Kártyaszám: 2246359
13
22 320 Ft-tól
Féktárcsa fajta:
Szellőztetett
Lyukszám:
5
Vizsgálat jelzés:
E1 90R-02C0506/1869
Kiegészítő cikk/kiegészítő info 2:
kerékcsapágy nélkül
Kiegészítő cikk/kiegészítő info 2:
ABS-érzékelőgyűrű nélkül
Felület:
bevonatolt
Feldolgozás:
kezeletlen
Külső átmérő [mm]:
354
Féktárcsavastagság [mm]:
20
Minimális vastagság [mm]:
17
Centrírozási átmérő [mm]:
79
Magasság [mm]:
75
Vizsgálat jelzés:
E1 90R-02C0506/2006
Termékfotó
Quaro féktárcsa szellőztetett
Gyártó: QUARO
Cikkszám: QD0207HC
Kártyaszám: 14144469
4
20 410 Ft-tól
Beépítési oldal:
hátsótengely
Féktárcsa fajta:
Szellőztetett
Féktárcsavastagság [mm]:
20
Külső átmérő [mm]:
354
Feldolgozás:
magas széntartalmú
További termékek

OE referencia számok listája:
(Az azonosító számokat rendelés előtt mindig pontosítani kell a járműgyártói dokumentációkban!)

LAND ROVER (LR017804)
LAND ROVER (LR031844)
LAND ROVER (SDB500201)
LAND ROVER (SDB500202)
LAND ROVER (SDB500203)


Tovább olvasom
Féktárcsavastagság [mm]
20
Lyukszám
5
rögzítő furatok száma
2
Vastagság [mm]
74,8
Külső átmérő [mm]
354
lyukkörátmérő [mm]
120
Felület
bevonatolt
Féktárcsa fajta
Belső hűtésű
Beépítési oldal
hátsótengely
Minimális vastagság [mm]
17
Tömeg [kg]
9,54
Centrírozási átmérő [mm]
79
Keréktárcsa lyukszáma
5
Vastagság [mm]
75
Szervizinformáció figyelembe veendő
Tovább olvasom

3.0 D 4x4 diesel (2.9 24V 130kw 177LE 2926ccm) Eng.code: 306D1(M57D30) Type id: 16520

4.4 4x4 benzin (4.4 32V 210kw 286LE 4398ccm) Eng.code: M62B44 Type id: 16519

4.4 D 4x4 diesel (4.4 32V 230kw 313LE 4367ccm) Eng.code: 448DT(DITC) Type id: 2483

Tovább olvasom
A Blue Print a Bilstein csoport márkájaA minőség pecsétje az autóipari utángyártott termékek piacán. A bilstein csoport a világ egyik vezető specialistája a független alkatrészpiacon és javítási megoldásokat kínál az összes népszerű személygépkocsi- és haszongépjármű-márka számára.A bilstein csoport a magas minőségi színvonalat kombinálja az ügyfélközpontúsággal és a hosszú távú gyártói és beszállítói tapasztalattal.A családi kézben lévő független vállalatcsoport egyetlen erős tető alatt egyesíti a Febi a SWAG és a Blue Print neves termékmárkákat. A csoport együttesen több mint 62.000 különböző alkatrészt kínál a független utángyártott termékek piacán.Tapasztalja meg Ön is a bilstein csoport lenyűgöző szolgáltatási kínálatát és a megbízhatóság hírnevét. Jelenleg a világ 170 országában képviselteti magát több mint 2100 alkalmazottal 3 központi elosztóközpontban és 21 leányvállalatban.
Tovább olvasom