Powered by Smartsupp Nissan PRIMERA 2002-2007 kombi (WP12) első tengely jobb fékcső
Univerzális menü

A.B.S. fékcső 670mm,első tengely jobb

Nissan Primera
Cikkszám: SL 5756
Gyártó: A.B.S.
Kártyaszám: 2630259
Termékfotó
Metzger fékcső jobb első
Gyártó: METZGER
Cikkszám: 4110394
Kártyaszám: 2630328
12
11 230 Ft-tól
Hossz 1 [mm]:
264
Hossz 2 [mm]:
175
Hossz 3 [mm]:
244,5
Belső menet 1 [mm]:
M10 x 1
Menethossz 1 [mm]:
10
Csatlakozás technika:
Banjo 10 mm
Páros cikkszám:
4110395
Termékfotó
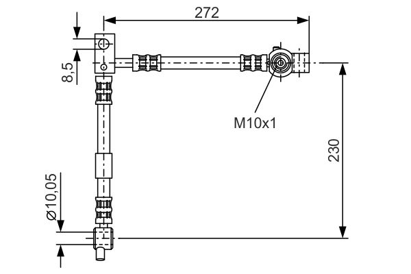
TRW fékcső 230mm,elsőtengely,jobb
Gyártó: TRW
Cikkszám: PHD541
Kártyaszám: 2630355
12
15 630 Ft-tól
Hossz [mm]:
230
Átmérő 1 [mm]:
10
Menetméret 1:
M10x1
Menetfajta:
Belső menet
Menetméret 2:
Banjo
SVHC:
Nincs információ, kérem, forduljon a gyártóhoz!
Termékfotó
Esen SKV fékcső jobb,elsőtengely
Gyártó: ESEN SKV
Cikkszám: 35SKV198
Kártyaszám: 14212119
23
7 450 Ft-tól
Beépítési oldal:
jobb
Beépítési oldal:
elsőtengely
Tömeg [kg]:
0,28
Garancia:
3 év garancia
A régi és új alkatrészt muszáj összehas. (főleg az EA-sz.):
További termékek

OE referencia számok listája:
(Az azonosító számokat rendelés előtt mindig pontosítani kell a járműgyártói dokumentációkban!)

NISSAN (46210-AV720)
NISSAN (46210AV00A)


Tovább olvasom
Hossz [mm]
670
Menetméret 1
BANJO 10MM
Menetméret 2
INN. M10x1
Páros cikkszám
SL 5755
Tömeg [kg]
0,28
Menetméret 1
BANJO 10.0mm
Menetméret 1
BANJO 10.0 mm
Menetméret 2
INN M10x1.0
Tovább olvasom

1.6 Visia benzin (1.6 16V 80kw 109LE 1597ccm) Eng.code: QG16DE Type id: 20403

1.9 dCi diesel (1.9 8V 85kw 116LE 1870ccm) Eng.code: F9Q Type id: 23202

2.0 benzin (2.0 16V 103kw 140LE 1998ccm) Eng.code: QR20DE Type id: 16276

2.2 Di diesel (2.2 16V 93kw 126LE 2184ccm) Eng.code: YD22DDT Type id: 16277

2.2 dCi diesel (2.2 16V 102kw 139LE 2184ccm) Eng.code: YD22DDT Type id: 17540

1.6 benzin (1.6 16V 78kw 106LE 1597ccm) Eng.code: QG16DE Type id: 16591

1.6 benzin (1.6 16V 80kw 109LE 1597ccm) Eng.code: QG16DE Type id: 23185

1.8 benzin (1.8 16V 85kw 115LE 1769ccm) Eng.code: QG18DE Type id: 16272

1.9 dCi diesel (1.9 8V 85kw 116LE 1870ccm) Eng.code: F9Q Type id: 23201

1.9 dCi diesel (1.9 8V 88kw 120LE 1870ccm) Eng.code: F9Q Type id: 17536

2.0 benzin (2.0 16V 103kw 140LE 1998ccm) Eng.code: QR20DE Type id: 16273

2.2 Di diesel (2.2 16V 93kw 126LE 2184ccm) Eng.code: YD22DDT Type id: 16274

1.6 benzin (1.6 16V 78kw 106LE 1597ccm) Eng.code: QG16DE Type id: 16921

1.6 benzin (1.6 16V 80kw 109LE 1597ccm) Eng.code: QG16DE Type id: 23186

1.8 benzin (1.8 16V 85kw 115LE 1769ccm) Eng.code: QG18DE Type id: 16922

1.9 dCi diesel (1.9 8V 85kw 116LE 1870ccm) Eng.code: F9Q Type id: 23200

1.9 dCi diesel (1.9 8V 88kw 120LE 1870ccm) Eng.code: F9Q Type id: 17538

2.0 benzin (2.0 16V 103kw 140LE 1998ccm) Eng.code: QR20DE Type id: 16923

2.2 dCi diesel (2.2 16V 102kw 139LE 2184ccm) Eng.code: YD22DDT Type id: 17543

Tovább olvasom
Az 1978-óta létező holland tulajdonú ABS cég specialista a fékalkatrészek területén. Az ABS sok éve ISO 9001 tanúsítvánnyal rendelkezik és szinte az összes európai országban megfelel az összes minőségi követelménynek. Az ABS az autóipari utánpótlás professzionális partnere. A 29 496 különféle cikkből álló hatalmas választék szinte minden autómárkát és modellt lefed Európában.
Tovább olvasom