Powered by Smartsupp Champion 562599CH féktárcsa tele Toyota Auris Corolla OE:4243102170 OE:42431YZZAE
Univerzális menü

Champion 562599CH féktárcsa tele Toyota Auris Corolla OE:4243102170 OE:42431YZZAE

Cikkszám: 562599CH
Gyártó: CHAMPION
Kártyaszám: 3115121
Termékfotó
A.B.S. 17830 féktárcsa bevonatolt tele Toyota Auris Corolla OE:4243102170 OE:42431YZZAE
Gyártó: A.B.S.
Cikkszám: 17830
Kártyaszám: 3115054
81
9 200 Ft-tól
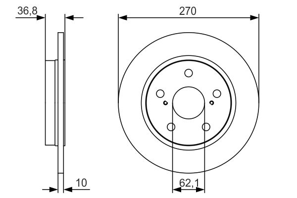
Külső átmérő [mm]:
270
Féktárcsavastagság [mm]:
10
Minimális vastagság [mm]:
9
Magasság [mm]:
37
Keréktárcsa lyukszáma:
5
Féktárcsa fajta:
Tele
Agyátmérő [mm]:
62
Kerékcsavarfurat-átmérő [mm]:
114,3
Felület:
bevonatolt
Tömeg [kg]:
3,64
lyukkörátmérő [mm]:
114,3
Agyátmérő [mm]:
165
Magasság [mm]:
36,8
Minimális vastagság [mm]:
8
Centrírozási átmérő [mm]:
62
Termékfotó
Blue Print ADT343266 féktárcsa hátsótengely bevonatolt tele Toyota Auris Corolla OE:42431YZZAE OE:4243102170
Gyártó: BLUE PRINT
Cikkszám: ADT343266
Kártyaszám: 3115096
102
8 160 Ft-tól
Féktárcsavastagság [mm]:
10
Lyukszám:
5
rögzítő furatok száma:
2
Vastagság [mm]:
36,8
Külső átmérő [mm]:
270
lyukkörátmérő [mm]:
114,3
Felület:
bevonatolt
Féktárcsa fajta:
Tele
Beépítési oldal:
hátsótengely
Minimális vastagság [mm]:
8
Tömeg [kg]:
3,91
Centrírozási átmérő [mm]:
62
Keréktárcsa lyukszáma:
5
Vastagság [mm]:
37
lyukkörátmérő [mm]:
114
Szervizinformáció figyelembe veendő:
Termékfotó
Bosch 0986479S64 féktárcsa olajozott tele Toyota Auris Corolla OE:4243102170
Gyártó: BOSCH
Cikkszám: 0 986 479 S64
Kártyaszám: 3115105
22
8 840 Ft-tól
Külső átmérő [mm]:
270
Féktárcsavastagság [mm]:
10
Minimális vastagság [mm]:
8
Magasság [mm]:
36,8
lyukkörátmérő [mm]:
114,3
Féktárcsa fajta:
Tele
Centrírozási átmérő [mm]:
62,1
Lyukszám:
5
Felület:
olajozott
ECE-szabvány szerinti:
ECE-R90
Furatátmérőig [mm]:
14,6
Termékfotó
Brembo 08A91211 féktárcsa bevonatolt tele Toyota Auris Corolla OE:4243102170 OE:42431YZZAE
Gyártó: BREMBO
Cikkszám: 08.A912.11
Kártyaszám: 3115109
18
14 150 Ft-tól
Minimális vastagság [mm]:
8
Felület:
bevonatolt
Külső átmérő [mm]:
270
Magasság [mm]:
37
Lyukszám:
5
Féktárcsa fajta:
Tele
Centrírozási átmérő [mm]:
62
Féktárcsavastagság [mm]:
10
Meghúzási nyomaték [Nm]:
103
Termékfotó
Brembo 08A9121X féktárcsa bevonatolt tele Toyota Auris Corolla OE:4243102170 OE:42431YZZAE
Gyártó: BREMBO
Cikkszám: 08.A912.1X
Kártyaszám: 3115110
15
23 300 Ft-tól
Féktárcsavastagság [mm]:
10
Meghúzási nyomaték [Nm]:
103
Minimális vastagság [mm]:
8,5
Felület:
bevonatolt
Magasság [mm]:
37
Külső átmérő [mm]:
270
Féktárcsa fajta:
Tele
Lyukszám:
5
Féktárcsa fajta:
Lyuggatott
Centrírozási átmérő [mm]:
62
Termékfotó
Delphi BG4183C féktárcsa bevonatolt tele Toyota Auris Corolla OE:4243102170 OE:42431YZZAE
Gyártó: DELPHI
Cikkszám: BG4183C
Kártyaszám: 3115137
16
10 470 Ft-tól
Féktárcsa fajta:
Tele
Lyukszám:
5
Vizsgálat jelzés:
E1*90R02/04/C*0250/1
Kiegészítő cikk/kiegészítő info 2:
kerékcsapágy nélkül
Kiegészítő cikk/kiegészítő info 2:
ABS-érzékelőgyűrű nélkül
Felület:
bevonatolt
Feldolgozás:
kezeletlen
Külső átmérő [mm]:
270
Féktárcsavastagság [mm]:
10
Minimális vastagság [mm]:
8
Centrírozási átmérő [mm]:
62
Magasság [mm]:
37
Vizsgálat jelzés:
E1 90R-02C0250/1401
Magasság [mm]:
36,7
Termékfotó
Denckermann B130382 féktárcsa hátsótengely tele Toyota Auris Corolla OE:4243102170
Gyártó: DENCKERMANN
Cikkszám: B130382
Kártyaszám: 3115143
16
6 660 Ft-tól
Beépítési oldal:
hátsótengely
Féktárcsa fajta:
Tele
Féktárcsavastagság [mm]:
10
Külső átmérő [mm]:
270
Féktárcsavastagság [mm]:
9,9
Minimális vastagság [mm]:
8
Lyukszám:
5
lyukkörátmérő [mm]:
114,3
Magasság [mm]:
36,8
Centrírozási átmérő [mm]:
62
Belső átmérő [mm]:
166
Furatátmérő [mm]:
14,8
Termékfotó
Febi Bilstein 108382 féktárcsa hátsótengely bevonatolt tele Toyota Auris Corolla OE:42431YZZAE OE:4243102170
Gyártó: Febi Bilstein
Cikkszám: 108382
Kártyaszám: 3115163
66
8 490 Ft-tól
Féktárcsavastagság [mm]:
10
Keréktárcsa lyukszáma:
5
rögzítő furatok száma:
2
Vastagság [mm]:
36,8
Külső átmérő [mm]:
270
lyukkörátmérő [mm]:
114,3
Felület:
bevonatolt
Féktárcsa fajta:
Tele
Beépítési oldal:
hátsótengely
Minimális vastagság [mm]:
8
Tömeg [kg]:
3,91
Centrírozási átmérő [mm]:
62
Szervizinformáció figyelembe veendő:
Termékfotó
Ferodo DDF1645 féktárcsa olajozott tele Toyota Auris Corolla OE:4243102170 OE:42431YZZAE
Gyártó: FERODO
Cikkszám: DDF1645
Kártyaszám: 3115167
61
23 770 Ft-tól
Vizsgálat jelzés:
R90 homologated
Magasság [mm]:
37
Tömeg [kg]:
7,88
Furatátmérő [mm]:
62
Féktárcsa fajta:
Tele
Féktárcsavastagság [mm]:
10
Minimális vastagság [mm]:
8
Külső átmérő [mm]:
270
Lyukszám:
5
Centrírozási átmérő [mm]:
62
Meghúzási nyomaték [Nm]:
103
lyukkörátmérő [mm]:
114,3
Kötési mód:
Doboz
Mennyiségi egység:
Készlet
Kiegészítő cikk/kiegészítő info 2:
csavarok nélkül
Csomagolási hossz [cm]:
27
Csomagolási szélesség [cm]:
27
Csomagolási magasság [cm]:
9,8
Magasság [mm]:
36,7
Felület:
olajozott
Csomagolási hossz [mm]:
27
Termékfotó
Ferodo DDF1645C féktárcsa bevonatolt tele Toyota Auris Corolla OE:4243102170 OE:42431YZZAE
Gyártó: FERODO
Cikkszám: DDF1645C
Kártyaszám: 3115168
18
26 180 Ft-tól
Magasság [mm]:
36,7
Tömeg [kg]:
3,94
Féktárcsa fajta:
Tele
Féktárcsavastagság [mm]:
10
Minimális vastagság [mm]:
8
Külső átmérő [mm]:
270
Lyukszám:
5
Centrírozási átmérő [mm]:
62
Meghúzási nyomaték [Nm]:
103
Felület:
bevonatolt
Mennyiségi egység:
Készlet
Kiegészítő cikk/kiegészítő info 2:
csavarok nélkül
Csomagolási hossz [cm]:
27
Csomagolási szélesség [cm]:
27
Csomagolási magasság [cm]:
14,3
Vizsgálat jelzés:
R90 Homologated
Csomagolási hossz [mm]:
27
Termékfotó
Japanparts DP234C féktárcsa hátsótengely lakkozott tele Toyota Auris Corolla OE:4243102170
Gyártó: JAPANPARTS
Cikkszám: DP-234C
Kártyaszám: 3115205
14
7 870 Ft-tól
Beépítési oldal:
hátsótengely
lyukkörátmérő [mm]:
62
Magasság [mm]:
37
Külső átmérő [mm]:
270
Féktárcsavastagság [mm]:
10
Minimális vastagság [mm]:
8
Lyukszám:
5
Féktárcsa fajta:
Tele
Vizsgálat jelzés:
ECE R90 APPROVED
Felület:
lakkozott
Meghúzási nyomaték [Nm]:
103
OE-számhoz:
4243102170
Termékfotó
Kavo Parts BR9460C féktárcsa bevonatolt tele Toyota Auris Corolla OE:4243102170
Gyártó: KAVO PARTS
Cikkszám: BR-9460-C
Kártyaszám: 3115230
13
11 870 Ft-tól
Vizsgálat jelzés:
R90
Magasság [mm]:
37
Féktárcsa fajta:
Tele
Fék fajta:
Tárcsafék
Féktárcsavastagság [mm]:
10
Külső átmérő [mm]:
270
Lyukszám:
5
Centrírozási átmérő [mm]:
62
lyukkörátmérő [mm]:
114,3
Felület:
bevonatolt
lyukkörátmérő [mm]:
114
Termékfotó
Metelli 230977C féktárcsa lakkozott tele Toyota Auris Corolla
Gyártó: METELLI
Cikkszám: 23-0977C
Kártyaszám: 3115262
11
8 630 Ft-tól
Felület:
lakkozott
lyukkörátmérő [mm]:
62
Magasság [mm]:
30,5
Féktárcsavastagság [mm]:
9
Féktárcsa fajta:
Tele
Vizsgálat jelzés:
Approved
Külső átmérő [mm]:
259
Minimális vastagság [mm]:
7
Lyukszám:
5
Minimális vastagság [mm]:
7,5
Vizsgálat jelzés:
ECE-R90
Centrírozási átmérő [mm]:
62
Termékfotó
Metelli 231022C féktárcsa lakkozott tele Toyota Auris Corolla OE:4243102170
Gyártó: METELLI
Cikkszám: 23-1022C
Kártyaszám: 3115264
14
8 910 Ft-tól
Felület:
lakkozott
Lyukszám:
5
lyukkörátmérő [mm]:
62
Magasság [mm]:
37
Vizsgálat jelzés:
Approved
Külső átmérő [mm]:
270
Féktárcsa fajta:
Tele
Minimális vastagság [mm]:
8
Féktárcsavastagság [mm]:
10
ECE-szabvány szerinti:
R-90
Vizsgálat jelzés:
ECE-R90
Centrírozási átmérő [mm]:
62
Termékfotó
Meyle 30155230103PD féktárcsa hátsótengely cinkbevonatú lamellák tele Toyota Auris Corolla OE:42431YZZAE OE:4243102170
Gyártó: MEYLE
Cikkszám: 30-15 523 0103/PD
Kártyaszám: 3115272
14
14 190 Ft-tól
Beépítési oldal:
hátsótengely
Külső átmérő [mm]:
270
Magasság [mm]:
36,7
Féktárcsavastagság [mm]:
10
Minimális vastagság [mm]:
8
Centrírozási átmérő [mm]:
62
lyukkörátmérő [mm]:
114,3
Kerékcsavarfurat-átmérő [mm]:
14,7
Lyukszám:
5
Féktárcsa fajta:
Tele
Felület:
Cinkbevonatú lamellák
Szükséges darabszám:
2
Kerékcsap-furatátmérő [mm]:
14,7
Minőség:
PREMIUM
Termékfotó
Optimal BS8568C féktárcsa hátsótengely bevonatolt tele Toyota Auris Corolla OE:4243102170
Gyártó: OPTIMAL
Cikkszám: BS-8568C
Kártyaszám: 3115299
12
12 150 Ft-tól
Beépítési oldal:
hátsótengely
Féktárcsa fajta:
Tele
Féktárcsavastagság [mm]:
10
Külső átmérő [mm]:
270
Magasság [mm]:
36,7
Centrírozási átmérő [mm]:
62
Felület:
bevonatolt
Minimális vastagság [mm]:
8
Furat/lyukszám:
5/7
Termékfotó
Quaro QD8352 féktárcsa bevonatolt tele Toyota Auris Corolla OE:4243102170 OE:42431YZZAE
Gyártó: QUARO
Cikkszám: QD8352
Kártyaszám: 3115310
15
9 900 Ft-tól
Külső átmérő [mm]:
270
Féktárcsavastagság [mm]:
10
Féktárcsa fajta:
Tele
Minimális vastagság [mm]:
8
Magasság [mm]:
36,8
Furat/lyukszám:
05/07
lyukkörátmérő [mm]:
114,3
Centrírozási átmérő [mm]:
62
Belső átmérő [mm]:
155,2
Kiegészítő cikk/kiegészítő info 2:
kerékagy nélkül
Kiegészítő cikk/kiegészítő info 2:
kerékrögzítő csavar nélkül
Felület:
bevonatolt
Felület:
lakkozott
Lyukszám:
5
lyukkörátmérő [mm]:
114
Termékfotó
Rotinger RT1748GL féktárcsa galvanikus bevonattal tele Toyota Auris Corolla OE:42431YZZAE OE:4243102170
Gyártó: ROTINGER
Cikkszám: RT 1748-GL
Kártyaszám: 3115332
16
13 360 Ft-tól
Féktárcsa fajta:
Tele
Felület:
galvanikus bevonattal
Külső átmérő [mm]:
270
Belső átmérő [mm]:
154,9
Centrírozási átmérő [mm]:
62
Magasság [mm]:
33,5
Féktárcsavastagság [mm]:
10
Minimális vastagság [mm]:
8
Lyukszám:
5
Menetméret:
14,5
Tömeg [kg]:
3,6
lyukkörátmérő [mm]:
114
Belső átmérő [mm]:
155
Menetméret:
14,7
Termékfotó
Rotinger RT1748GLT3 féktárcsa galvanikus bevonattal tele Toyota Auris Corolla OE:42431YZZAE OE:4243102170
Gyártó: ROTINGER
Cikkszám: RT 1748-GL T3
Kártyaszám: 3115333
14
19 120 Ft-tól
Féktárcsa fajta:
Tele
Féktárcsa fajta:
Lyuggatott
Felület:
galvanikus bevonattal
Külső átmérő [mm]:
270
Belső átmérő [mm]:
154,9
Centrírozási átmérő [mm]:
62
Magasság [mm]:
33,5
Féktárcsavastagság [mm]:
10
Minimális vastagság [mm]:
8
Lyukszám:
5
Menetméret:
14,5
Tömeg [kg]:
3,6
lyukkörátmérő [mm]:
114
Belső átmérő [mm]:
155
Menetméret:
14,7
Termékfotó
Rotinger RT1748GLT6 féktárcsa galvanikus bevonattal tele Toyota Auris Corolla OE:42431YZZAE OE:4243102170
Gyártó: ROTINGER
Cikkszám: RT 1748-GL T6
Kártyaszám: 3115335
14
20 000 Ft-tól
Féktárcsa fajta:
Tele
Felület:
galvanikus bevonattal
Külső átmérő [mm]:
270
Belső átmérő [mm]:
154,9
Centrírozási átmérő [mm]:
62
Magasság [mm]:
33,5
Féktárcsavastagság [mm]:
10
Minimális vastagság [mm]:
8
Lyukszám:
5
Menetméret:
14,5
Tömeg [kg]:
3,6
lyukkörátmérő [mm]:
114
Belső átmérő [mm]:
155
Menetméret:
14,7
Termékfotó
H+B Jakoparts J3312018 féktárcsa bevonatolt tele Toyota Auris Corolla OE:4243102170 OE:42431YZZAE
Gyártó: Herth+Buss Jakoparts
Cikkszám: J3312018
Kártyaszám: 14294133
43
8 200 Ft-tól
Féktárcsa fajta:
Tele
Külső átmérő [mm]:
270
Féktárcsavastagság [mm]:
10
Minimális vastagság [mm]:
8
Lyukszám:
5
Lyukszám 1:
2
lyukkörátmérő [mm]:
114,3
Belső átmérő [mm]:
155
Magasság [mm]:
33,7
Agyátmérő [mm]:
62
Felület:
bevonatolt
SVHC:
Nem található SVHC anyag!
További termékek

OE referencia számok listája:
(Az azonosító számokat rendelés előtt mindig pontosítani kell a járműgyártói dokumentációkban!)

TOYOTA (4243102170)
TOYOTA (4243102180)
TOYOTA (4243112280)
TOYOTA (42431YZZAE)
TOYOTA (4343112280)


Tovább olvasom
Magasság [mm]
36,7
Tömeg [kg]
7,88
Féktárcsa fajta
Tele
Féktárcsavastagság [mm]
10
Minimális vastagság [mm]
8
Külső átmérő [mm]
270
Lyukszám
5
Centrírozási átmérő [mm]
62
Meghúzási nyomaték [Nm]
103
lyukkörátmérő [mm]
114,3
Kötési mód
Doboz
Mennyiségi egység
Készlet
Kiegészítő cikk/kiegészítő info 2
csavarok nélkül
Csomagolási hossz [cm]
27,1
Csomagolási szélesség [cm]
27,1
Csomagolási magasság [cm]
7,7
Csomagolási hossz [mm]
27,1
Tovább olvasom

1.33 Dual-VVTi (NRE150_, NRE150R) benzin (1.3 16V 73kw 99LE 1329ccm) Eng.code: 1NR-FE Type id: 34982

1.33 Dual-VVTi (NRE150_, NRE150R) benzin (1.3 16V 74kw 101LE 1329ccm) Eng.code: 1NR-FE Type id: 31115

1.4 (ZZE150_, ZZE150R) benzin (1.4 16V 71kw 97LE 1398ccm) Eng.code: 4ZZ-FE Type id: 22470

1.4 D-4D (NDE150_, NDE150R) diesel (1.4 8V 66kw 90LE 1364ccm) Eng.code: 1ND-TV Type id: 22467

1.6 (ZRE151_, ZRE151R) benzin (1.6 16V 91kw 124LE 1598ccm) Eng.code: 1ZR-FE Type id: 22469

1.6 (ZRE151_, ZRE151R) benzin (1.6 16V 97kw 132LE 1598ccm) Eng.code: 1ZR-FAE Type id: 31116

1.8 (ZRE152_, ZRE152R) benzin (1.8 16V 108kw 147LE 1798ccm) Eng.code: 2ZR-FAE Type id: 31147

2.0 D-4D (ADE150_, ADE150R) diesel (2.0 16V 93kw 126LE 1998ccm) Eng.code: 1AD-FTV Type id: 22466

2.2 D (ADE157_, ADE151_, ADE151R, ADE157R) diesel (2.2 16V 130kw 177LE 2231ccm) Eng.code: 2AD-FHV Type id: 22465

1.2 (NRE185_, NRE185R) benzin (1.2 16V 85kw 116LE 1197ccm) Eng.code: 8NR-FTS Type id: 114559

1.3 (NRE180_, NRE180R) benzin (1.3 16V 73kw 99LE 1329ccm) Eng.code: 1NR-FE Type id: 57481

1.4 D-4D (NDE180_, NDE180R) diesel (1.4 8V 66kw 90LE 1364ccm) Eng.code: 1ND-TV Type id: 57455

1.6 (ZRE181_, ZRE185_, ZRE185R, ZRE181R) benzin (1.6 16V 97kw 132LE 1598ccm) Eng.code: 1ZR-FAE Type id: 57457

1.6 D4-D (WWE185_) diesel (1.6 16V 82kw 112LE 1598ccm) Eng.code: 1WW Type id: 114567

1.8 Hybrid (ZWE186_, ZWE186R) benzin/elektromos (1.8 16V 100kw 136LE 1798ccm) Eng.code: 2ZR-FXE Type id: 57499

2.0 D-4D (ADE186_, ADE186R) diesel (2.0 16V 91kw 124LE 1998ccm) Eng.code: 1AD-FTV Type id: 57458

1.2 (NRE185_, NRE185R, NRE185H) benzin (1.2 16V 85kw 116LE 1197ccm) Eng.code: 8NR-FTS Type id: 114560

1.3 (NRE180_) benzin (1.3 16V 73kw 99LE 1329ccm) Eng.code: 1NR-FE Type id: 59600

1.4 D-4D (NDE180_) diesel (1.4 8V 66kw 90LE 1364ccm) Eng.code: 1ND-TV Type id: 59604

1.6 (ZRE185_) benzin (1.6 16V 97kw 132LE 1598ccm) Eng.code: 1ZR-FAE Type id: 59602

1.6 D4-D (WWE185_) diesel (1.6 16V 82kw 112LE 1598ccm) Eng.code: 1WW Type id: 114568

1.8 Hybrid (ZWE186_, ZWE186R, ZWE186H) benzin/elektromos (1.8 16V 100kw 136LE 1798ccm) Eng.code: 2ZR-FXE Type id: 59608

2.0 D-4D (ADE186_) diesel (2.0 16V 91kw 124LE 1998ccm) Eng.code: 1AD-FTV Type id: 59607

1.4 D-4D (NDE150) diesel (1.4 8V 66kw 90LE 1364ccm) Eng.code: 1ND-TV Type id: 31150

2.0 D-4D (ADE150) diesel (2.0 16V 93kw 126LE 1998ccm) Eng.code: 1AD-FTV Type id: 30715

1.3 (NRE180_) benzin (1.3 16V 73kw 99LE 1329ccm) Eng.code: 1NR-FE Type id: 52438

1.4 D-4D (NDE180_, NDE170_) diesel (1.4 8V 66kw 90LE 1364ccm) Eng.code: 1ND-TV Type id: 52439

1.6 (ZRE181_) benzin (1.6 16V 97kw 132LE 1598ccm) Eng.code: 1ZR-FAE Type id: 52440

Tovább olvasom
Champion a világbajnok! Szinte minden motorizált sport jeles képviselője - legyen szó rallyról Forma-1-ről Nascar-ról motorcsónak-versenyekről motorversenyekről - számíthat a Champion verseny gyújtógyertyákra.A Champion versenysportok melletti elkötelezettsége az 50-es évektől tart. Emellett első beszállítója számos autógyárnak előkelő helyet vívott ki magának az utángyártott alkatrészek a kerti kis- és különböző munkagépek piacán is.
Tovább olvasom