Powered by Smartsupp AS-PL AFP0033(V) generátor szabadonfutó Audi Seat Skoda VolksWagen OE:045903119A OE:06J903119A OE:45903119
Univerzális menü

AS-PL AFP0033(V) generátor szabadonfutó Audi Seat Skoda VolksWagen OE:045903119A OE:06J903119A OE:45903119

Brand new AS-PL Alternator freewheel pulleys
Cikkszám: AFP0033(V)
Gyártó: AS-PL
Kártyaszám: 1084608
Termékfotó
INA 535012410 generátor szabadonfutó 40,2mm a szereléshez speciális szerszám szükséges Audi Porsche Seat Skoda OE:03G903016F OE:03G903016G
Gyártó: Schaeffler INA
Cikkszám: 535 0124 10
Kártyaszám: 1088633
73
9 410 Ft-tól
Rovátkák száma:
6
Első rovátka távolsága [mm]:
14,55
Szélesség [mm]:
40,2
Átmérő 1/átmérő 2 [mm]:
49,4/17,0
gyártószámhoz:
F-551406.XX
Kiegészítő cikk/kiegészítő info 2:
a szereléshez speciális szerszám szükséges
Szervizinformáció figyelembe veendő:
SVHC:
Nem található SVHC anyag!
Első rovátka távolsága [mm]:
14,6
Termékfotó
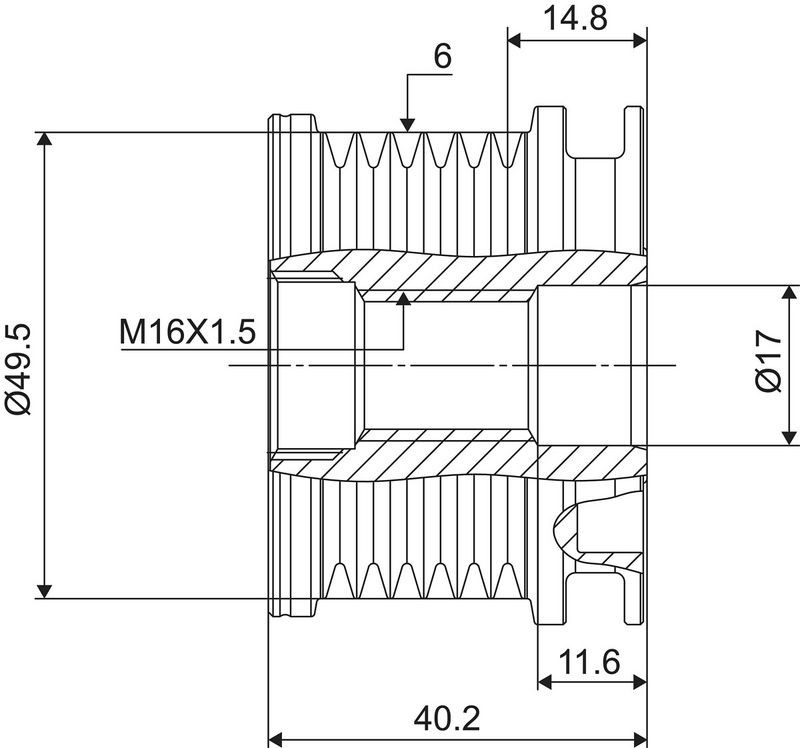
Valeo 588016 generátor szabadonfutó 40,2mm a szereléshez speciális szerszám szükséges Audi Seat Skoda VolksWagen OE:045903119A OE:45903119
Gyártó: VALEO
Cikkszám: 588016
Kártyaszám: 1125937
15
9 200 Ft-tól
Átmérő [mm]:
49,5
Szélesség [mm]:
40,2
Menetméret:
M16
Bordák száma:
6
Mélység [mm]:
11,6
Furatátmérő [mm]:
17
Csavarfej/anya profil:
Torx
Forgásirány:
óramutató járásával megegyező forgásirány
Kiegészítő cikk/kiegészítő info 2:
a szereléshez speciális szerszám szükséges
Tömeg [kg]:
0,44
Külső átmérő [mm]:
49,5
Rovátkák száma:
6
Külső átmérő [mm]:
50
Külső átmérő [mm]:
55
Első rovátka távolsága [mm]:
14,8
Termékfotó
Hella 9XU358038611 generátor szabadonfutó 39,6mm sapkával Audi Seat Skoda VolksWagen OE:045903119A OE:45903119
Gyártó: HELLA
Cikkszám: 9XU 358 038-611
Kártyaszám: 1145404
16
13 980 Ft-tól
Szíjtárcsa és generátor távolsága [mm]:
15
Külső átmérő [mm]:
55
Beépítési mélység [mm]:
11,1
gyártószámhoz:
F-551406.XX
Gyártó korlátozás:
Bosch
Gyártó korlátozás:
Valeo
Szélesség [mm]:
39,6
Menetméret:
M16x1,5
Belső átmérő [mm]:
17
Szíjtárcsaátmérő [mm]:
50
Forgásirány:
óramutató járásával megegyező forgásirány
Kiegészítő cikk/kiegészítő info 2:
sapkával
Rovátkák száma:
6
Szakszemélyz. végzett összeszerelés/szétszerelés szükséges!:
További termékek

OE referencia számok listája:
(Az azonosító számokat rendelés előtt mindig pontosítani kell a járműgyártói dokumentációkban!)

VW (03G903119B)
VW (045903119)
VW (045903119A)
VW (06J903119A)
VW (45903119)


Tovább olvasom
Külső átmérő [mm]
49,3
Belső átmérő [mm]
17
Hossz 1 [mm]
40,2
Rovátkák száma
6
Menetméret
M16x1,5
Hossz 2 [mm]
15
Minőség
PREMIUM LINE
új alkatrész betét nélkül
Tovább olvasom

1.6 TDI diesel (1.6 16V 66kw 90LE 1598ccm) Eng.code: CAYB Type id: 9305

1.6 TDI diesel (1.6 16V 85kw 115LE 1598ccm) Eng.code: CXMA Type id: 108162

2.0 TDI diesel (2.0 16V 105kw 143LE 1968ccm) Eng.code: CFHD Type id: 9306

1.6 TDI diesel (1.6 16V 66kw 90LE 1598ccm) Eng.code: CAYB Type id: 11786

1.6 TDI diesel (1.6 16V 77kw 105LE 1598ccm) Eng.code: CAYC Type id: 11787

1.6 TDI diesel (1.6 16V 85kw 115LE 1598ccm) Eng.code: CXMA Type id: 108164

2.0 TDI diesel (2.0 16V 100kw 136LE 1968ccm) Eng.code: CFHB Type id: 11788

2.0 TDI diesel (2.0 16V 105kw 143LE 1968ccm) Eng.code: CFHD Type id: 55103

1.4 TFSI benzin (1.4 16V 92kw 125LE 1390ccm) Eng.code: CAXC,CMSA Type id: 26581

1.6 FSI benzin (1.6 16V 85kw 115LE 1598ccm) Eng.code: BAG,BLF,BLP Type id: 17578

1.6 TDI diesel (1.6 16V 66kw 90LE 1598ccm) Eng.code: CAYB Type id: 31316

1.6 TDI diesel (1.6 16V 77kw 105LE 1598ccm) Eng.code: CAYC Type id: 31317

1.6 benzin (1.6 8V 75kw 102LE 1595ccm) Eng.code: BGU,BSE,BSF,CCSA Type id: 17172

1.8 TFSI benzin (1.8 16V 118kw 160LE 1798ccm) Eng.code: BYT,BZB,CDAA Type id: 20864

1.9 TDI diesel (1.9 8V 77kw 105LE 1896ccm) Eng.code: BKC,BLS,BXE Type id: 17398

2.0 FSI benzin (2.0 16V 110kw 150LE 1984ccm) Eng.code: AXW,BLR,BLX,BLY,BMB,BVY,BVZ Type id: 17009

2.0 TDI 16V diesel (2.0 16V 103kw 140LE 1968ccm) Eng.code: BKD,CBAB,CFFB,CLJA Type id: 17173

2.0 TDI 16V quattro diesel (2.0 16V 103kw 140LE 1968ccm) Eng.code: BKD,CBAB,CFFB Type id: 18360

2.0 TDI diesel (2.0 16V 100kw 136LE 1968ccm) Eng.code: AZV,CBAA,CFFA Type id: 17458

2.0 TDI diesel (2.0 16V 120kw 163LE 1968ccm) Eng.code: BUY Type id: 32688

2.0 TDI diesel (2.0 16V 125kw 170LE 1968ccm) Eng.code: BMN,CBBB,CFGB Type id: 19614

2.0 TDI diesel (2.0 8V 103kw 140LE 1968ccm) Eng.code: BMM Type id: 19966

2.0 TDI quattro diesel (2.0 16V 125kw 170LE 1968ccm) Eng.code: BMN,CBBB,CFGB Type id: 19615

2.0 TDI quattro diesel (2.0 8V 103kw 140LE 1968ccm) Eng.code: BMM Type id: 19967

2.0 TFSI benzin (2.0 16V 147kw 200LE 1984ccm) Eng.code: AXX,BWA,CAWB,CCZA Type id: 18358

2.0 TFSI quattro benzin (2.0 16V 147kw 200LE 1984ccm) Eng.code: AXX,BWA,CCZA Type id: 18359

3.2 V6 quattro benzin (3.2 24V 184kw 250LE 3189ccm) Eng.code: BDB,BMJ,BUB Type id: 17577

S3 quattro benzin (2.0 16V 188kw 256LE 1984ccm) Eng.code: BZC,CDLC Type id: 28169

S3 quattro benzin (2.0 16V 195kw 265LE 1984ccm) Eng.code: BHZ,CDLA Type id: 19914

1.4 TFSI benzin (1.4 16V 92kw 125LE 1390ccm) Eng.code: CAXC,CMSA Type id: 26582

1.6 FSI benzin (1.6 16V 85kw 115LE 1598ccm) Eng.code: BLF,BLP Type id: 18068

1.6 TDI diesel (1.6 16V 66kw 90LE 1598ccm) Eng.code: CAYB Type id: 31318

1.6 TDI diesel (1.6 16V 77kw 105LE 1598ccm) Eng.code: CAYC Type id: 31319

1.6 benzin (1.6 8V 75kw 102LE 1595ccm) Eng.code: BGU,BSE,BSF,CCSA Type id: 18066

1.8 TFSI benzin (1.8 16V 118kw 160LE 1798ccm) Eng.code: BYT,BZB,CDAA Type id: 20898

1.9 TDI diesel (1.9 8V 77kw 105LE 1896ccm) Eng.code: BKC,BLS,BXE Type id: 18067

2.0 FSI benzin (2.0 16V 110kw 150LE 1984ccm) Eng.code: AXW,BLR,BLX,BLY,BMB,BVY,BVZ Type id: 18069

2.0 TDI 16V diesel (2.0 16V 103kw 140LE 1968ccm) Eng.code: BKD,CBAB,CFFB,CLJA Type id: 18071

2.0 TDI 16V quattro diesel (2.0 16V 103kw 140LE 1968ccm) Eng.code: BKD,CBAB,CFFB Type id: 18710

2.0 TDI diesel (2.0 16V 100kw 136LE 1968ccm) Eng.code: AZV,CBAA,CFFA Type id: 18357

2.0 TDI diesel (2.0 16V 120kw 163LE 1968ccm) Eng.code: BUY Type id: 32689

2.0 TDI diesel (2.0 16V 125kw 170LE 1968ccm) Eng.code: BMN,CBBB,CFGB Type id: 19616

2.0 TDI diesel (2.0 8V 103kw 140LE 1968ccm) Eng.code: BMM Type id: 19968

2.0 TDI quattro diesel (2.0 16V 125kw 170LE 1968ccm) Eng.code: BMN,CBBB,CFGB Type id: 19617

2.0 TDI quattro diesel (2.0 8V 103kw 140LE 1968ccm) Eng.code: BMM Type id: 19969

2.0 TFSI benzin (2.0 16V 147kw 200LE 1984ccm) Eng.code: AXX,BWA,CAWB,CBFA,CCZA Type id: 18082

2.0 TFSI quattro benzin (2.0 16V 147kw 200LE 1984ccm) Eng.code: AXX,BPY,BWA,CCZA Type id: 18083

3.2 V6 quattro benzin (3.2 24V 184kw 250LE 3189ccm) Eng.code: BDB,BMJ,BUB Type id: 18070

S3 quattro benzin (2.0 16V 188kw 256LE 1984ccm) Eng.code: CDLC Type id: 33406

S3 quattro benzin (2.0 16V 195kw 265LE 1984ccm) Eng.code: BHZ,CDLA Type id: 27562

1.6 TDI diesel (1.6 16V 77kw 105LE 1598ccm) Eng.code: CAYC Type id: 31320

1.8 TFSI benzin (1.8 16V 118kw 160LE 1798ccm) Eng.code: BZB,CDAA Type id: 24493

2.0 TFSI benzin (2.0 16V 147kw 200LE 1984ccm) Eng.code: CAWB,CCZA Type id: 24494

1.6 TDI diesel (1.6 16V 77kw 105LE 1598ccm) Eng.code: CLHA Type id: 55590

1.6 TDI diesel (1.6 16V 81kw 110LE 1598ccm) Eng.code: CRKB,CXXB,DBKA Type id: 100039

2.0 TDI diesel (2.0 16V 100kw 136LE 1968ccm) Eng.code: CRBD,CRLC Type id: 59624

2.0 TDI diesel (2.0 16V 105kw 143LE 1968ccm) Eng.code: CRFC Type id: 55094

2.0 TDI diesel (2.0 16V 110kw 150LE 1968ccm) Eng.code: CRBC,CRLB,CRUA,DBGA,DCYA,DEJA Type id: 55095

2.0 TDI diesel (2.0 16V 135kw 184LE 1968ccm) Eng.code: CUNA,DGCA Type id: 55593

2.0 TDI diesel (2.0 16V 81kw 110LE 1968ccm) Eng.code: CRFA Type id: 55591

2.0 TDI quattro diesel (2.0 16V 110kw 150LE 1968ccm) Eng.code: CRBC,CRLB,DCYA Type id: 55592

1.6 TDI diesel (1.6 16V 77kw 105LE 1598ccm) Eng.code: CLHA Type id: 57430

1.6 TDI diesel (1.6 16V 81kw 110LE 1598ccm) Eng.code: CRKB,CXXB,DBKA Type id: 100040

1.6 TDI quattro diesel (1.6 16V 81kw 110LE 1598ccm) Eng.code: CXXB Type id: 115105

2.0 TDI diesel (2.0 16V 100kw 136LE 1968ccm) Eng.code: CRBD,CRLC Type id: 59630

2.0 TDI diesel (2.0 16V 105kw 143LE 1968ccm) Eng.code: CRFC Type id: 55599

2.0 TDI diesel (2.0 16V 110kw 150LE 1968ccm) Eng.code: CRBC,CRLB,CRUA,DBGA,DCYA,DEJA,DFGA Type id: 55597

2.0 TDI diesel (2.0 16V 135kw 184LE 1968ccm) Eng.code: CUNA,DGCA Type id: 59621

2.0 TDI diesel (2.0 16V 81kw 110LE 1968ccm) Eng.code: CRFA Type id: 53313

2.0 TDI quattro diesel (2.0 16V 110kw 150LE 1968ccm) Eng.code: CRBC,CRLB,DCYA Type id: 58948

2.0 TDI quattro diesel (2.0 16V 135kw 184LE 1968ccm) Eng.code: CUNA,DGCA Type id: 55598

1.6 TDI diesel (1.6 16V 81kw 110LE 1598ccm) Eng.code: CRKB,CXXB Type id: 100774

2.0 TDI diesel (2.0 16V 100kw 136LE 1968ccm) Eng.code: CRLC Type id: 106382

2.0 TDI diesel (2.0 16V 110kw 150LE 1968ccm) Eng.code: CRLB,DCYA Type id: 100044

2.0 TDI quattro diesel (2.0 16V 135kw 184LE 1968ccm) Eng.code: CUNA,DGCA Type id: 106222

1.6 TDI diesel (1.6 16V 77kw 105LE 1598ccm) Eng.code: CLHA Type id: 53360

1.6 TDI diesel (1.6 16V 81kw 110LE 1598ccm) Eng.code: CRKB,CXXB,DBKA Type id: 106375

1.6 TDI quattro diesel (1.6 16V 81kw 110LE 1598ccm) Eng.code: CXXB Type id: 115104

2.0 TDI diesel (2.0 16V 100kw 136LE 1968ccm) Eng.code: CRBD,CRLC Type id: 59629

2.0 TDI diesel (2.0 16V 105kw 143LE 1968ccm) Eng.code: CRFC Type id: 53263

2.0 TDI diesel (2.0 16V 135kw 184LE 1968ccm) Eng.code: CUNA,DGCA Type id: 105627

2.0 TDI quattro diesel (2.0 16V 110kw 150LE 1968ccm) Eng.code: CRBC,CRLB,DCYA Type id: 100046

2.0 TDI quattro diesel (2.0 16V 135kw 184LE 1968ccm) Eng.code: CUNA,DGCA Type id: 105628

1.9 TDI diesel (1.9 8V 74kw 101LE 1896ccm) Eng.code: AVB Type id: 16261

1.9 TDI diesel (1.9 8V 85kw 116LE 1896ccm) Eng.code: BKE Type id: 18225

1.9 TDI diesel (1.9 8V 96kw 130LE 1896ccm) Eng.code: AVF,AWX Type id: 15511

1.9 TDI quattro diesel (1.9 8V 96kw 130LE 1896ccm) Eng.code: AVF Type id: 16602

1.9 TDI diesel (1.9 8V 96kw 130LE 1896ccm) Eng.code: AVF,AWX Type id: 16049

1.9 TDI quattro diesel (1.9 8V 96kw 130LE 1896ccm) Eng.code: AVF Type id: 16603

1.9 TDI diesel (1.9 8V 85kw 116LE 1896ccm) Eng.code: BKE,BRB Type id: 18400

2.0 TDI 16V diesel (2.0 16V 103kw 140LE 1968ccm) Eng.code: BLB,BRE Type id: 18376

2.0 TDI diesel (2.0 16V 125kw 170LE 1968ccm) Eng.code: BRD Type id: 19842

2.0 TDI diesel (2.0 16V 89kw 121LE 1968ccm) Eng.code: BVG Type id: 26547

2.0 TDI diesel (2.0 16V 93kw 126LE 1968ccm) Eng.code: BVF Type id: 27326

2.0 TDI quattro diesel (2.0 16V 125kw 170LE 1968ccm) Eng.code: BRD Type id: 19843

2.0 TDI quattro diesel (2.0 8V 103kw 140LE 1968ccm) Eng.code: BPW Type id: 19798

1.9 TDI diesel (1.9 8V 85kw 116LE 1896ccm) Eng.code: BKE,BRB Type id: 18411

2.0 TDI 16V diesel (2.0 16V 103kw 140LE 1968ccm) Eng.code: BLB,BRE Type id: 18412

2.0 TDI diesel (2.0 16V 120kw 163LE 1968ccm) Eng.code: BVA Type id: 26555

2.0 TDI diesel (2.0 16V 125kw 170LE 1968ccm) Eng.code: BRD Type id: 19844

2.0 TDI diesel (2.0 16V 89kw 121LE 1968ccm) Eng.code: BVG Type id: 26548

2.0 TDI diesel (2.0 16V 93kw 126LE 1968ccm) Eng.code: BVF Type id: 28568

2.0 TDI quattro diesel (2.0 16V 120kw 163LE 1968ccm) Eng.code: BVA Type id: 26556

2.0 TDI quattro diesel (2.0 16V 125kw 170LE 1968ccm) Eng.code: BRD Type id: 19845

2.0 TDI quattro diesel (2.0 8V 103kw 140LE 1968ccm) Eng.code: BPW Type id: 19799

2.0 TDI diesel (2.0 8V 100kw 136LE 1968ccm) Eng.code: BRC Type id: 29978

2.0 TDI diesel (2.0 8V 103kw 140LE 1968ccm) Eng.code: BPW Type id: 19171

3.0 TDI quattro diesel (3.0 24V 171kw 233LE 2967ccm) Eng.code: ASB Type id: 19172

1.8 TFSI benzin (1.8 16V 118kw 160LE 1798ccm) Eng.code: CABB,CDHB Type id: 23299

1.8 TFSI quattro benzin (1.8 16V 118kw 160LE 1798ccm) Eng.code: CDHB Type id: 30000

2.0 TDI diesel (2.0 16V 100kw 136LE 1968ccm) Eng.code: CAGB,CJCB,CSUB Type id: 25454

2.0 TDI diesel (2.0 16V 105kw 143LE 1968ccm) Eng.code: CAGA,CJCA,CMEA,CMFA Type id: 23301

2.0 TDI diesel (2.0 16V 110kw 150LE 1968ccm) Eng.code: CJCD,CMFB,CSUA Type id: 59562

2.0 TDI diesel (2.0 16V 120kw 163LE 1968ccm) Eng.code: CAHB,CGLD,CNHC Type id: 30002

2.0 TDI diesel (2.0 16V 130kw 177LE 1968ccm) Eng.code: CGLC,CMGB Type id: 16045

2.0 TDI diesel (2.0 16V 140kw 190LE 1968ccm) Eng.code: CNHA Type id: 59564

2.0 TDI diesel (2.0 16V 88kw 120LE 1968ccm) Eng.code: CAGC,CJCC Type id: 26848

2.0 TDI quattro diesel (2.0 16V 105kw 143LE 1968ccm) Eng.code: CAGA,CJCA Type id: 30994

2.0 TDI quattro diesel (2.0 16V 110kw 150LE 1968ccm) Eng.code: CJCD,CSUA Type id: 59563

2.0 TDI quattro diesel (2.0 16V 125kw 170LE 1968ccm) Eng.code: CAHA Type id: 26847

2.0 TDI quattro diesel (2.0 16V 140kw 190LE 1968ccm) Eng.code: CNHA Type id: 59565

2.0 TFSI benzin (2.0 16V 132kw 180LE 1984ccm) Eng.code: CAEA,CDNB,CFKA Type id: 26911

2.0 TFSI benzin (2.0 16V 155kw 211LE 1984ccm) Eng.code: CAEB,CDNC Type id: 26912

2.0 TFSI quattro benzin (2.0 16V 155kw 211LE 1984ccm) Eng.code: CDNC,CPMA Type id: 26913

2.7 TDI diesel (2.7 24V 140kw 190LE 2698ccm) Eng.code: CAMA,CGKA Type id: 23302

3.0 TDI quattro diesel (3.0 24V 155kw 211LE 2967ccm) Eng.code: CCWB Type id: 30003

3.0 TDI quattro diesel (3.0 24V 176kw 240LE 2967ccm) Eng.code: CAPA,CCLA,CCWA Type id: 23303

3.2 FSI benzin (3.2 24V 195kw 265LE 3197ccm) Eng.code: CALA Type id: 30993

3.2 FSI quattro benzin (3.2 24V 195kw 265LE 3197ccm) Eng.code: CALA Type id: 23300

S4 quattro benzin (3.0 24V 245kw 333LE 2995ccm) Eng.code: CAKA,CCBA,CGWC,CGXC,CREC,CTUB Type id: 30001

1.8 TFSI benzin (1.8 16V 118kw 160LE 1798ccm) Eng.code: CABB,CDHB Type id: 25506

1.8 TFSI benzin (1.8 16V 88kw 120LE 1798ccm) Eng.code: CDHA Type id: 26916

1.8 TFSI quattro benzin (1.8 16V 118kw 160LE 1798ccm) Eng.code: CDHB Type id: 30004

2.0 TDI diesel (2.0 16V 100kw 136LE 1968ccm) Eng.code: CAGB,CJCB,CSUB Type id: 30006

2.0 TDI diesel (2.0 16V 105kw 143LE 1968ccm) Eng.code: CAGA,CJCA,CMEA,CMFA Type id: 25508

2.0 TDI diesel (2.0 16V 110kw 150LE 1968ccm) Eng.code: CJCD,CMFB,CSUA Type id: 59566

2.0 TDI diesel (2.0 16V 120kw 163LE 1968ccm) Eng.code: CAHB,CGLD,CNHC Type id: 30691

2.0 TDI diesel (2.0 16V 125kw 170LE 1968ccm) Eng.code: CAHA Type id: 25510

2.0 TDI diesel (2.0 16V 130kw 177LE 1968ccm) Eng.code: CGLC Type id: 20117

2.0 TDI diesel (2.0 16V 140kw 190LE 1968ccm) Eng.code: CNHA Type id: 59568

2.0 TDI diesel (2.0 16V 88kw 120LE 1968ccm) Eng.code: CAGC,CJCC Type id: 30390

2.0 TDI quattro diesel (2.0 16V 105kw 143LE 1968ccm) Eng.code: CAGA,CJCA Type id: 30996

2.0 TDI quattro diesel (2.0 16V 110kw 150LE 1968ccm) Eng.code: CJCD,CSUA Type id: 59567

2.0 TDI quattro diesel (2.0 16V 125kw 170LE 1968ccm) Eng.code: CAHA Type id: 30007

2.0 TDI quattro diesel (2.0 16V 130kw 177LE 1968ccm) Eng.code: CGLC Type id: 20118

2.0 TDI quattro diesel (2.0 16V 140kw 190LE 1968ccm) Eng.code: CNHA Type id: 59569

2.0 TFSI benzin (2.0 16V 132kw 180LE 1984ccm) Eng.code: CDNB,CFKA Type id: 28276

2.0 TFSI benzin (2.0 16V 155kw 211LE 1984ccm) Eng.code: CAEB,CDNC Type id: 26914

2.0 TFSI quattro benzin (2.0 16V 155kw 211LE 1984ccm) Eng.code: CAEB,CDNC Type id: 28277

2.7 TDI diesel (2.7 24V 120kw 163LE 2698ccm) Eng.code: CAMB,CGKB Type id: 26852

2.7 TDI diesel (2.7 24V 140kw 190LE 2698ccm) Eng.code: CAMA,CGKA Type id: 30008

3.0 TDI quattro diesel (3.0 24V 155kw 211LE 2967ccm) Eng.code: CCWB Type id: 33417

3.0 TDI quattro diesel (3.0 24V 176kw 240LE 2967ccm) Eng.code: CAPA,CCLA,CCWA Type id: 25509

3.2 FSI benzin (3.2 24V 195kw 265LE 3197ccm) Eng.code: CALA Type id: 30995

3.2 FSI quattro benzin (3.2 24V 195kw 265LE 3197ccm) Eng.code: CALA Type id: 25507

S4 quattro benzin (3.0 24V 245kw 333LE 2995ccm) Eng.code: CAKA,CCBA,CGWC,CGXC,CREC,CTUB Type id: 30005

2.0 TDI quattro diesel (2.0 16V 100kw 136LE 1968ccm) Eng.code: CAGB,CJCB,CSUB Type id: 33418

2.0 TDI quattro diesel (2.0 16V 105kw 143LE 1968ccm) Eng.code: CAGA,CJCA Type id: 31585

2.0 TDI quattro diesel (2.0 16V 120kw 163LE 1968ccm) Eng.code: CAHB,CGLD,CNHC Type id: 33419

2.0 TDI quattro diesel (2.0 16V 125kw 170LE 1968ccm) Eng.code: CAHA Type id: 30991

2.0 TFSI quattro benzin (2.0 16V 155kw 211LE 1984ccm) Eng.code: CDNC,CPMA Type id: 30990

3.0 TDI quattro diesel (3.0 24V 176kw 240LE 2967ccm) Eng.code: CCWA Type id: 30992

1.8 TFSI benzin (1.8 16V 118kw 160LE 1798ccm) Eng.code: CDHB Type id: 31321

1.8 TFSI benzin (1.8 16V 125kw 170LE 1798ccm) Eng.code: CABD,CJEB Type id: 22547

2.0 TDI diesel (2.0 16V 120kw 163LE 1968ccm) Eng.code: CAHB,CGLD,CNHC Type id: 33407

2.0 TDI diesel (2.0 16V 125kw 170LE 1968ccm) Eng.code: CAHA Type id: 30986

2.0 TDI diesel (2.0 16V 130kw 177LE 1968ccm) Eng.code: CGLC Type id: 11986

2.0 TDI diesel (2.0 16V 140kw 190LE 1968ccm) Eng.code: CNHA Type id: 100056

2.0 TDI quattro diesel (2.0 16V 125kw 170LE 1968ccm) Eng.code: CAHA Type id: 30989

2.0 TDI quattro diesel (2.0 16V 130kw 177LE 1968ccm) Eng.code: CGLC Type id: 22826

2.0 TDI quattro diesel (2.0 16V 140kw 190LE 1968ccm) Eng.code: CNHA Type id: 100057

2.0 TFSI benzin (2.0 16V 132kw 180LE 1984ccm) Eng.code: CDNB Type id: 29973

2.0 TFSI benzin (2.0 16V 155kw 211LE 1984ccm) Eng.code: CDNC Type id: 29974

2.0 TFSI quattro benzin (2.0 16V 155kw 211LE 1984ccm) Eng.code: CAEB,CDNC,CPMA Type id: 29975

2.7 TDI diesel (2.7 24V 120kw 163LE 2698ccm) Eng.code: CAMB,CGKB Type id: 29976

2.7 TDI diesel (2.7 24V 140kw 190LE 2698ccm) Eng.code: CAMA,CGKA Type id: 22550

3.0 TDI quattro diesel (3.0 24V 155kw 211LE 2967ccm) Eng.code: CCWB Type id: 29977

3.0 TDI quattro diesel (3.0 24V 176kw 240LE 2967ccm) Eng.code: CAPA,CCWA Type id: 22551

3.2 FSI benzin (3.2 24V 195kw 265LE 3197ccm) Eng.code: CALA Type id: 22548

3.2 FSI quattro benzin (3.2 24V 195kw 265LE 3197ccm) Eng.code: CALA Type id: 26644

S5 quattro benzin (3.0 24V 245kw 333LE 2995ccm) Eng.code: CAKA,CGWC,CGXC,CREC,CTDA,CTUB Type id: 11997

S5 quattro benzin (4.2 32V 260kw 354LE 4163ccm) Eng.code: CAUA Type id: 22549

1.8 TFSI benzin (1.8 16V 118kw 160LE 1798ccm) Eng.code: CDHB Type id: 33409

2.0 TDI diesel (2.0 16V 100kw 136LE 1968ccm) Eng.code: CAGB,CJCB,CSUB Type id: 33412

2.0 TDI diesel (2.0 16V 105kw 143LE 1968ccm) Eng.code: CAGA,CJCA,CMEA,CMFA Type id: 33413

2.0 TDI diesel (2.0 16V 110kw 150LE 1968ccm) Eng.code: CJCD,CMFB,CSUA Type id: 59642

2.0 TDI diesel (2.0 16V 120kw 163LE 1968ccm) Eng.code: CAHB,CGLD,CNHC Type id: 33408

2.0 TDI diesel (2.0 16V 125kw 170LE 1968ccm) Eng.code: CAHA Type id: 31572

2.0 TDI diesel (2.0 16V 130kw 177LE 1968ccm) Eng.code: CGLC Type id: 11989

2.0 TDI diesel (2.0 16V 140kw 190LE 1968ccm) Eng.code: CNHA Type id: 100036

2.0 TDI quattro diesel (2.0 16V 125kw 170LE 1968ccm) Eng.code: CAHA Type id: 33415

2.0 TDI quattro diesel (2.0 16V 130kw 177LE 1968ccm) Eng.code: CGLC Type id: 15685

2.0 TDI quattro diesel (2.0 16V 140kw 190LE 1968ccm) Eng.code: CNHA Type id: 100037

2.0 TFSI benzin (2.0 16V 132kw 180LE 1984ccm) Eng.code: CDNB Type id: 31569

2.0 TFSI benzin (2.0 16V 155kw 211LE 1984ccm) Eng.code: CDNC Type id: 33410

2.0 TFSI quattro benzin (2.0 16V 155kw 211LE 1984ccm) Eng.code: CDNC Type id: 31570

2.7 TDI diesel (2.7 24V 140kw 190LE 2698ccm) Eng.code: CAMA,CGKA Type id: 31573

3.0 TDI quattro diesel (3.0 24V 176kw 240LE 2967ccm) Eng.code: CCWA Type id: 31574

3.2 FSI quattro benzin (3.2 24V 195kw 265LE 3197ccm) Eng.code: CALA Type id: 31571

S5 quattro benzin (3.0 24V 245kw 333LE 2995ccm) Eng.code: CAKA,CGWC,CREC,CTDA Type id: 33411

1.8 TFSI benzin (1.8 16V 118kw 160LE 1798ccm) Eng.code: CDHB Type id: 33416

2.0 TDI diesel (2.0 16V 105kw 143LE 1968ccm) Eng.code: CJCA Type id: 22766

2.0 TDI diesel (2.0 16V 110kw 150LE 1968ccm) Eng.code: CJCD,CSUA Type id: 59633

2.0 TDI diesel (2.0 16V 120kw 163LE 1968ccm) Eng.code: CAHB,CGLD Type id: 31328

2.0 TDI diesel (2.0 16V 125kw 170LE 1968ccm) Eng.code: CAHA Type id: 30987

2.0 TDI diesel (2.0 16V 130kw 177LE 1968ccm) Eng.code: CGLC Type id: 11992

2.0 TDI diesel (2.0 16V 140kw 190LE 1968ccm) Eng.code: CNHA Type id: 100054

2.0 TDI quattro diesel (2.0 16V 130kw 177LE 1968ccm) Eng.code: CGLC Type id: 22769

2.0 TDI quattro diesel (2.0 16V 140kw 190LE 1968ccm) Eng.code: CNHA Type id: 100055

2.0 TFSI benzin (2.0 16V 132kw 180LE 1984ccm) Eng.code: CAEA,CDNB Type id: 30979

2.0 TFSI benzin (2.0 16V 155kw 211LE 1984ccm) Eng.code: CAEB,CDNC Type id: 30980

2.0 TFSI quattro benzin (2.0 16V 155kw 211LE 1984ccm) Eng.code: CAEB,CDNC,CPMA Type id: 30981

2.7 TDI diesel (2.7 24V 140kw 190LE 2698ccm) Eng.code: CGKA Type id: 30984

3.0 TDI quattro diesel (3.0 24V 176kw 240LE 2967ccm) Eng.code: CCWA Type id: 30985

3.2 FSI benzin (3.2 24V 195kw 265LE 3197ccm) Eng.code: CALA Type id: 30982

3.2 FSI quattro benzin (3.2 24V 195kw 265LE 3197ccm) Eng.code: CALA Type id: 30983

S5 quattro benzin (3.0 24V 245kw 333LE 2995ccm) Eng.code: CAKA,CCBA,CGWC,CGXC,CREC,CTDA,CTUB Type id: 30988

2.0 TDI diesel (2.0 16V 100kw 136LE 1968ccm) Eng.code: BNA,BRF,CAGB Type id: 19232

2.0 TDI diesel (2.0 16V 120kw 163LE 1968ccm) Eng.code: CAHB Type id: 31513

2.0 TDI diesel (2.0 16V 125kw 170LE 1968ccm) Eng.code: CAHA Type id: 30361

2.0 TDI diesel (2.0 16V 100kw 136LE 1968ccm) Eng.code: BNA,BRF,CAGB Type id: 19233

2.0 TDI diesel (2.0 16V 120kw 163LE 1968ccm) Eng.code: CAHB Type id: 31517

2.0 TDI diesel (2.0 16V 125kw 170LE 1968ccm) Eng.code: CAHA Type id: 30373

2.0 TDI diesel (2.0 16V 100kw 136LE 1968ccm) Eng.code: CGLE,CSUE Type id: 22928

2.0 TDI diesel (2.0 16V 120kw 163LE 1968ccm) Eng.code: CGLD Type id: 9308

2.0 TDI diesel (2.0 16V 130kw 177LE 1968ccm) Eng.code: CGLC,CMGB Type id: 7938

2.0 TDI diesel (2.0 16V 100kw 136LE 1968ccm) Eng.code: CGLE,CSUE,DDCA Type id: 22929

2.0 TDI diesel (2.0 16V 120kw 163LE 1968ccm) Eng.code: CGLD Type id: 10435

2.0 TDI diesel (2.0 16V 130kw 177LE 1968ccm) Eng.code: CGLC,CMGB Type id: 10413

2.0 TDI diesel (2.0 16V 100kw 136LE 1968ccm) Eng.code: CFFA,CUVB,DFTB Type id: 12035

2.0 TDI diesel (2.0 16V 110kw 150LE 1968ccm) Eng.code: CUVC,DBBA,DFTA Type id: 109420

2.0 TDI diesel (2.0 16V 135kw 184LE 1968ccm) Eng.code: CUWA,DFUA Type id: 113346

2.0 TDI diesel (2.0 16V 88kw 120LE 1968ccm) Eng.code: CUVD,DFTC Type id: 112266

2.0 TDI quattro diesel (2.0 16V 110kw 150LE 1968ccm) Eng.code: CUVC,DFTA Type id: 109421

2.0 TDI quattro diesel (2.0 16V 135kw 184LE 1968ccm) Eng.code: CUWA,CYLA,DFUA Type id: 109422

2.0 TDI diesel (2.0 16V 100kw 136LE 1968ccm) Eng.code: CJCB,CSUB Type id: 11058

2.0 TDI diesel (2.0 16V 105kw 143LE 1968ccm) Eng.code: CJCA Type id: 11060

2.0 TDI diesel (2.0 16V 110kw 150LE 1968ccm) Eng.code: CJCD,CSUA Type id: 59263

2.0 TDI diesel (2.0 16V 140kw 190LE 1968ccm) Eng.code: CNHA Type id: 117763

2.0 TDI quattro diesel (2.0 16V 100kw 136LE 1968ccm) Eng.code: CAGB,CJCB,CSUB Type id: 31957

2.0 TDI quattro diesel (2.0 16V 105kw 143LE 1968ccm) Eng.code: CAGA,CJCA Type id: 31956

2.0 TDI quattro diesel (2.0 16V 110kw 150LE 1968ccm) Eng.code: CJCD,CSUA Type id: 59264

2.0 TDI quattro diesel (2.0 16V 120kw 163LE 1968ccm) Eng.code: CAHB,CGLA,CGLD,CNHC Type id: 31959

2.0 TDI quattro diesel (2.0 16V 125kw 170LE 1968ccm) Eng.code: CAHA,CGLB,CMGA Type id: 27564

2.0 TDI quattro diesel (2.0 16V 130kw 177LE 1968ccm) Eng.code: CGLC,CMGB Type id: 56108

2.0 TDI quattro diesel (2.0 16V 140kw 190LE 1968ccm) Eng.code: CNHA Type id: 100061

2.0 TFSI Hybrid quattro benzin/elektromos (2.0 16V 180kw 245LE 1984ccm) Eng.code: CHJA Type id: 11054

2.0 TFSI quattro benzin (2.0 16V 132kw 180LE 1984ccm) Eng.code: CDNB,CNCB Type id: 31955

2.0 TFSI quattro benzin (2.0 16V 155kw 211LE 1984ccm) Eng.code: CAEB,CDNC Type id: 27563

3.0 TDI quattro diesel (3.0 24V 155kw 211LE 2967ccm) Eng.code: CCWB Type id: 31962

3.0 TDI quattro diesel (3.0 24V 176kw 240LE 2967ccm) Eng.code: CCWA,CPNB Type id: 27565

3.2 FSI quattro benzin (3.2 24V 199kw 270LE 3197ccm) Eng.code: CALB Type id: 30740

2.0 TDI quattro diesel (2.0 16V 125kw 170LE 1968ccm) Eng.code: CBBB,CFGB Type id: 28279

2.0 TFSI benzin (2.0 16V 147kw 200LE 1984ccm) Eng.code: BWA Type id: 19453

2.0 TTS quattro benzin (2.0 16V 195kw 265LE 1984ccm) Eng.code: CDLA,CDMA Type id: 28404

2.0 TTS quattro benzin (2.0 16V 200kw 272LE 1984ccm) Eng.code: CDLB Type id: 24472

2.5 RS quattro benzin (2.5 20V 250kw 340LE 2480ccm) Eng.code: CEPA Type id: 31438

3.2 V6 quattro benzin (3.2 24V 184kw 250LE 3189ccm) Eng.code: BUB,CBRA Type id: 19454

2.0 TDI quattro diesel (2.0 16V 125kw 170LE 1968ccm) Eng.code: CBBB,CFGB Type id: 28281

2.0 TFSI benzin (2.0 16V 147kw 200LE 1984ccm) Eng.code: BWA Type id: 19806

2.0 TTS quattro benzin (2.0 16V 195kw 265LE 1984ccm) Eng.code: CDLA,CDMA Type id: 28844

2.0 TTS quattro benzin (2.0 16V 200kw 272LE 1984ccm) Eng.code: CDLB Type id: 24473

2.5 RS quattro benzin (2.5 20V 250kw 340LE 2480ccm) Eng.code: CEPA Type id: 31439

3.2 V6 quattro benzin (3.2 24V 184kw 250LE 3189ccm) Eng.code: BUB,CBRA Type id: 19807

2.0 TDI diesel (2.0 16V 135kw 184LE 1968ccm) Eng.code: CUNA Type id: 106601

2.0 TDI quattro diesel (2.0 16V 135kw 184LE 1968ccm) Eng.code: CUNA Type id: 125351

2.0 TDI diesel (2.0 16V 135kw 184LE 1968ccm) Eng.code: CUNA Type id: 108398

2.0 TDI quattro diesel (2.0 16V 135kw 184LE 1968ccm) Eng.code: CUNA Type id: 125352

2.0 TDI 4Drive diesel (2.0 16V 110kw 150LE 1968ccm) Eng.code: CUVC,DFLA,DLTA Type id: 115490

2.0 TDI 4Drive diesel (2.0 16V 135kw 184LE 1968ccm) Eng.code: DFMA Type id: 120179

2.0 TDI diesel (2.0 16V 110kw 150LE 1968ccm) Eng.code: CUVC,DFLA,DLTA Type id: 115487

2.0 TDI diesel (2.0 16V 135kw 184LE 1968ccm) Eng.code: CUWA,DFMA Type id: 115493

2.0 TDI diesel (2.0 16V 85kw 115LE 1968ccm) Eng.code: CFFE,CUVA,DFLD,DLTC Type id: 10615

1.4 TSI benzin (1.4 16V 92kw 125LE 1390ccm) Eng.code: CAXC Type id: 24240

2.0 TDI diesel (2.0 16V 100kw 136LE 1968ccm) Eng.code: AZV Type id: 18765

1.4 TSI benzin (1.4 16V 92kw 125LE 1390ccm) Eng.code: CAXC Type id: 24241

1.6 TDI diesel (1.6 16V 85kw 115LE 1598ccm) Eng.code: DDYA,DGTE Type id: 119698

2.0 TDI 4Drive diesel (2.0 16V 110kw 150LE 1968ccm) Eng.code: DFFA,DTTC Type id: 119701

2.0 TDI 4Drive diesel (2.0 16V 140kw 190LE 1968ccm) Eng.code: DFHA Type id: 119702

2.0 TDI diesel (2.0 16V 105kw 143LE 1968ccm) Eng.code: CRVC Type id: 124179

2.0 TDI diesel (2.0 16V 110kw 150LE 1968ccm) Eng.code: DFFA,DTTA,DTTC Type id: 119700

2.0 TDI diesel (2.0 16V 81kw 110LE 1968ccm) Eng.code: CRVA Type id: 124178

1.4 TDI diesel (1.4 6V 51kw 70LE 1422ccm) Eng.code: BNM Type id: 19221

1.4 TDI diesel (1.4 6V 59kw 80LE 1422ccm) Eng.code: BMS,BNV Type id: 19222

1.6 16V benzin (1.6 16V 77kw 105LE 1598ccm) Eng.code: BTS Type id: 20056

2.0 TDI diesel (2.0 16V 105kw 143LE 1968ccm) Eng.code: CAGA,CJCA Type id: 31000

2.0 TDI diesel (2.0 16V 125kw 170LE 1968ccm) Eng.code: CAHA,CGLB Type id: 31001

2.0 TDI diesel (2.0 16V 88kw 120LE 1968ccm) Eng.code: CAGC,CJCC Type id: 31588

2.0 TDI diesel (2.0 16V 105kw 143LE 1968ccm) Eng.code: CAGA,CJCA Type id: 31350

2.0 TDI diesel (2.0 16V 125kw 170LE 1968ccm) Eng.code: CAHA,CGLB Type id: 31351

2.0 TDI diesel (2.0 16V 88kw 120LE 1968ccm) Eng.code: CAGC,CJCC Type id: 31352

1.4 TDI diesel (1.4 6V 51kw 70LE 1422ccm) Eng.code: BNM Type id: 19219

1.4 TDI diesel (1.4 6V 59kw 80LE 1422ccm) Eng.code: BMS,BNV Type id: 19220

1.6 16V benzin (1.6 16V 77kw 105LE 1598ccm) Eng.code: BTS Type id: 20057

1.9 TDI diesel (1.9 8V 74kw 100LE 1896ccm) Eng.code: ATD,AXR,BMT Type id: 16525

1.2 benzin (1.2 12V 51kw 70LE 1198ccm) Eng.code: BZG,CGPA,CJLB Type id: 27584

1.4 TDI diesel (1.4 6V 59kw 80LE 1422ccm) Eng.code: BMS Type id: 27586

1.6 LPG benzin/LPG (1.6 16V 60kw 81LE 1598ccm) Eng.code: CNKA Type id: 10643

1.6 benzin (1.6 16V 77kw 105LE 1598ccm) Eng.code: BTS Type id: 31112

1.9 TDI diesel (1.9 8V 66kw 90LE 1896ccm) Eng.code: BXJ Type id: 27587

1.9 TDI diesel (1.9 8V 77kw 105LE 1896ccm) Eng.code: BLS Type id: 28261

1.2 benzin (1.2 12V 51kw 70LE 1198ccm) Eng.code: BZG,CGPA Type id: 28130

1.4 TDI diesel (1.4 6V 59kw 80LE 1422ccm) Eng.code: BMS Type id: 28132

1.6 LPG benzin/LPG (1.6 16V 60kw 81LE 1598ccm) Eng.code: CNKA Type id: 10637

1.6 benzin (1.6 16V 77kw 105LE 1598ccm) Eng.code: BTS Type id: 31113

1.9 TDI diesel (1.9 8V 66kw 90LE 1896ccm) Eng.code: BXJ Type id: 28133

1.9 TDI diesel (1.9 8V 77kw 105LE 1896ccm) Eng.code: BLS Type id: 28262

1.6 TDI diesel (1.6 16V 66kw 90LE 1598ccm) Eng.code: CLHB,CXXA,DDYB Type id: 56778

1.6 TDI diesel (1.6 16V 77kw 105LE 1598ccm) Eng.code: CLHA Type id: 56777

1.6 TDI diesel (1.6 16V 81kw 110LE 1598ccm) Eng.code: CRKB,CXXB,DBKA Type id: 59057

1.6 TDI diesel (1.6 16V 85kw 115LE 1598ccm) Eng.code: DDYA,DGTE Type id: 124050

2.0 TDI diesel (2.0 16V 105kw 143LE 1968ccm) Eng.code: CRVC Type id: 59060

2.0 TDI diesel (2.0 16V 110kw 150LE 1968ccm) Eng.code: CKFC,CRMB,DFFA Type id: 57594

2.0 TDI diesel (2.0 16V 135kw 184LE 1968ccm) Eng.code: CUNA,CUPA,DJGA Type id: 57597

2.0 TDI diesel (2.0 16V 81kw 110LE 1968ccm) Eng.code: CRLD,CRVA Type id: 59061

1.6 TDI diesel (1.6 16V 66kw 90LE 1598ccm) Eng.code: CLHB,CXXA,DDYB Type id: 59603

1.6 TDI diesel (1.6 16V 77kw 105LE 1598ccm) Eng.code: CLHA Type id: 59605

1.6 TDI diesel (1.6 16V 81kw 110LE 1598ccm) Eng.code: CRKB,CXXB,DBKA Type id: 59606

1.6 TDI diesel (1.6 16V 85kw 115LE 1598ccm) Eng.code: DDYA Type id: 124860

2.0 TDI diesel (2.0 16V 105kw 143LE 1968ccm) Eng.code: CRVC Type id: 59609

2.0 TDI diesel (2.0 16V 110kw 150LE 1968ccm) Eng.code: CKFC,CRMB Type id: 59610

2.0 TDI diesel (2.0 16V 135kw 184LE 1968ccm) Eng.code: CUNA,CUPA Type id: 59611

1.6 TDI 4Drive diesel (1.6 16V 77kw 105LE 1598ccm) Eng.code: CLHA Type id: 101002

1.6 TDI 4Drive diesel (1.6 16V 81kw 110LE 1598ccm) Eng.code: CXXB Type id: 108633

1.6 TDI diesel (1.6 16V 66kw 90LE 1598ccm) Eng.code: CLHB,CXXA,DDYB Type id: 31372

1.6 TDI diesel (1.6 16V 77kw 105LE 1598ccm) Eng.code: CLHA Type id: 31377

1.6 TDI diesel (1.6 16V 81kw 110LE 1598ccm) Eng.code: CRKB,CXXB,DBKA Type id: 100793

1.6 TDI diesel (1.6 16V 85kw 115LE 1598ccm) Eng.code: DDYA,DGTE Type id: 124051

2.0 TDI 4Drive diesel (2.0 16V 110kw 150LE 1968ccm) Eng.code: CRBC,CRLB,CRMB,DCYA,DFGA Type id: 106226

2.0 TDI 4Drive diesel (2.0 16V 135kw 184LE 1968ccm) Eng.code: CUNA,DJGA Type id: 108634

2.0 TDI diesel (2.0 16V 105kw 143LE 1968ccm) Eng.code: CRVC Type id: 21805

2.0 TDI diesel (2.0 16V 110kw 150LE 1968ccm) Eng.code: CKFC,CRBC,CRLB,CRMB,DFFA,DFGA Type id: 21804

2.0 TDI diesel (2.0 16V 135kw 184LE 1968ccm) Eng.code: CUNA,CUPA,DJGA Type id: 23695

2.0 TDI diesel (2.0 16V 81kw 110LE 1968ccm) Eng.code: CRLD,CRVA Type id: 31476

1.0 benzin (1.0 12V 55kw 75LE 999ccm) Eng.code: CHYB Type id: 15944

1.6 TDI diesel (1.6 16V 85kw 115LE 1598ccm) Eng.code: CXMA Type id: 115151

1.6 benzin (1.6 16V 77kw 105LE 1598ccm) Eng.code: CFNA Type id: 59063

1.0 benzin (1.0 12V 44kw 60LE 999ccm) Eng.code: CHYA Type id: 15989

1.0 benzin (1.0 12V 55kw 75LE 999ccm) Eng.code: CHYB Type id: 15995

1.4 TDI diesel (1.4 6V 51kw 70LE 1422ccm) Eng.code: BNM Type id: 19227

1.4 TDI diesel (1.4 6V 59kw 80LE 1422ccm) Eng.code: BNV Type id: 19228

1.4 TDI diesel (1.4 6V 51kw 70LE 1422ccm) Eng.code: BNM Type id: 19225

1.4 TDI diesel (1.4 6V 59kw 80LE 1422ccm) Eng.code: BNV Type id: 19226

1.4 TDI diesel (1.4 6V 51kw 70LE 1422ccm) Eng.code: BNM Type id: 19229

1.4 TDI diesel (1.4 6V 59kw 80LE 1422ccm) Eng.code: BNV Type id: 19230

1.4 TDI diesel (1.4 6V 51kw 70LE 1422ccm) Eng.code: BNM Type id: 19231

1.4 TDI diesel (1.4 6V 51kw 70LE 1422ccm) Eng.code: BNM Type id: 22948

1.4 TDI diesel (1.4 6V 59kw 80LE 1422ccm) Eng.code: BMS,BNV Type id: 22949

1.6 benzin (1.6 16V 77kw 105LE 1598ccm) Eng.code: BTS,CFNA Type id: 22947

1.4 TDI diesel (1.4 6V 51kw 70LE 1422ccm) Eng.code: BNM Type id: 23168

1.4 TDI diesel (1.4 6V 59kw 80LE 1422ccm) Eng.code: BMS,BNV Type id: 23169

1.6 benzin (1.6 16V 77kw 105LE 1598ccm) Eng.code: BTS,CFNA Type id: 23167

2.0 RS Bi-TDI 4x4 diesel (2.0 16V 176kw 239LE 1968ccm) Eng.code: CUAA Type id: 134287

2.0 TDI 4x4 diesel (2.0 16V 110kw 150LE 1968ccm) Eng.code: DBGC,DFGA,DTSB Type id: 123426

2.0 TDI diesel (2.0 16V 110kw 150LE 1968ccm) Eng.code: DBGC,DFGA,DTSB Type id: 123934

1.4 TSI benzin (1.4 16V 90kw 122LE 1390ccm) Eng.code: CAXA Type id: 31592

1.6 FSI benzin (1.6 16V 85kw 115LE 1598ccm) Eng.code: BLF Type id: 17974

1.4 TSI benzin (1.4 16V 90kw 122LE 1390ccm) Eng.code: CAXA Type id: 31593

1.6 FSI benzin (1.6 16V 85kw 115LE 1598ccm) Eng.code: BLF Type id: 18247

1.6 TDI 4x4 diesel (1.6 16V 77kw 105LE 1598ccm) Eng.code: CLHA Type id: 108643

1.6 TDI 4x4 diesel (1.6 16V 81kw 110LE 1598ccm) Eng.code: CRKB,CXXB Type id: 115209

1.6 TDI 4x4 diesel (1.6 16V 85kw 115LE 1598ccm) Eng.code: DGTE Type id: 133302

1.6 TDI diesel (1.6 16V 66kw 90LE 1598ccm) Eng.code: CLHB,CXXA,DDYB Type id: 59077

1.6 TDI diesel (1.6 16V 77kw 105LE 1598ccm) Eng.code: CLHA Type id: 58760

1.6 TDI diesel (1.6 16V 81kw 110LE 1598ccm) Eng.code: CRKB,CXXB,DBKA Type id: 100629

1.6 TDI diesel (1.6 16V 85kw 115LE 1598ccm) Eng.code: DDYA,DGTE Type id: 126000

2.0 TDI / TDI RS 4x4 diesel (2.0 16V 135kw 184LE 1968ccm) Eng.code: CUNA,CUPA,DJGA Type id: 108649

2.0 TDI 4x4 diesel (2.0 16V 110kw 150LE 1968ccm) Eng.code: CKFC,CRMB,DCYA,DFFA Type id: 108645

2.0 TDI RS diesel (2.0 16V 135kw 184LE 1968ccm) Eng.code: CUNA,CUPA,DJGA Type id: 59676

2.0 TDI diesel (2.0 16V 105kw 143LE 1968ccm) Eng.code: CKFB,CRVC Type id: 59079

2.0 TDI diesel (2.0 16V 110kw 150LE 1968ccm) Eng.code: CKFC,CRMB,CYKA,DCYA,DFFA Type id: 58761

1.6 TDI 4x4 diesel (1.6 16V 77kw 105LE 1598ccm) Eng.code: CLHA Type id: 59488

1.6 TDI 4x4 diesel (1.6 16V 81kw 110LE 1598ccm) Eng.code: CRKB,CXXB,DBKA Type id: 115210

1.6 TDI 4x4 diesel (1.6 16V 85kw 115LE 1598ccm) Eng.code: DGTE Type id: 133304

1.6 TDI diesel (1.6 16V 66kw 90LE 1598ccm) Eng.code: CLHB,CXXA,DDYB Type id: 59078

1.6 TDI diesel (1.6 16V 77kw 105LE 1598ccm) Eng.code: CLHA Type id: 58766

1.6 TDI diesel (1.6 16V 81kw 110LE 1598ccm) Eng.code: CRKB,CXXB,DBKA Type id: 100630

1.6 TDI diesel (1.6 16V 85kw 115LE 1598ccm) Eng.code: DDYA,DGTA,DGTE Type id: 126001

2.0 TDI / TDI RS 4x4 diesel (2.0 16V 135kw 184LE 1968ccm) Eng.code: CUNA,CUPA,DJGA Type id: 108648

2.0 TDI 4x4 diesel (2.0 16V 110kw 150LE 1968ccm) Eng.code: CKFC,CRMB,DCYA,DFFA Type id: 59490

2.0 TDI RS diesel (2.0 16V 135kw 184LE 1968ccm) Eng.code: CUNA,CUPA,DJGA Type id: 59679

2.0 TDI diesel (2.0 16V 105kw 143LE 1968ccm) Eng.code: CKFB,CRVC Type id: 59080

2.0 TDI diesel (2.0 16V 110kw 150LE 1968ccm) Eng.code: CKFC,CRMB,CYKA,DCYA,DFFA Type id: 58767

1.6 TDI diesel (1.6 16V 77kw 105LE 1598ccm) Eng.code: CAYC,CLNA Type id: 56170

1.6 TDI diesel (1.6 16V 85kw 115LE 1598ccm) Eng.code: CXMA Type id: 115186

1.6 TDI diesel (1.6 16V 85kw 115LE 1598ccm) Eng.code: CXMA Type id: 115187

1.4 TDI diesel (1.4 6V 51kw 70LE 1422ccm) Eng.code: BNM Type id: 19276

1.4 TDI diesel (1.4 6V 59kw 80LE 1422ccm) Eng.code: BMS,BNV Type id: 19277

1.6 benzin (1.6 16V 77kw 105LE 1598ccm) Eng.code: BTS,CFNA Type id: 19275

1.9 TDI diesel (1.9 8V 74kw 101LE 1896ccm) Eng.code: AXR Type id: 10996

1.9 TDI diesel (1.9 8V 77kw 105LE 1896ccm) Eng.code: BLS,BSW Type id: 19278

1.4 TDI diesel (1.4 6V 51kw 70LE 1422ccm) Eng.code: BNM Type id: 23247

1.4 TDI diesel (1.4 6V 59kw 80LE 1422ccm) Eng.code: BMS,BNV Type id: 23245

1.6 TDI diesel (1.6 16V 77kw 105LE 1598ccm) Eng.code: CAYC Type id: 6314

1.9 TDI diesel (1.9 8V 77kw 105LE 1896ccm) Eng.code: BLS,BXE Type id: 28255

2.0 TDI 16V 4x4 diesel (2.0 16V 103kw 140LE 1968ccm) Eng.code: CFFB Type id: 10574

2.0 TDI 16V diesel (2.0 16V 103kw 140LE 1968ccm) Eng.code: BKD,CFFB,CLJA Type id: 31965

2.0 TDI 4x4 diesel (2.0 16V 125kw 170LE 1968ccm) Eng.code: CBBB,CFGB Type id: 28282

2.0 TDI diesel (2.0 16V 125kw 170LE 1968ccm) Eng.code: CBBB,CFGB Type id: 28257

2.0 TDI diesel (2.0 8V 103kw 140LE 1968ccm) Eng.code: BMP Type id: 28256

3.6 FSI 4x4 benzin (3.6 24V 191kw 260LE 3597ccm) Eng.code: CDVA Type id: 28258

1.6 TDI diesel (1.6 16V 77kw 105LE 1598ccm) Eng.code: CAYC Type id: 6339

1.9 TDI diesel (1.9 8V 77kw 105LE 1896ccm) Eng.code: BLS,BXE Type id: 11006

2.0 TDI 16V 4x4 diesel (2.0 16V 103kw 140LE 1968ccm) Eng.code: CFFB Type id: 10573

2.0 TDI 16V diesel (2.0 16V 103kw 140LE 1968ccm) Eng.code: BKD,CFFB,CLJA Type id: 32787

2.0 TDI 4x4 diesel (2.0 16V 125kw 170LE 1968ccm) Eng.code: CBBB,CFGB Type id: 32789

2.0 TDI diesel (2.0 16V 125kw 170LE 1968ccm) Eng.code: CBBB,CFGB Type id: 32788

2.0 TDI diesel (2.0 8V 103kw 140LE 1968ccm) Eng.code: BMP Type id: 33322

3.6 V6 4x4 benzin (3.6 24V 191kw 260LE 3597ccm) Eng.code: CDVA Type id: 32786

1.6 TDI diesel (1.6 16V 88kw 120LE 1598ccm) Eng.code: DCXA,DCZA Type id: 113310

2.0 TDI 4x4 diesel (2.0 16V 110kw 150LE 1968ccm) Eng.code: CRLB,DFEA,DFGA Type id: 115237

2.0 TDI 4x4 diesel (2.0 16V 140kw 190LE 1968ccm) Eng.code: DDAA,DFCA,DFHA Type id: 113313

2.0 TDI diesel (2.0 16V 110kw 150LE 1968ccm) Eng.code: CRLB,DFEA,DFGA,DSRA,DSRB,DTSA,DTSB Type id: 112394

2.0 TDI diesel (2.0 16V 140kw 190LE 1968ccm) Eng.code: DDAA,DFCA,DFHA Type id: 112397

1.6 TDI diesel (1.6 16V 88kw 120LE 1598ccm) Eng.code: DCXA,DCZA Type id: 115166

2.0 TDI 4x4 diesel (2.0 16V 110kw 150LE 1968ccm) Eng.code: CRLB,DFEA,DFGA Type id: 115238

2.0 TDI 4x4 diesel (2.0 16V 140kw 190LE 1968ccm) Eng.code: DDAA,DFCA,DFHA Type id: 115169

2.0 TDI diesel (2.0 16V 110kw 150LE 1968ccm) Eng.code: CRLB,DFEA,DFGA,DSRA,DSRB,DTSA,DTSB Type id: 115167

2.0 TDI diesel (2.0 16V 140kw 190LE 1968ccm) Eng.code: DDAA,DFCA,DFHA Type id: 115168

2.0 TDI 4x4 diesel (2.0 16V 110kw 150LE 1968ccm) Eng.code: CUUB,DFSB Type id: 115192

2.0 TDI 4x4 diesel (2.0 16V 81kw 110LE 1968ccm) Eng.code: CFHF,CUUA,DFSA Type id: 32753

2.0 TDI diesel (2.0 16V 110kw 150LE 1968ccm) Eng.code: CUUB,DFSB Type id: 115191

2.0 TDI diesel (2.0 16V 81kw 110LE 1968ccm) Eng.code: CFHA,CLCA,CUUA,DFSA Type id: 32752

2.0 BiTDI 4motion diesel (2.0 16V 120kw 163LE 1968ccm) Eng.code: CDCA Type id: 33472

2.0 BiTDI 4motion diesel (2.0 16V 132kw 180LE 1968ccm) Eng.code: CNEA,CSHA Type id: 22936

2.0 BiTDI diesel (2.0 16V 120kw 163LE 1968ccm) Eng.code: CDCA Type id: 33470

2.0 BiTDI diesel (2.0 16V 132kw 180LE 1968ccm) Eng.code: CNEA,CSHA Type id: 56028

2.0 TDI 4motion diesel (2.0 16V 103kw 140LE 1968ccm) Eng.code: CNFB Type id: 56897

2.0 TDI diesel (2.0 16V 103kw 140LE 1968ccm) Eng.code: CNFB Type id: 56896

2.0 TDI 4motion diesel (2.0 16V 140kw 190LE 1968ccm) Eng.code: DFHA Type id: 128179

2.0 TDI diesel (2.0 16V 110kw 150LE 1968ccm) Eng.code: DBGA,DFGA,DSRA,DSRB,DTSA,DTSB Type id: 127056

2.0 TDI diesel (2.0 16V 140kw 190LE 1968ccm) Eng.code: DFHA Type id: 128180

3.6 FSi 4motion benzin (3.6 24V 183kw 249LE 3598ccm) Eng.code: CDVD Type id: 135640

2.0 TDI diesel (2.0 16V 110kw 150LE 1968ccm) Eng.code: CUUB,CVCA,DELA Type id: 108515

2.0 TDI diesel (2.0 16V 81kw 110LE 1968ccm) Eng.code: CUUA Type id: 109439

2.0 TDI diesel (2.0 16V 110kw 150LE 1968ccm) Eng.code: CUUB,CVCA,DELA Type id: 108514

2.0 TDI diesel (2.0 16V 81kw 110LE 1968ccm) Eng.code: CUUA Type id: 109467

2.0 TDI diesel (2.0 16V 110kw 150LE 1968ccm) Eng.code: CUVC Type id: 115198

2.0 TDI diesel (2.0 16V 135kw 184LE 1968ccm) Eng.code: CUWA Type id: 115199

2.0 TDI 4motion diesel (2.0 16V 90kw 122LE 1968ccm) Eng.code: CUUE,DFSE Type id: 118496

2.0 TDI diesel (2.0 16V 110kw 150LE 1968ccm) Eng.code: CUUB,DFSB Type id: 118497

2.0 TDI diesel (2.0 16V 75kw 102LE 1968ccm) Eng.code: CUUD,DFSD Type id: 118495

2.0 TDI 4motion diesel (2.0 16V 90kw 122LE 1968ccm) Eng.code: CUUE,DFSE Type id: 118487

2.0 TDI diesel (2.0 16V 55kw 75LE 1968ccm) Eng.code: CUUF,DFSF Type id: 118485

2.0 TDI diesel (2.0 16V 75kw 102LE 1968ccm) Eng.code: CUUD,DFSD Type id: 118486

1.9 TDI diesel (1.9 8V 77kw 105LE 1896ccm) Eng.code: BJB,BLS Type id: 17809

2.0 SDI diesel (2.0 8V 51kw 70LE 1968ccm) Eng.code: BDJ,BST Type id: 17808

1.9 TDI diesel (1.9 8V 55kw 75LE 1896ccm) Eng.code: BSU Type id: 19236

2.0 SDI diesel (2.0 8V 51kw 70LE 1968ccm) Eng.code: BDJ,BST Type id: 17807

2.0 TDI 4motion diesel (2.0 16V 110kw 150LE 1968ccm) Eng.code: DFSB Type id: 117961

2.0 TDI 4motion diesel (2.0 16V 55kw 75LE 1968ccm) Eng.code: DFSC Type id: 117957

2.0 TDI diesel (2.0 16V 110kw 150LE 1968ccm) Eng.code: CUUB,DFSB Type id: 114357

2.0 TDI diesel (2.0 16V 55kw 75LE 1968ccm) Eng.code: CUUF,DFSC,DFSF Type id: 114348

2.0 TDI diesel (2.0 16V 75kw 102LE 1968ccm) Eng.code: CUUD,DFSD Type id: 114349

2.0 TDI 4motion diesel (2.0 16V 110kw 150LE 1968ccm) Eng.code: DFSB Type id: 117951

2.0 TDI 4motion diesel (2.0 16V 90kw 122LE 1968ccm) Eng.code: CUUE,DFSE Type id: 114336

2.0 TDI diesel (2.0 16V 110kw 150LE 1968ccm) Eng.code: CUUB,DFSB Type id: 114334

2.0 TDI diesel (2.0 16V 55kw 75LE 1968ccm) Eng.code: CUUF,DFSF Type id: 114333

2.0 TDI 4motion diesel (2.0 16V 103kw 140LE 1968ccm) Eng.code: DAUA,DNAE Type id: 129197

2.0 TDI 4motion diesel (2.0 16V 130kw 177LE 1968ccm) Eng.code: DAVA,DMZB Type id: 129198

2.0 TDI RWD diesel (2.0 16V 130kw 177LE 1968ccm) Eng.code: DAWA Type id: 129177

2.0 TDI RWD diesel (2.0 16V 90kw 122LE 1968ccm) Eng.code: DASA Type id: 128961

2.0 TDI diesel (2.0 16V 103kw 140LE 1968ccm) Eng.code: DAUA,DNAE Type id: 123539

2.0 TDI diesel (2.0 16V 130kw 177LE 1968ccm) Eng.code: DAVA,DMZB Type id: 123540

2.0 TDI diesel (2.0 16V 75kw 102LE 1968ccm) Eng.code: DAUB,DNAD Type id: 123538

2.0 TDI diesel (2.0 16V 103kw 140LE 1968ccm) Eng.code: DAUA,DNAE Type id: 125093

2.0 TDI diesel (2.0 16V 130kw 177LE 1968ccm) Eng.code: DAVA,DMZB Type id: 125094

2.0 TDI diesel (2.0 16V 75kw 102LE 1968ccm) Eng.code: DAUB,DNAD Type id: 125092

2.0 TDI 4motion diesel (2.0 16V 103kw 140LE 1968ccm) Eng.code: DAUA,DNAE Type id: 129174

2.0 TDI 4motion diesel (2.0 16V 130kw 177LE 1968ccm) Eng.code: DAVA,DMZB Type id: 126602

2.0 TDI RWD diesel (2.0 16V 130kw 177LE 1968ccm) Eng.code: DAWA Type id: 129166

2.0 TDI diesel (2.0 16V 103kw 140LE 1968ccm) Eng.code: DAUA,DNAE Type id: 123535

2.0 TDI diesel (2.0 16V 130kw 177LE 1968ccm) Eng.code: DAVA,DMZB Type id: 123537

2.0 TDI 4motion diesel (2.0 16V 120kw 163LE 1968ccm) Eng.code: CKUB,CSNA Type id: 55113

2.0 TDI diesel (2.0 16V 100kw 136LE 1968ccm) Eng.code: CKTC Type id: 10813

2.0 TDI diesel (2.0 16V 120kw 163LE 1968ccm) Eng.code: CKUB,CSNA Type id: 10814

2.0 TDI diesel (2.0 16V 80kw 109LE 1968ccm) Eng.code: CKTB,CSLA Type id: 10812

2.0 TDI 4motion diesel (2.0 16V 120kw 163LE 1968ccm) Eng.code: CKUB,CSNA Type id: 55115

2.0 TDI diesel (2.0 16V 105kw 142LE 1968ccm) Eng.code: CKUC Type id: 10827

2.0 TDI diesel (2.0 16V 120kw 163LE 1968ccm) Eng.code: CKUB,CSNA Type id: 10826

2.0 TDI diesel (2.0 16V 80kw 109LE 1968ccm) Eng.code: CKTB,CSLA Type id: 10824

2.0 TDI 4motion diesel (2.0 16V 120kw 163LE 1968ccm) Eng.code: CKUB,CSNA Type id: 55114

2.0 TDI diesel (2.0 16V 80kw 109LE 1968ccm) Eng.code: CKTB,CSLA Type id: 10815

1.4 TSI benzin (1.4 16V 118kw 160LE 1390ccm) Eng.code: CAVD,CTHD Type id: 31100

2.0 TDI 16V diesel (2.0 16V 103kw 140LE 1968ccm) Eng.code: CBAB,CFFB Type id: 33645

2.0 TDI diesel (2.0 16V 100kw 136LE 1968ccm) Eng.code: CFFA Type id: 10245

2.0 TDI diesel (2.0 8V 103kw 140LE 1968ccm) Eng.code: BMM Type id: 18989

2.0 TFSI benzin (2.0 16V 147kw 200LE 1984ccm) Eng.code: BWA,CAWB,CBFA,CCZA Type id: 18976

3.2 V6 benzin (3.2 24V 184kw 250LE 3189ccm) Eng.code: BUB,CBRA Type id: 18985

1.4 TDI diesel (1.4 6V 51kw 70LE 1422ccm) Eng.code: BNM Type id: 18610

1.6 TDI 4motion diesel (1.6 16V 81kw 110LE 1598ccm) Eng.code: CRKB,CXXB Type id: 109838

2.0 TDI 4motion diesel (2.0 16V 110kw 150LE 1968ccm) Eng.code: CRBC,CRLB,DCYA,DFGA Type id: 109839

2.0 TDI 4motion diesel (2.0 16V 135kw 184LE 1968ccm) Eng.code: CUNA,DGCA,DJGA Type id: 109843

1.4 16V benzin (1.4 16V 59kw 80LE 1390ccm) Eng.code: BUD,CGGA Type id: 19465

1.4 TSI benzin (1.4 16V 103kw 140LE 1390ccm) Eng.code: BMY Type id: 19466

1.9 TDI diesel (1.9 8V 66kw 90LE 1896ccm) Eng.code: BRU,BXF,BXJ Type id: 18923

2.0 TDI 16V diesel (2.0 16V 103kw 140LE 1968ccm) Eng.code: BKD,CBDB,CFHC Type id: 18393

2.0 TDI diesel (2.0 16V 100kw 136LE 1968ccm) Eng.code: AZV,CBDA,CFHB Type id: 19333

1.6 TDI diesel (1.6 16V 66kw 90LE 1598ccm) Eng.code: CRKA,CXXA,DDYB Type id: 105739

1.6 TDI diesel (1.6 16V 81kw 110LE 1598ccm) Eng.code: CRKB,CXXB,DBKA Type id: 100798

2.0 TDI diesel (2.0 16V 110kw 150LE 1968ccm) Eng.code: CRLB,DCYA,DFGA Type id: 100799

1.4 TSI benzin (1.4 16V 103kw 140LE 1390ccm) Eng.code: BMY Type id: 19469

1.4 TSI benzin (1.4 16V 125kw 170LE 1390ccm) Eng.code: BLG Type id: 18920

1.4 TSI benzin (1.4 16V 90kw 122LE 1390ccm) Eng.code: CAXA Type id: 23162

2.0 FSI 4motion benzin (2.0 16V 110kw 150LE 1984ccm) Eng.code: BLX,BVX Type id: 18386

2.0 GTI benzin (2.0 16V 147kw 200LE 1984ccm) Eng.code: AXX,BWA,CAWB Type id: 18387

2.0 TDI 16V 4motion diesel (2.0 16V 103kw 140LE 1968ccm) Eng.code: BKD Type id: 18385

2.0 TDI 16V diesel (2.0 16V 103kw 140LE 1968ccm) Eng.code: BKD Type id: 17280

2.0 TDI diesel (2.0 16V 100kw 136LE 1968ccm) Eng.code: AZV Type id: 19332

2.0 TDI diesel (2.0 8V 103kw 140LE 1968ccm) Eng.code: BMM Type id: 19961

3.2 R32 4motion benzin (3.2 24V 184kw 250LE 3189ccm) Eng.code: BUB,CBRA Type id: 18921

1.4 TSI benzin (1.4 16V 103kw 140LE 1390ccm) Eng.code: BMY Type id: 22554

1.4 TSI benzin (1.4 16V 125kw 170LE 1390ccm) Eng.code: BLG Type id: 23195

1.4 TSI benzin (1.4 16V 90kw 122LE 1390ccm) Eng.code: CAXA Type id: 23163

1.9 TDI diesel (1.9 8V 77kw 105LE 1896ccm) Eng.code: BLS,BXE Type id: 22555

2.0 TDI 16V diesel (2.0 16V 103kw 140LE 1968ccm) Eng.code: BKD,CBDB Type id: 22556

2.0 TDI diesel (2.0 16V 110kw 150LE 1968ccm) Eng.code: CUUB Type id: 24942

2.0 TDI diesel (2.0 16V 81kw 110LE 1968ccm) Eng.code: CUUA Type id: 115175

1.6 TDI 4motion diesel (1.6 16V 77kw 105LE 1598ccm) Eng.code: CLHA Type id: 57460

1.6 TDI 4motion diesel (1.6 16V 81kw 110LE 1598ccm) Eng.code: CRKB,CXXB Type id: 59289

1.6 TDI diesel (1.6 16V 66kw 90LE 1598ccm) Eng.code: CLHB,CRKA,CXXA,DDYB Type id: 59067

1.6 TDI diesel (1.6 16V 77kw 105LE 1598ccm) Eng.code: CLHA Type id: 56145

1.6 TDI diesel (1.6 16V 81kw 110LE 1598ccm) Eng.code: CRKB,CXXB,DBKA Type id: 59068

1.6 TDI diesel (1.6 16V 85kw 115LE 1598ccm) Eng.code: DDYA,DGTE Type id: 124240

2.0 GTD diesel (2.0 16V 135kw 184LE 1968ccm) Eng.code: CUNA,DGCA,DJGA Type id: 59120

2.0 TDI 4motion diesel (2.0 16V 110kw 150LE 1968ccm) Eng.code: CKFC,CRBC,CRLB,CRMB,DCYA,DFGA Type id: 57461

2.0 TDI diesel (2.0 16V 105kw 143LE 1968ccm) Eng.code: CRBB,CRVC Type id: 59070

2.0 TDI diesel (2.0 16V 110kw 150LE 1968ccm) Eng.code: CRBC,CRLB,CRMB,CRUA,DCYA,DEJA,DFGA Type id: 56147

2.0 TDI diesel (2.0 16V 81kw 110LE 1968ccm) Eng.code: CRVA,CYKB,DCYB,DEJB,DFGB Type id: 59071

1.6 TDI 4motion diesel (1.6 16V 77kw 105LE 1598ccm) Eng.code: CLHA Type id: 26760

1.6 TDI 4motion diesel (1.6 16V 81kw 110LE 1598ccm) Eng.code: CRKB,CXXB Type id: 106416

1.6 TDI diesel (1.6 16V 66kw 90LE 1598ccm) Eng.code: CLHB,CRKA,CXXA,DDYB Type id: 26762

1.6 TDI diesel (1.6 16V 77kw 105LE 1598ccm) Eng.code: CLHA Type id: 58945

1.6 TDI diesel (1.6 16V 81kw 110LE 1598ccm) Eng.code: CRKB,CXXB,DBKA Type id: 26977

1.6 TDI diesel (1.6 16V 85kw 115LE 1598ccm) Eng.code: DDYA,DGTE Type id: 124243

2.0 GTD diesel (2.0 16V 135kw 184LE 1968ccm) Eng.code: CUNA,DGCA,DJGA Type id: 109842

2.0 TDI 4motion diesel (2.0 16V 110kw 150LE 1968ccm) Eng.code: CRBC,CRLB,DCYA,DFGA Type id: 26743

2.0 TDI diesel (2.0 16V 110kw 150LE 1968ccm) Eng.code: CRBC,CRLB,CRUA,DCYA,DEJA,DFGA Type id: 58946

2.0 TDI diesel (2.0 16V 81kw 110LE 1968ccm) Eng.code: CRLD,CRVA,CYKB,DCYB,DEJB,DFGB Type id: 26860

1.4 TSI benzin (1.4 16V 90kw 122LE 1390ccm) Eng.code: CAXA Type id: 23295

1.6 FSI benzin (1.6 16V 85kw 115LE 1598ccm) Eng.code: BLF Type id: 18666

2.0 TDI diesel (2.0 16V 110kw 150LE 1968ccm) Eng.code: CUUB,CVCA,DELA,DGMA Type id: 108132

2.0 TDI diesel (2.0 16V 81kw 110LE 1968ccm) Eng.code: CLCA,CUUA Type id: 9752

1.6 FSI benzin (1.6 16V 85kw 115LE 1598ccm) Eng.code: BLF Type id: 18520

1.9 TDI diesel (1.9 8V 77kw 105LE 1896ccm) Eng.code: BKC,BLS,BXE Type id: 18522

2.0 TDI 16V diesel (2.0 16V 103kw 140LE 1968ccm) Eng.code: BKP,CBAB Type id: 18523

2.0 TDI diesel (2.0 16V 125kw 170LE 1968ccm) Eng.code: BMR,CBBB Type id: 18671

2.0 TDI diesel (2.0 16V 88kw 120LE 1968ccm) Eng.code: BWV Type id: 28569

3.2 FSI 4motion benzin (3.2 24V 184kw 250LE 3168ccm) Eng.code: AXZ Type id: 19485

3.6 R36 4motion benzin (3.6 24V 220kw 300LE 3597ccm) Eng.code: BWS Type id: 22531

1.6 FSI benzin (1.6 16V 85kw 115LE 1598ccm) Eng.code: BLF Type id: 18726

1.9 TDI diesel (1.9 8V 77kw 105LE 1896ccm) Eng.code: BKC,BLS,BXE Type id: 18728

2.0 TDI 16V diesel (2.0 16V 103kw 140LE 1968ccm) Eng.code: BKP,CBAB Type id: 18729

2.0 TDI diesel (2.0 16V 88kw 120LE 1968ccm) Eng.code: BWV Type id: 5668

3.2 FSI 4motion benzin (3.2 24V 184kw 250LE 3168ccm) Eng.code: AXZ Type id: 19486

3.6 R36 4motion benzin (3.6 24V 220kw 300LE 3597ccm) Eng.code: BWS Type id: 22532

2.0 BlueTDI diesel (2.0 16V 105kw 143LE 1968ccm) Eng.code: CBAC Type id: 31972

2.0 TDI 4motion diesel (2.0 16V 103kw 140LE 1968ccm) Eng.code: CBAB,CFFB Type id: 31974

2.0 TDI 4motion diesel (2.0 16V 125kw 170LE 1968ccm) Eng.code: CBBB,CFGB Type id: 32797

2.0 TDI diesel (2.0 16V 103kw 140LE 1968ccm) Eng.code: CBAB,CFFB Type id: 26609

3.6 FSI 4motion benzin (3.6 24V 220kw 300LE 3597ccm) Eng.code: BWS Type id: 26608

3.6 FSI 4motion benzin (3.6 24V 220kw 300LE 3597ccm) Eng.code: BWS Type id: 7027

3.6 FSI 4motion benzin (3.6 24V 220kw 300LE 3597ccm) Eng.code: BWS Type id: 7033

1.6 TDI diesel (1.6 16V 88kw 120LE 1598ccm) Eng.code: DCXA,DCZA Type id: 108613

2.0 TDI 4motion diesel (2.0 16V 110kw 150LE 1968ccm) Eng.code: CRLB,DFEA,DFGA,DTSA Type id: 112386

2.0 TDI 4motion diesel (2.0 16V 140kw 190LE 1968ccm) Eng.code: DDAA,DFCA,DFHA Type id: 108616

2.0 TDI 4motion diesel (2.0 16V 176kw 240LE 1968ccm) Eng.code: CUAA Type id: 106654

2.0 TDI diesel (2.0 16V 110kw 150LE 1968ccm) Eng.code: CRLB,DBGA,DFGA,DSRA,DSRB,DTSA,DTSB Type id: 106635

2.0 TDI diesel (2.0 16V 140kw 190LE 1968ccm) Eng.code: DDAA,DFCA,DFHA Type id: 108615

1.6 TDI diesel (1.6 16V 88kw 120LE 1598ccm) Eng.code: DCXA,DCZA Type id: 108629

2.0 TDI 4motion diesel (2.0 16V 110kw 150LE 1968ccm) Eng.code: CRLB,DFEA,DFGA,DTSA Type id: 112385

2.0 TDI 4motion diesel (2.0 16V 140kw 190LE 1968ccm) Eng.code: DDAA,DFCA,DFHA Type id: 108631

2.0 TDI 4motion diesel (2.0 16V 176kw 240LE 1968ccm) Eng.code: CUAA Type id: 106657

2.0 TDI diesel (2.0 16V 110kw 150LE 1968ccm) Eng.code: CRLB,DBGA,DFGA,DSRA,DSRB,DTSA,DTSB Type id: 106644

2.0 TDI diesel (2.0 16V 135kw 184LE 1968ccm) Eng.code: CUPA Type id: 118893

2.0 TDI diesel (2.0 16V 140kw 190LE 1968ccm) Eng.code: DDAA,DFCA,DFHA Type id: 108630

2.0 TDI diesel (2.0 16V 81kw 110LE 1968ccm) Eng.code: DFGB Type id: 147324

2.0 TDI 4motion diesel (2.0 16V 110kw 150LE 1968ccm) Eng.code: CRLB,DFEA,DFGA Type id: 116702

2.0 TDI 4motion diesel (2.0 16V 135kw 184LE 1968ccm) Eng.code: CUPA Type id: 118894

2.0 TDI 4motion diesel (2.0 16V 140kw 190LE 1968ccm) Eng.code: DDAA,DFCA,DFHA Type id: 116703

2.0 TDI 4motion diesel (2.0 16V 176kw 240LE 1968ccm) Eng.code: CUAA Type id: 116704

1.4 FSI benzin (1.4 16V 63kw 86LE 1390ccm) Eng.code: AXU Type id: 16732

1.4 TDI diesel (1.4 6V 51kw 70LE 1422ccm) Eng.code: BNM,BWB Type id: 18605

1.4 TDI diesel (1.4 6V 59kw 80LE 1422ccm) Eng.code: BMS,BNV Type id: 18599

1.6 16V benzin (1.6 16V 77kw 105LE 1598ccm) Eng.code: BTS Type id: 19698

1.9 TDI diesel (1.9 8V 74kw 101LE 1896ccm) Eng.code: ATD,AXR,BMT Type id: 16105

1.6 BiFuel benzin/LPG (1.6 16V 60kw 82LE 1598ccm) Eng.code: CNKA Type id: 10254

2.0 TDI diesel (2.0 16V 110kw 150LE 1968ccm) Eng.code: CUUB Type id: 106418

2.0 TDI diesel (2.0 16V 135kw 184LE 1968ccm) Eng.code: CUWA,CUXA Type id: 107501

2.0 TDI 4motion diesel (2.0 16V 110kw 150LE 1968ccm) Eng.code: CUVC,DFLA,DLTA Type id: 115207

2.0 TDI 4motion diesel (2.0 16V 135kw 184LE 1968ccm) Eng.code: DFMA Type id: 120178

2.0 TDI diesel (2.0 16V 110kw 150LE 1968ccm) Eng.code: CUVC,DFLA,DLTA Type id: 115206

2.0 TDI diesel (2.0 16V 135kw 184LE 1968ccm) Eng.code: CUWA,DFMA Type id: 115208

2.0 TDI diesel (2.0 16V 85kw 115LE 1968ccm) Eng.code: CFFE,CUVA,DFLD,DLTC Type id: 12089

2.0 TDI 4motion diesel (2.0 16V 110kw 150LE 1968ccm) Eng.code: CUVC Type id: 112956

2.0 TDI 4motion diesel (2.0 16V 135kw 184LE 1968ccm) Eng.code: CUWA Type id: 113340

2.0 TDI diesel (2.0 16V 110kw 150LE 1968ccm) Eng.code: CUVC Type id: 112955

2.0 TDI diesel (2.0 16V 81kw 110LE 1968ccm) Eng.code: CFFD,CUVE Type id: 33674

2.0 TDI 4motion diesel (2.0 16V 110kw 150LE 1968ccm) Eng.code: DBGC,DFGA,DTSA,DTSB Type id: 118648

2.0 TDI 4motion diesel (2.0 16V 176kw 240LE 1968ccm) Eng.code: CUAA Type id: 119766

2.0 TDI diesel (2.0 16V 81kw 110LE 1968ccm) Eng.code: CYKC Type id: 124068

1.4 TSI benzin (1.4 16V 103kw 140LE 1390ccm) Eng.code: BMY,CAVC Type id: 19651

1.4 TSI benzin (1.4 16V 125kw 170LE 1390ccm) Eng.code: BLG,CAVB Type id: 27994

1.6 FSI benzin (1.6 16V 85kw 115LE 1598ccm) Eng.code: BAG,BLF,BLP Type id: 17174

1.9 TDI diesel (1.9 8V 74kw 100LE 1896ccm) Eng.code: AVQ Type id: 17119

1.9 TDI diesel (1.9 8V 77kw 105LE 1896ccm) Eng.code: BKC,BLS,BXE Type id: 17768

2.0 TDI 16V diesel (2.0 16V 103kw 140LE 1968ccm) Eng.code: BKD Type id: 17770

2.0 TDI diesel (2.0 16V 100kw 136LE 1968ccm) Eng.code: AZV Type id: 17175

1.6 TDI diesel (1.6 16V 81kw 110LE 1598ccm) Eng.code: CRKB Type id: 113150

2.0 TDI diesel (2.0 16V 110kw 150LE 1968ccm) Eng.code: DFEA,DFGA,DTSB Type id: 113151

2.0 TDI diesel (2.0 16V 140kw 190LE 1968ccm) Eng.code: DFHA Type id: 117884

2.0 TDI diesel (2.0 16V 81kw 110LE 1968ccm) Eng.code: CRVA,CYKB,DFEB,DFGB Type id: 117811

2.0 BiTDI 4motion diesel (2.0 16V 132kw 180LE 1968ccm) Eng.code: CFCA Type id: 32275

2.0 BiTDI diesel (2.0 16V 132kw 180LE 1968ccm) Eng.code: CFCA Type id: 32272

2.0 TDI 4motion diesel (2.0 16V 100kw 136LE 1968ccm) Eng.code: CAAE,CCHB Type id: 28039

2.0 TDI 4motion diesel (2.0 16V 103kw 140LE 1968ccm) Eng.code: CAAC,CCHA Type id: 32268

2.0 TDI diesel (2.0 16V 100kw 136LE 1968ccm) Eng.code: CAAE Type id: 27824

2.0 TDI diesel (2.0 16V 103kw 140LE 1968ccm) Eng.code: CAAC,CCHA Type id: 32263

2.0 TDI diesel (2.0 16V 62kw 84LE 1968ccm) Eng.code: CAAA Type id: 32257

2.0 TDI diesel (2.0 16V 75kw 102LE 1968ccm) Eng.code: CAAB Type id: 32258

2.0 TDI diesel (2.0 16V 84kw 114LE 1968ccm) Eng.code: CAAD Type id: 24388

2.0 benzin (2.0 8V 85kw 115LE 1984ccm) Eng.code: AXA Type id: 17361

2.0 BiTDI 4motion diesel (2.0 16V 132kw 180LE 1968ccm) Eng.code: CFCA Type id: 32277

2.0 BiTDI diesel (2.0 16V 132kw 180LE 1968ccm) Eng.code: CFCA Type id: 32274

2.0 TDI 4motion diesel (2.0 16V 100kw 136LE 1968ccm) Eng.code: CAAE,CCHB Type id: 1703

2.0 TDI 4motion diesel (2.0 16V 103kw 140LE 1968ccm) Eng.code: CAAC,CCHA Type id: 32266

2.0 TDI diesel (2.0 16V 100kw 136LE 1968ccm) Eng.code: CAAE,CCHB Type id: 1661

2.0 TDI diesel (2.0 16V 103kw 140LE 1968ccm) Eng.code: CAAC,CCHA Type id: 32265

2.0 TDI diesel (2.0 16V 62kw 84LE 1968ccm) Eng.code: CAAA Type id: 32255

2.0 TDI diesel (2.0 16V 75kw 102LE 1968ccm) Eng.code: CAAB Type id: 32260

2.0 TDI diesel (2.0 16V 84kw 114LE 1968ccm) Eng.code: CAAD Type id: 15113

2.0 benzin (2.0 8V 85kw 115LE 1984ccm) Eng.code: AXA Type id: 17373

2.0 BiTDI 4motion diesel (2.0 16V 132kw 180LE 1968ccm) Eng.code: CFCA Type id: 32276

2.0 BiTDI diesel (2.0 16V 132kw 180LE 1968ccm) Eng.code: CFCA Type id: 32273

2.0 TDI 4motion diesel (2.0 16V 100kw 136LE 1968ccm) Eng.code: CAAE,CCHB Type id: 27774

2.0 TDI 4motion diesel (2.0 16V 103kw 140LE 1968ccm) Eng.code: CAAC,CCHA Type id: 32267

2.0 TDI diesel (2.0 16V 100kw 136LE 1968ccm) Eng.code: CAAE,CCHB Type id: 27769

2.0 TDI diesel (2.0 16V 103kw 140LE 1968ccm) Eng.code: CAAC,CCHA Type id: 32264

2.0 TDI diesel (2.0 16V 62kw 84LE 1968ccm) Eng.code: CAAA Type id: 32256

2.0 TDI diesel (2.0 16V 75kw 102LE 1968ccm) Eng.code: CAAB Type id: 32259

2.0 TDI diesel (2.0 16V 84kw 114LE 1968ccm) Eng.code: CAAD Type id: 24375

2.0 benzin (2.0 8V 85kw 115LE 1984ccm) Eng.code: AXA Type id: 17367

2.0 BiTDI 4motion diesel (2.0 16V 132kw 180LE 1968ccm) Eng.code: CFCA Type id: 32271

2.0 BiTDI diesel (2.0 16V 132kw 180LE 1968ccm) Eng.code: CFCA Type id: 32270

2.0 TDI 4motion diesel (2.0 16V 103kw 140LE 1968ccm) Eng.code: CAAC,CCHA Type id: 32269

2.0 TDI diesel (2.0 16V 103kw 140LE 1968ccm) Eng.code: CAAC,CCHA Type id: 32262

2.0 TDI diesel (2.0 16V 62kw 84LE 1968ccm) Eng.code: CAAA Type id: 32254

2.0 TDI diesel (2.0 16V 75kw 102LE 1968ccm) Eng.code: CAAB Type id: 32261

2.0 TDI diesel (2.0 16V 84kw 114LE 1968ccm) Eng.code: CAAD Type id: 27168

2.0 benzin (2.0 8V 85kw 115LE 1984ccm) Eng.code: AXA Type id: 17268

2.0 TDI 4motion diesel (2.0 16V 103kw 140LE 1968ccm) Eng.code: CAAC Type id: 114858

2.0 TDI 4motion diesel (2.0 16V 110kw 150LE 1968ccm) Eng.code: CXHA,DNAA Type id: 120779

2.0 TDI 4motion diesel (2.0 16V 132kw 180LE 1968ccm) Eng.code: CFCA Type id: 114871

2.0 TDI 4motion diesel (2.0 16V 150kw 204LE 1968ccm) Eng.code: CXEB,DMZA Type id: 120823

2.0 TDI diesel (2.0 16V 103kw 140LE 1968ccm) Eng.code: CAAC Type id: 114855

2.0 TDI diesel (2.0 16V 110kw 150LE 1968ccm) Eng.code: CXHA,DNAA Type id: 117613

2.0 TDI diesel (2.0 16V 132kw 180LE 1968ccm) Eng.code: CFCA Type id: 114866

2.0 TDI diesel (2.0 16V 150kw 204LE 1968ccm) Eng.code: CXEB,DMZA Type id: 120822

2.0 TDI diesel (2.0 16V 62kw 84LE 1968ccm) Eng.code: CAAA,CXGA Type id: 114840

2.0 TDI diesel (2.0 16V 75kw 102LE 1968ccm) Eng.code: CAAB,CXGB Type id: 114845

2.0 TDI diesel (2.0 16V 84kw 114LE 1968ccm) Eng.code: CXHB Type id: 120815

2.0 TDI 4motion diesel (2.0 16V 103kw 140LE 1968ccm) Eng.code: CAAC Type id: 114857

2.0 TDI 4motion diesel (2.0 16V 110kw 150LE 1968ccm) Eng.code: CXFA,CXHA,DNAA Type id: 116204

2.0 TDI 4motion diesel (2.0 16V 132kw 180LE 1968ccm) Eng.code: CFCA Type id: 114870

2.0 TDI 4motion diesel (2.0 16V 150kw 204LE 1968ccm) Eng.code: CXEB,DMZA Type id: 114890

2.0 TDI diesel (2.0 16V 103kw 140LE 1968ccm) Eng.code: CAAC Type id: 114851

2.0 TDI diesel (2.0 16V 110kw 150LE 1968ccm) Eng.code: CXFA,CXHA,DNAA Type id: 114894

2.0 TDI diesel (2.0 16V 132kw 180LE 1968ccm) Eng.code: CFCA Type id: 114864

2.0 TDI diesel (2.0 16V 150kw 204LE 1968ccm) Eng.code: CXEB,DMZA Type id: 114886

2.0 TDI diesel (2.0 16V 62kw 84LE 1968ccm) Eng.code: CAAA,CXGA Type id: 114839

2.0 TDI diesel (2.0 16V 75kw 102LE 1968ccm) Eng.code: CAAB,CXGB Type id: 114844

2.0 TDI diesel (2.0 16V 84kw 114LE 1968ccm) Eng.code: CXHB Type id: 120813

2.0 TDI 4motion diesel (2.0 16V 103kw 140LE 1968ccm) Eng.code: CAAC Type id: 114856

2.0 TDI 4motion diesel (2.0 16V 110kw 150LE 1968ccm) Eng.code: CXFA,CXHA,DNAA Type id: 116203

2.0 TDI 4motion diesel (2.0 16V 132kw 180LE 1968ccm) Eng.code: CFCA Type id: 114869

2.0 TDI 4motion diesel (2.0 16V 150kw 204LE 1968ccm) Eng.code: CXEB,DMZA Type id: 114889

2.0 TDI diesel (2.0 16V 103kw 140LE 1968ccm) Eng.code: CAAC Type id: 114848

2.0 TDI diesel (2.0 16V 110kw 150LE 1968ccm) Eng.code: CXFA,CXHA,DNAA Type id: 114892

2.0 TDI diesel (2.0 16V 132kw 180LE 1968ccm) Eng.code: CFCA Type id: 114861

2.0 TDI diesel (2.0 16V 150kw 204LE 1968ccm) Eng.code: CXEB,DMZA Type id: 114884

2.0 TDI diesel (2.0 16V 62kw 84LE 1968ccm) Eng.code: CAAA,CXGA Type id: 114838

2.0 TDI diesel (2.0 16V 75kw 102LE 1968ccm) Eng.code: CAAB,CXGB Type id: 114842

2.0 TDI diesel (2.0 16V 84kw 114LE 1968ccm) Eng.code: CXHB Type id: 120808

2.0 TDI 4motion diesel (2.0 16V 103kw 140LE 1968ccm) Eng.code: CAAC Type id: 114847

2.0 TDI 4motion diesel (2.0 16V 110kw 150LE 1968ccm) Eng.code: CXFA,CXHA,DNAA Type id: 116065

2.0 TDI 4motion diesel (2.0 16V 132kw 180LE 1968ccm) Eng.code: CFCA Type id: 114868

2.0 TDI 4motion diesel (2.0 16V 150kw 204LE 1968ccm) Eng.code: CXEB,DMZA Type id: 114888

2.0 TDI diesel (2.0 16V 103kw 140LE 1968ccm) Eng.code: CAAC Type id: 114846

2.0 TDI diesel (2.0 16V 110kw 150LE 1968ccm) Eng.code: CXFA,CXHA,DNAA Type id: 114891

2.0 TDI diesel (2.0 16V 132kw 180LE 1968ccm) Eng.code: CFCA Type id: 114860

2.0 TDI diesel (2.0 16V 150kw 204LE 1968ccm) Eng.code: CXEB,DMZA Type id: 114883

2.0 TDI diesel (2.0 16V 62kw 84LE 1968ccm) Eng.code: CAAA,CXGA Type id: 116202

2.0 TDI diesel (2.0 16V 75kw 102LE 1968ccm) Eng.code: CAAB,CXGB Type id: 114841

2.0 TDI diesel (2.0 16V 84kw 114LE 1968ccm) Eng.code: CXHB Type id: 120803

1.0 EcoFuel benzin/CNG (1.0 12V 50kw 68LE 999ccm) Eng.code: CPGA Type id: 57513

1.0 benzin (1.0 12V 44kw 60LE 999ccm) Eng.code: CHYA,CHYE,DAFA Type id: 11816

1.0 benzin (1.0 12V 55kw 75LE 999ccm) Eng.code: CHYB Type id: 11817

Tovább olvasom
Az AS-PL Sp. z o.o. egy európai vállalat, amely a gépjárművek alkatrészeinek és elektromos alkatrészeinek szállítása területén tevékenykedik. A vállalat 1992-ben alakult Gdańskban Auto-Starter néven. Jelenleg a vállalat több mint 290 képzett szakembert foglalkoztat, és világszerte együttműködik az utángyártott alkatrészek és járműtartozékok forgalmazóival és nagykereskedőivel. A hosszú távú együttműködés és a világ mintegy 100 országába történő értékesítés teszi a vállalatot a járművek alkatrészeinek és elektromos alkatrészeinek beszállítása terén vezető szerepet betöltő vállalkozássá.
Tovább olvasom